Запчасти Case 1450 (210) - LOADER BUCKET TILT HYDRAULIC CIRCUIT, USED BEFORE TRACTOR SN 8379804 (08) - HYDRAULICS

Схема запчастей Case 1450 - (210) - LOADER BUCKET TILT HYDRAULIC CIRCUIT, USED BEFORE TRACTOR SN 8379804 (08) - HYDRAULICS
FIT
1:1
100%

Артикул

Название

Примечание

Количество

1

REF

INSTRUCTION

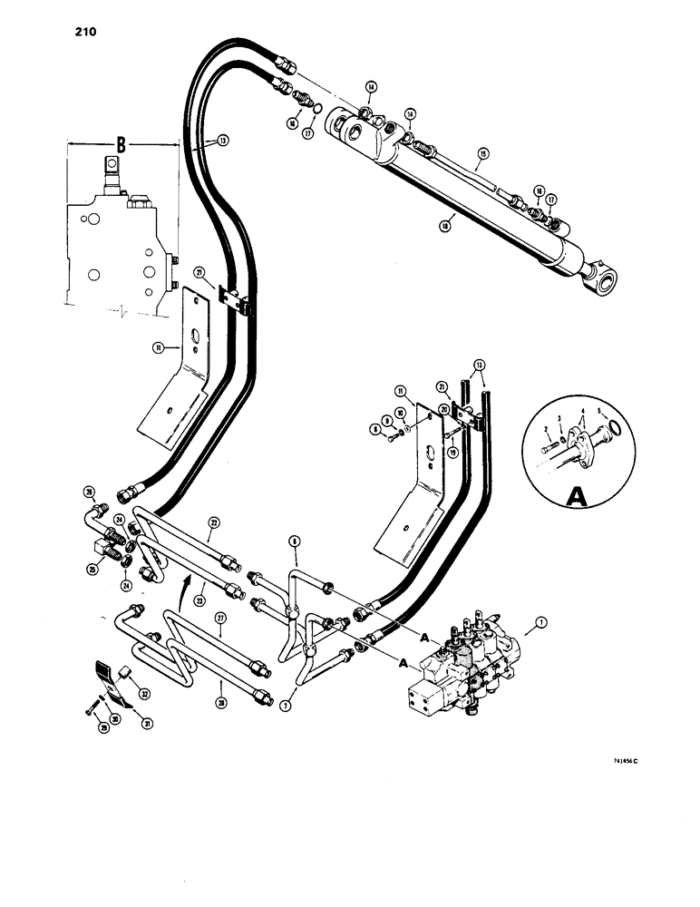
VALVE - equipment control, see Figures 274, 278 and 282 for proper valve

1шт.

2

13-620

BOLT,Hex, 3/8" - 16 x 1-1/4", Gr 5, Full Thd

8шт.

3

92-6

LOCK WASHER,3/8"

8шт.

4

A12306

FLANGE

CLAMP - split

4шт.

5

D31968

O-RING,0.139" Thk x 1.296" ID, -219, Cl 6, 90 Duro

2шт.

6

R28732

TUBE

- upper, used with 6" (125 mm) section at B

1шт.

6

R40580

TUBE

- upper, used with 6-13/16" (173 mm) section at B

1шт.

Order when 6-13/16" (173 mm) replaces a 6" (125 mm) valve section.

1шт.

7

R28733

TUBE

- lower, used with 6" (125 mm) section at B

1шт.

7

R40578

TUBE

- lower, used with 6-13/16" (173 mm) section at B

1шт.

Order when 6-13/16" (173 mm) replaces a 6" (125 mm) valve section.

1шт.

8

13-612

BOLT,Hex, 3/8" - 16 x 3/4", Gr 5, Full Thd

6шт.

9

92-6

LOCK WASHER,3/8"

6шт.

10

195-25

WASHER,3/8"

- flat, 3/8"

6шт.

11

R28139

GUARD

- hydraulic hose

2шт.

13

R28746

HOSE

- 63" (1600 mm) long

4шт.

14

218-1250

BHD LOCK NUT,Blkhd, 1 5/16"-12

NUT, LOCK, Blkhd, 1 5/16"-12

4шт.

15

R32016

TUBE

- hydraulic, rod end of cylinder

2шт.

16

218-5069

HYD CONNECTOR,1-5/16" - 12 Male JIC x 1-5/16" - 12 Male ORB

FITTING - straight, male, Incl. Ref. 17

4шт.

17

218-5010

O-RING,0.116" Thk x 1.171" ID, -916, Cl 6, 90 Duro

1шт.

18

G34520

CYLINDER

- bucket dump, parts list Figure 248

2шт.

19

413-632

BOLT,Hex, 3/8" - 16 x 2", Gr 5

4шт.

20

92-6

LOCK WASHER,3/8"

4шт.

21

R31467

CLAMP

- hose

2шт.

22

R28734

TUBE - intermediate, to upper valve port, early production

1шт.

23

R28736

TUBE

- intermediate, to lower valve port, early production

1шт.

24

218-1250

BHD LOCK NUT,Blkhd, 1 5/16"-12

NUT, LOCK, Blkhd, 1 5/16"-12, Early production

2шт.

25

R26018

FITTING

ELBOW - special, early production

1шт.

26

R26020

TUBE

- intermediate, to upper valve port, early production

1шт.

27

R34069

TUBE

- hydraulic, 1A circuit, late production

1шт.

28

R34071

TUBE

- hydraulic, 2A circuit, late production

1шт.

29

413-632

BOLT,Hex, 3/8" - 16 x 2", Gr 5

Late production Hex, 3/8"-16 x 2", G5

1шт.

30

92-6

LOCK WASHER,3/8"

late production 3/8"

1шт.

31

R34049

CLAMP

- tube, late production

1шт.

32

R29848

BUSHING

SPACER - clamp, late production

1шт.

Выбрано товаров: 35