Запчасти Case 1450 (290) - R34699 3 SPOOL VALVE, POWER TILT DOZER MODELS WITH RIPPER (08) - HYDRAULICS

Схема запчастей Case 1450 - (290) - R34699 3 SPOOL VALVE, POWER TILT DOZER MODELS WITH RIPPER (08) - HYDRAULICS
FIT
1:1
100%

Артикул

Название

Примечание

Количество

R34699

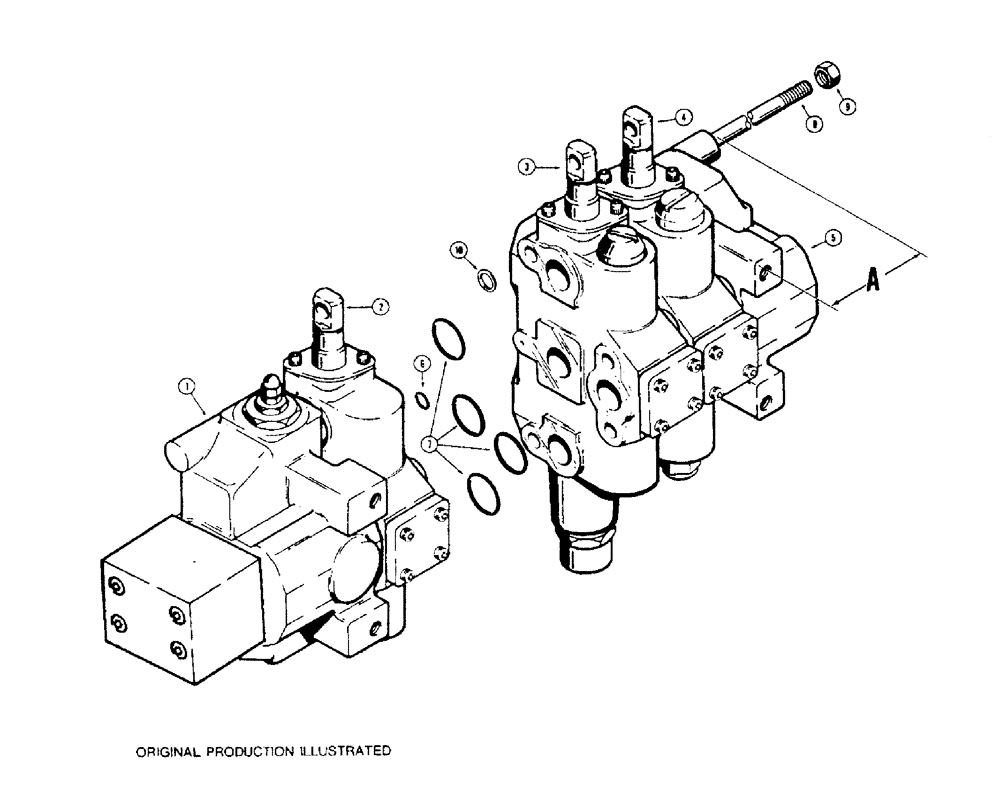
VALVE - three spool, Cross no. 6LR 003-250017, Includes: Ref. 1 - 10

1шт.

Order R40275 for complete valve replacement. Also order R32185 tube, R32187 tube, R40320 tube and R40322 tube.

1шт.

1

D65195

X

INLET AND OUTLET SECTION - parts list Figure 312

1шт.

2

R30838

HYD VALVE SECTION

TILT SECTION - parts list Figure 318

1шт.

Service with D80365 section, R40326 tube and R40324 tube.

1шт.

2

D75922

NO LONGER SERVICED

TILT SECTION - parts list Figure 318

1шт.

Service with D80365 section, R40326 tube and R40324 tube.

1шт.

2

D80365

VALVE

TILT SECTION - parts list Figure 318

1шт.

3

R30839

LIFT - parts list Figure 314

1шт.

Service with D80364 section, R40322 and R40320 tubes.

1шт.

3

D75921

NO LONGER SERVICED

LIFT SECTION - parts list Figure 316

1шт.

Service with D80364 section, R40322 and R40320 tubes.

1шт.

3

D80364

VALVE

LIFT SECTION - parts list Figure 316

1шт.

4

R33511

VALVE BLOCK

RIPPER OR AUXILIARY SECTION - parts list Figure 320

1шт.

Service with R40790 section, R31409 O-ring, R40789 cover and (4) R40791 bolts.

1шт.

4

R38246

HYD VALVE SECTION

RIPPER OR AUXILIARY SECTION - parts list Figure 320

1шт.

Service with R40790 section, R31409 O-ring, R40789 cover and (4) R40791 bolts.

1шт.

4

R40790

SEGMENT

RIPPER OR AUXILIARY SECTION - parts list Figure 320

1шт.

5

R30841

PLATE

COVER - 2-15/16" (75 mm) at A, uses 1 small O-ring

1шт.

5

R38536

PLATE ASSY.

COVER - 2-15/16" (75 mm) at A, uses 2 small O-rings

2шт.

5

R40789

PLATE

COVER - 1-15/16" (49 mm) at A

1шт.

6

D31409

O-RING,0.07" Thk x 0.489" ID, -14, Cl 6, 90 Duro

- small

4-8шт.

7

R30990

O-RING,0.103" Thk x 1.174" ID, -123, Cl 6, 90 Duro

- large

16шт.

8

R30972

BOLT

ROD - 7/16" - 14 NC x 11-1/2", used with R30841 and R38536 covers

4шт.

8

R40791

TIE-ROD

ROD - 7/16" - 14 NC x 10-1/2", used with R40789 cover

4шт.

9

25-117

NUT,7/16"-20, G5

- hex, 7/16" - 14 NC

4шт.

10

R38250

SHIM,.002" Thk

4 per section (.0508 mm) .002" Thk

1шт.

Выбрано товаров: 27