Запчасти Case 1450 (308) - R25619 4 SPOOL VALVE, LOADER WITH DUAL PULL BEHIND OR RIPPER AND 4-IN-1 BUCKET (08) - HYDRAULICS

Схема запчастей Case 1450 - (308) - R25619 4 SPOOL VALVE, LOADER WITH DUAL PULL BEHIND OR RIPPER AND 4-IN-1 BUCKET (08) - HYDRAULICS
FIT
1:1
100%

Артикул

Название

Примечание

Количество

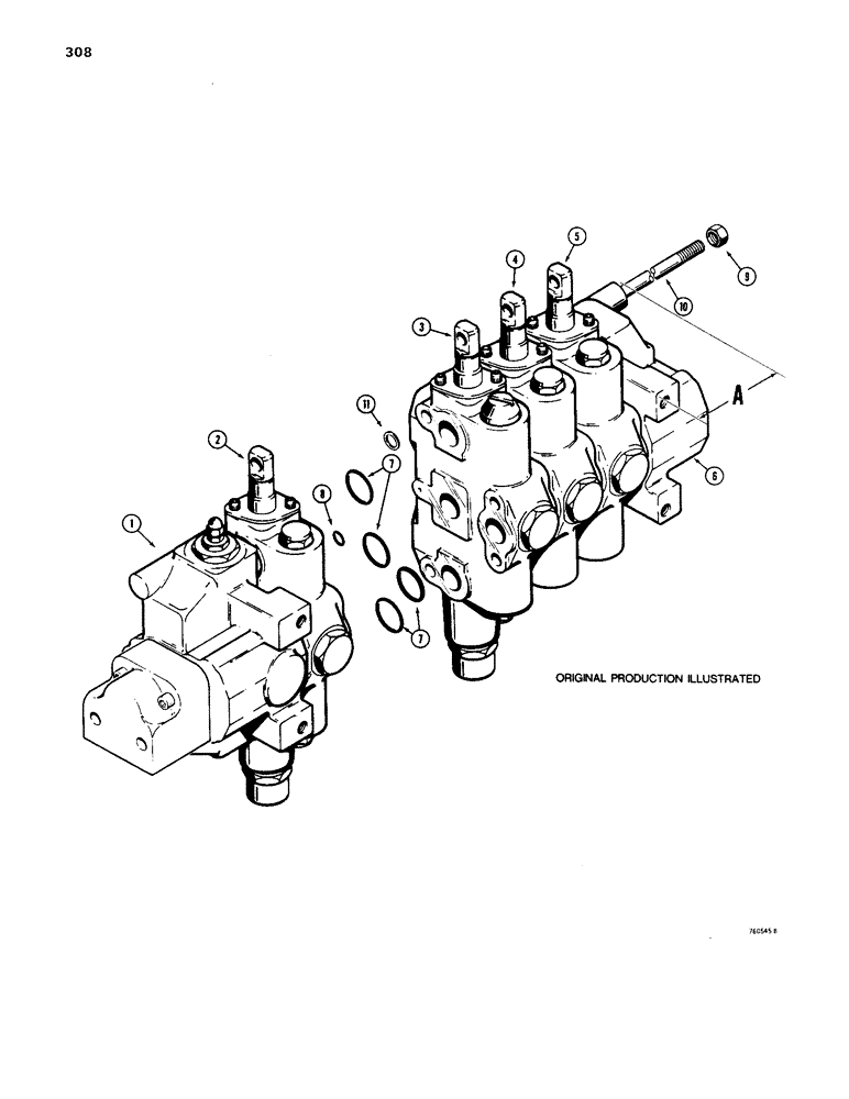
R25619

VALVE - Cross no. 6LR 004-250005, Includes: Ref. 1 - 11

1шт.

Order R40054 for complete valve replacement. Also order R39973 tube, R39975 tube, R40578 tube and R40580 tube.

1шт.

1

D65198

NO LONGER SERVICED

INLET AND OUTLET SECTION - parts list Figure 312

1шт.

2

D65199

VALVE BLOCK

BUCKET TILT SECTION - parts list Figure 322

1шт.

Service with D80331 section, R40580 and R40578 tubes.

1шт.

2

D75923

X

BUCKET TILT SECTION - parts list Figure 322

1шт.

Service with D80331 section, R40580 and R40578 tubes.

1шт.

2

D80331

VALVE

BUCKET TILT SECTION - parts list Figure 322

1шт.

3

R31140

LIFT SECTION - parts list Figure 324

1шт.

Service with D80332 section, R40581 and R40583 tubes.

1шт.

3

D77549

ELEMENT

LIFT SECTION - parts list Figure 326

1шт.

Service with D80332 section, R40581 and R40583 tubes.

1шт.

3

D80332

VALVE

LIFT SECTION - parts list Figure 326

1шт.

4

R33511

VALVE BLOCK

DUAL PULL BEHIND, 4-IN-BUCKET OR AUXILIARY SECTION - parts list Figure 320

1шт.

Service with R40790 section, if 4-in-1 bucket is used also order R39973 and R39975 tubes.

1шт.

4

R38246

HYD VALVE SECTION

DUAL PULL BEHIND, 4-IN-1 BUCKET OR AUXILIARY SECTION - parts list Figure 320

1шт.

Service with R40790 section, if 4-in-1 bucket is used also order R39973 and R39975 tubes.

1шт.

4

R40790

SEGMENT

DUAL PULL BEHIND, 4-IN-1 BUCKET OR AUXILIARY SECTION - parts list Figure 320

1шт.

5

R33511

VALVE BLOCK

DUAL PULL BEHIND, RIPPER OR AUXILIARY SECTION - parts list Figure 320

1шт.

Service with R40790 section, D31409 O-ring, R40789 cover and (4) R40792 bolts.

1шт.

5

R38246

HYD VALVE SECTION

DUAL PULL BEHIND, RIPPER OR AUXILIARY SECTION - parts list Figure 320

1шт.

Service with R40790 section, D31409 O-ring, R40789 cover and (4) R40792 bolts.

1шт.

5

R40790

SEGMENT

DUAL PULL BEHIND, RIPPER OR AUXILIARY SECTION - parts list Figure 320

1шт.

6

R30841

PLATE

COVER - 2-15/16" (75 mm) at A, uses 1 small O-ring

1шт.

6

R38536

PLATE ASSY.

COVER - 2-15/16" (75 mm) at A, uses 2 small O-rings

1шт.

6

R40789

PLATE

COVER - 1-15/16" (49 mm) at A

1шт.

7

R30990

O-RING,0.103" Thk x 1.174" ID, -123, Cl 6, 90 Duro

- large

20шт.

8

D31409

O-RING,0.07" Thk x 0.489" ID, -14, Cl 6, 90 Duro

- small

10шт.

9

25-117

NUT,7/16"-20, G5

- hex, 7/16" - 14 NC

4шт.

10

R30973

BOLT

ROD - 7/16" - 14 NC x 13-7/8", used with R30841 and R38536 covers

4шт.

10

R40792

TIE-ROD

ROD - 7/16" - 14 NC x 12-7/8", used with R40789 cover

4шт.

11

R38250

SHIM,.002" Thk

4 per section (.0508 mm) .002" Thk

1шт.

Выбрано товаров: 32