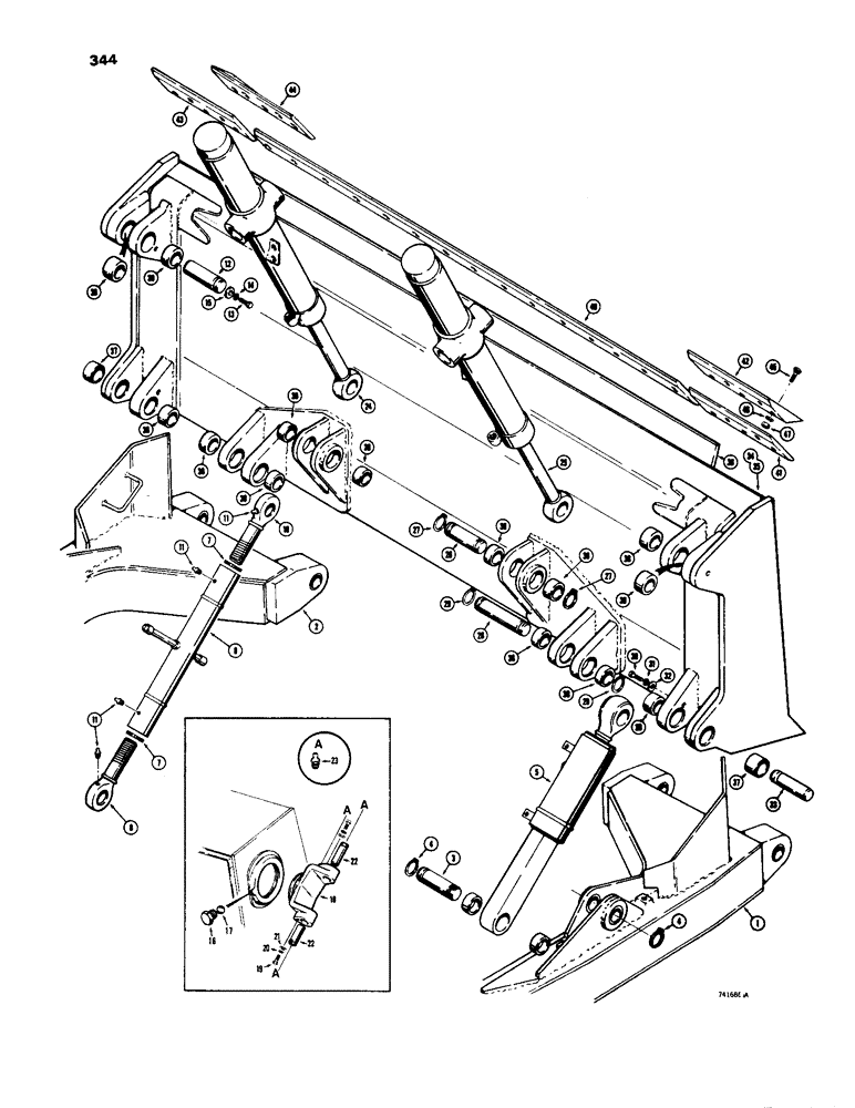
Запчасти Case 1450 (344) - TILT DOZER, DOZER BLADE AND TRUNNION (09) - CHASSIS/ATTACHMENTS

Схема запчастей Case 1450 - (344) - TILT DOZER, DOZER BLADE AND TRUNNION (09) - CHASSIS/ATTACHMENTS
FIT
1:1
100%

Артикул

Название

Примечание

Количество

1

REF

INSTRUCTION

BEAM - RH push, parts list Figure 342

1шт.

2

REF

INSTRUCTION

BEAM - LH, push, parts list Figure 342

1шт.

3

D37610

PIN

- cylinder and, Serial Range: strut-beam

2шт.

4

D26919

SNAP RING,#200, Ext

Ring, Snap, #200, Ext

4шт.

5

G34550

CYLINDER

- tilt, parts list Figure 258

1шт.

R34205

STRUT

- adjustable, Includes: Ref. 7 - 11

1шт.

7

D95144

WIPER SEAL,50.77mm ID x 63.52mm OD x 7.92mm Thk

Wiper - rod

2шт.

8

R28060

ROD

- LH thread

1шт.

9

NSS

NOT SOLD SEPARAT

STRUT - adjusting

1шт.

10

R28061

ROD

- RH thread

1шт.

11

219-1

LUBE NIPPLE,1/8" - 27 NPTF

FITTING - grease, straight, 1/8" NPT

4шт.

12

R29397

PIN

- cylinder and, Serial Range: strut-moldboard

2шт.

13

13-1020

BOLT,Hex, 5/8" - 11 x 1-1/4", Gr 5, Full Thd

2шт.

14

92-10

LOCK WASHER,5/8"

WASHER, LOCK, 5/8"

2шт.

15

70523

WASHER,16.67mm ID x 47.63mm OD x 6.35mm Thk

- flat

2шт.

16

D28481

PLUG

- special

2шт.

17

211-17

BALL,3/4" Dia

- trunnion retaining

70шт.

18

R28001

TRUNNION

- inner race

2шт.

19

13-1020

BOLT,Hex, 5/8" - 11 x 1-1/4", Gr 5, Full Thd

4шт.

20

92-10

LOCK WASHER,5/8"

WASHER, LOCK, 5/8"

4шт.

21

70523

WASHER,16.67mm ID x 47.63mm OD x 6.35mm Thk

- flat

4шт.

22

R28002

PIN

- cylinder retaining

4шт.

23

219-1

LUBE NIPPLE,1/8" - 27 NPTF

FITTING - grease, straight, 1/8" NPT

6шт.

24

G34971

CYLINDER

- LH lift, parts list Figure 252

1шт.

25

G34970

CYLINDER

- RH lift, parts list Figure 252

1шт.

26

R28003

PIN

- lift, Serial Range: cylinder-blade

2шт.

27

D26919

SNAP RING,#200, Ext

Ring, Snap, #200, Ext

4шт.

28

R30992

PIN

- blade to beam, inner

2шт.

29

D26919

SNAP RING,#200, Ext

Ring, Snap, #200, Ext

4шт.

30

13-1020

BOLT,Hex, 5/8" - 11 x 1-1/4", Gr 5, Full Thd

2шт.

31

92-10

LOCK WASHER,5/8"

WASHER, LOCK, 5/8"

2шт.

32

70523

WASHER,16.67mm ID x 47.63mm OD x 6.35mm Thk

- flat

2шт.

33

R30991

PIN,50.8mm OD x 170.18mm L

- blade to beam, outer

2шт.

34

R25455

BLADE - without push plate, Includes: Ref. 36 - 39

1шт.

35

R28046

BLADE - with push plate, Includes: Ref. 36 - 39

1шт.

36

R5871

PLATE - push, R28046 moldboard

1шт.

37

D43508

BUSHING

- moldboard, lower, outer

1-2шт.

Late production blades do not have bushings on LH side.

1шт.

38

D30756

BUSHING,51.02mm ID x 63.5mm OD x 31.8mm L

- inner and outer push beam, tilt cylinder and strut mounting lugs

10шт.

Late production blades do not have bushings on LH side.

1шт.

39

D33024

BUSHING,51.02mm ID x 63.5mm OD x 25.4mm L

- lift cylinder mounting lugs

4шт.

40

R28039

BLADE

CUTTING EDGE - center

1шт.

41

R28442

EDGE, CUTTING

CUTTING EDGE - end, standard, RH

1шт.

42

R28043

END

CUTTING EDGE - end, heavy duty, RH

1шт.

43

R28443

EDGE, CUTTING

CUTTING EDGE - end, standard, LH

1шт.

44

R28044

END

CUTTING EDGE - end, heavy duty, LH

1шт.

45

118-504

PLOW BOLT,3/4"-10 x 2 1/2", G8

BOLT - plow, 3/4" - 10 NC x 2-1/2", grade 8

25шт.

46

92-12

LOCK WASHER,3/4"

WASHER, LOCK, 3/4"

25шт.

47

25-1012

NUT,3/4"-10, G5

25шт.

Выбрано товаров: 49