Запчасти Case 1450 (354) - RIPPER MECHANICAL PARTS - 3 SHANK (09) - CHASSIS/ATTACHMENTS

Схема запчастей Case 1450 - (354) - RIPPER MECHANICAL PARTS - 3 SHANK (09) - CHASSIS/ATTACHMENTS
FIT
1:1
100%

Артикул

Название

Примечание

Количество

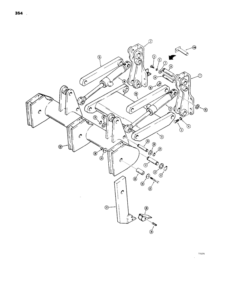
1

R38912

MOUNTING PARTS

PLATE - mounting, RH

1шт.

2

R38911

MOUNTING PARTS

PLATE - mounting, LH

1шт.

3

26-1644

BOLT,Hex, 1" - 8 x 2-3/4", Gr 8

HHCS - 1" - 8 NC x 2-3/4", grade 8

18шт.

4

D30196

WASHER

- hardened

18шт.

5

13-1020

BOLT,Hex, 5/8" - 11 x 1-1/4", Gr 5, Full Thd

6шт.

6

92-10

LOCK WASHER,5/8"

WASHER, LOCK, 5/8"

6шт.

7

70523

WASHER,16.67mm ID x 47.63mm OD x 6.35mm Thk

- special

6шт.

8

R26691

PIN

- mounting, lower and upper arms

4шт.

9

R38907

ARM

- ripper, lower

1шт.

10

R36114

ARM

- ripper, upper

2шт.

11

R26748

PIN

- mounting, lower and upper arms

4шт.

12

195-2155

WASHER,2 1/16" x 3" x .109"

- flat

8шт.

13

D26919

SNAP RING,#200, Ext

Ring, Snap, #200, Ext

8шт.

14

R26692

PIN

- mount, use R38184 pin

2шт.

14a

R38184

PIN

- mount

2шт.

15

R26690

WASHER

SPACER - washer, outer

2шт.

16

R26689

RING

SPACER - washer, inner

2шт.

17

REF

INSTRUCTION

CYLINDER - RH, see Figure 264 thru 268

1шт.

18

REF

INSTRUCTION

CYLINDER - LH, see Figure 264 thru 268

1шт.

19

R30449

PIN

- mounting, cylinder

2шт.

20

195-2152

WASHER,1 13/16" x 2 1/2" x .109"

- flat, 1-3/4"

4шт.

21

D25280

SNAP RING,#175, Ext

Ring, Snap, #175, Ext

4шт.

22

R36116

TOOL

BAR - tool, ripper shank

1шт.

23

13-1088

BOLT,Hex, 5/8" - 11 x 5-1/2", Gr 5

HHCS - 5/8" - 11 NC x 5-1/2"

3шт.

24

195-44

WASHER,5/8" x 2 3/8" x .165"

- flat, 5/8"

6шт.

25

R26693

PIN

- mounting, shank

3шт.

26

230-4117

LOCK NUT,7/16"-14, GA

NUT - hex, lock, 5/8" - 11 NC

3шт.

27

R38915

SHANK

- ripper, tooth

3шт.

28

L32090

PIN

PIN - flex, no. 25

3шт.

29

R26685

TOOTH

POINT - tooth, no. 25

3шт.

Выбрано товаров: 30