Запчасти Case 1450 (380) - FUEL TANK AND PLATES (09) - CHASSIS/ATTACHMENTS

Схема запчастей Case 1450 - (380) - FUEL TANK AND PLATES (09) - CHASSIS/ATTACHMENTS
FIT
1:1
100%

Артикул

Название

Примечание

Количество

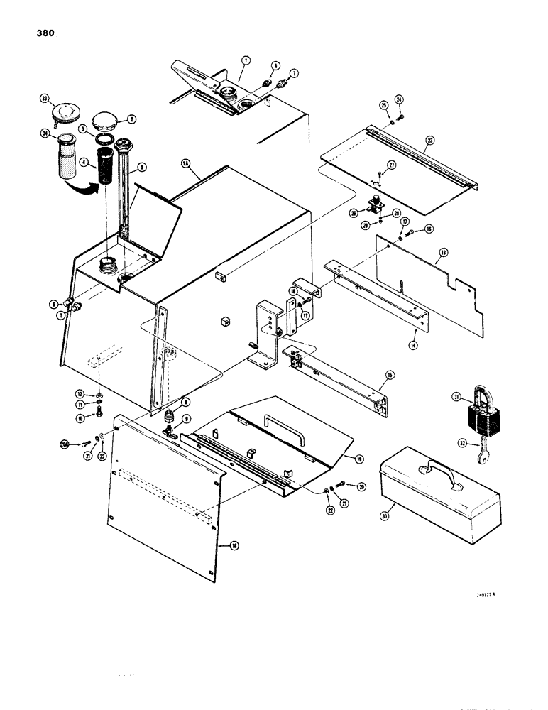
1

R29256

GUARD

TANK - fuel, used before tractor sn 8379036, used R33381 tank for service

1шт.

1a

R33381

TANK - fuel, models with RH parking brake, used tractor sn 8379036 thru 8379252

1шт.

For service, order R39369 tank, R39338 fuel cap and R39339 fuel strainer.

1шт.

1a

R35274

TANK

- fuel, models with LH parking brake used tractor sn 8379252 and after, uses refs 2, 3, and 4

1шт.

For service, order R39369 tank, R39338 fuel cap and R39339 fuel strainer.

1шт.

1a

R39369

FUEL TANK

TANK - fuel, uses refs 33 and 34

1шт.

2

D31747

COVER

CAP - fuel

1шт.

3

D34975

GASKET

- cap

1шт.

4

D36346

STRAINER ELEMENT

STRAINER - fuel

1шт.

5

R28475

FUEL GAUGE

GAUGE - fuel

1шт.

6

D33028

VALVE

- relief, air outlet

1шт.

7

D33027

BREATHER

VALVE - air inlet

1шт.

8

R27578

PLUG

- tank

1шт.

9

217-81

VALVE

- drain cock

1шт.

10

13-1020

BOLT,Hex, 5/8" - 11 x 1-1/4", Gr 5, Full Thd

4шт.

11

92-10

LOCK WASHER,5/8"

WASHER, LOCK, 5/8"

4шт.

12

195-41

WASHER,5/8"

4шт.

13

R31424

PLATE

- wheel

1шт.

14

R33636

ANGLE

- seat support, front

1шт.

15

R31427

ANGLE

- seat support, rear

1шт.

16

13-824

BOLT,Hex, 1/2" - 13 x 1-1/2", Gr 5, Full Thd

4шт.

17

92-8

LOCK WASHER,1/2"

4шт.

18

R28691

PLATE - cover, rear

1шт.

19

R28685

HOSE

PLATE - battery cover

1шт.

20

13-612

BOLT,Hex, 3/8" - 16 x 3/4", Gr 5, Full Thd

7шт.

20a

13-616

BOLT,Hex, 3/8" - 16 x 1", Gr 5, Full Thd

2шт.

21

92-6

LOCK WASHER,3/8"

9шт.

22

195-25

WASHER,3/8"

- flat, 3/8"

9шт.

23

R29299

PLATE - cover, tool box

1шт.

24

13-612

BOLT,Hex, 3/8" - 16 x 3/4", Gr 5, Full Thd

2шт.

25

92-6

LOCK WASHER,3/8"

2шт.

26

R25164

FASTENER

- pawl, adjustable

1шт.

27

13-410

BOLT,Hex, 1/4" - 20 x 5/8", Gr 5, Full Thd

2шт.

28

92-4

LOCK WASHER,1/4"

WASHER, LOCK, 1/4"

2шт.

29

25-104

NUT,1/4"-20, G5

2шт.

30

R28900

BOX, TOOL

BOX - tool

1шт.

31

R29556

LOCK

PAD LOCK, Includes: Ref. 32

7шт.

32

R29555

KEY

2шт.

33

R39338

CUP

CAP - fuel

1шт.

34

R39339

STRAINER ELEMENT

STRAINER - fuel

1шт.

Выбрано товаров: 40