Запчасти Case 1450 (076) - R27267 AND R34730 ALTERNATORS, PRESTOLITE (04) - ELECTRICAL SYSTEMS

Схема запчастей Case 1450 - (076) - R27267 AND R34730 ALTERNATORS, PRESTOLITE (04) - ELECTRICAL SYSTEMS
FIT
1:1
100%

Артикул

Название

Примечание

Количество

R27267

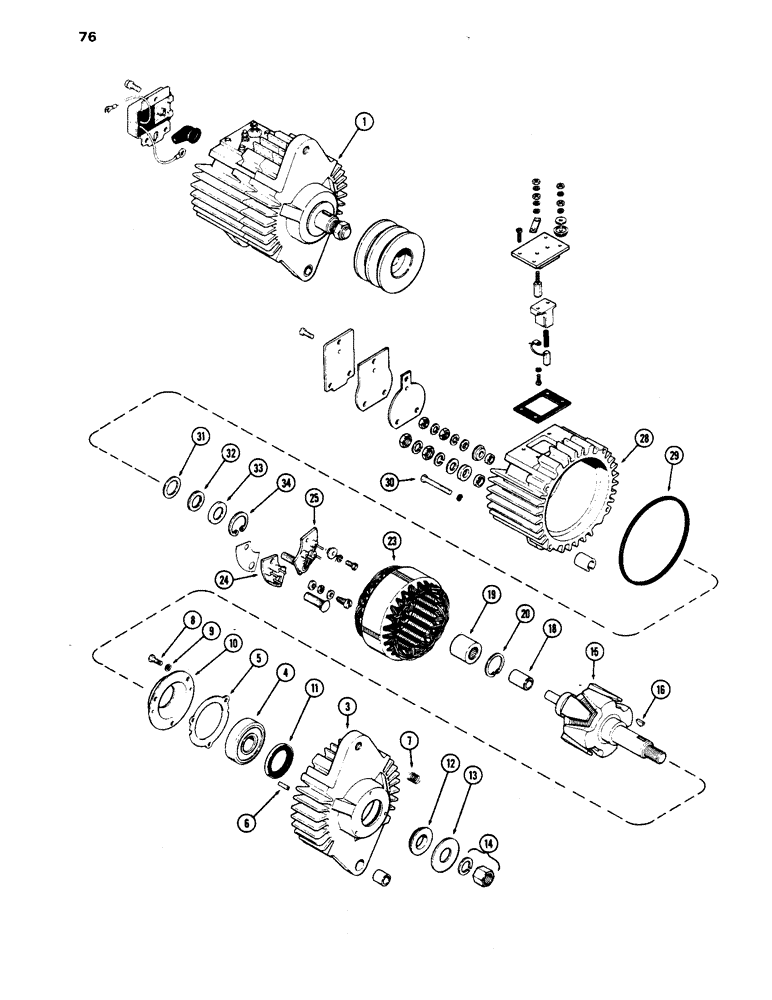
ALTERNATOR ASSY. - (Prestolite #ANB-7002 (Used in production only) (Order 1-A44794 alternator, 1-A45256 regulator & 1-A44442 pulley), Includes: Ref. 3 - 34

1шт.

R34730

ALTERNATOR ASSY. (Prestolite #ANB-7003) (Used in production only) (Order 1-A44794 alternator, 1-A45256 regulator & 1-A44442 pulley), Includes: Ref. 3 - 34

1шт.

1

A44794

ALTERNATOR

ALTERNATOR ASSY. - (Prestolite #ANB-6002) (Service Only) (Less pulley & regulator) (Replaces A44440), Includes: Ref. 3 - 34

1шт.

1

103799A1R

REMAN-ALTERNATOR

Remanufactured Alternator, 12 volt 63 ampere

1шт.

1

103799A1C

CORE-ALTERNATOR

Return Number

1шт.

A167152

ALTERNATOR

ALTERNATOR - 24 Volt 40 AMP

1шт.

104260A1R

REMAN-ALTERNATOR

Remanufactured 24 VOLT, 40 AMP Alternator

1шт.

104260A1C

CORE-ALTERNATOR

Return Number, 24 VOLT, 40 AMP Alternator

1шт.

A45245

HEAD (CYLINDER)

HEAD ASSY. - drive end (Replaces A44452), Includes: Ref. 3 - 13

1шт.

3

NSS

NOT SOLD SEPARAT

HEAD - drive end

1шт.

4

A44453

BALL BEARING

BEARING - ball (1 x 2-7/16 x 21/32")

1шт.

5

A44454

GASKET

GASKET - bearing retainer

1шт.

6

NSS

NOT SOLD SEPARAT

PIN - roll, head locating

1шт.

7

NSS

NOT SOLD SEPARAT

INSERT - thread adapter

1шт.

8

NSS

NOT SOLD SEPARAT

SCREW - bearing retainer

3шт.

9

NSS

NOT SOLD SEPARAT

WASHER - brg. ret. screw

3шт.

A44455

SEAL

PACKAGE - drive end seal & retainer, Includes: Ref. 10 - 13

1шт.

10

NSS

NOT SOLD SEPARAT

RETAINER - bearing

1шт.

11

NSS

NOT SOLD SEPARAT

SEAL - bearing (1-3/8 x 1-3/4 x 3/16")

1шт.

12

NSS

NOT SOLD SEPARAT

SPACER - bearing & seal

1шт.

13

NSS

NOT SOLD SEPARAT

WASHER - spacer retainer (7/8 x 2 x 3/64")

1шт.

14

A44457

NUT

PACKAGE - pulley nut & washer

1шт.

15

A44795

ROTOR

ROTOR ASSY. - w/inner brg. race (Replaces A44463)

1шт.

16

126-12

WOODRUFF KEY,#6, 5/32" x 5/8"

WOODRUFF KEY, , Pulley #6, 5/32" x 5/8"

1шт.

A44443

BEARING

PACKAGE - rotor bearing (This pkg. incl. some refs not used w/this alternator), Includes: Ref. 18 - 20

1шт.

18

NSS

NOT SOLD SEPARAT

RACE - needle bearing, inner

1шт.

19

NSS

NOT SOLD SEPARAT

BEARING - needle, outer race

1шт.

20

NSS

NOT SOLD SEPARAT

RING - snap, bearing stop

1шт.

A44458

STATOR

STATOR ASSY. - w/diodes, Includes: Ref. 23 - 25

1шт.

23

NSS

NOT SOLD SEPARAT

STATOR

1шт.

24

A44460

DIODE

DIODE ASSY. - positive

1шт.

25

NLS

NO LONGER SERVICED

ASSY. - negative

1шт.

28

A45246

HEAD

HEAD - slip ring end (Replaces A44456)

1шт.

29

A44451

GASKET

GASKET - sealing (5 x 5-3/16 x 3/32" rubber)

1шт.

A44444

SEAL ASSY.

PACKAGE - slip ring end seal & retainer, Includes: Ref. 31 - 34

1шт.

31

NSS

NOT SOLD SEPARAT

PLATE - felt seal retainer (7/8 x 1-1/4 x 1/32")

1шт.

32

NSS

NOT SOLD SEPARAT

WIPER - seal (3/4 x 1-3/16 x 1/8")

1шт.

33

NSS

NOT SOLD SEPARAT

RETAINER - felt seal

1шт.

34

NSS

NOT SOLD SEPARAT

RING - snap, seal retaining

1шт.

Выбрано товаров: 39