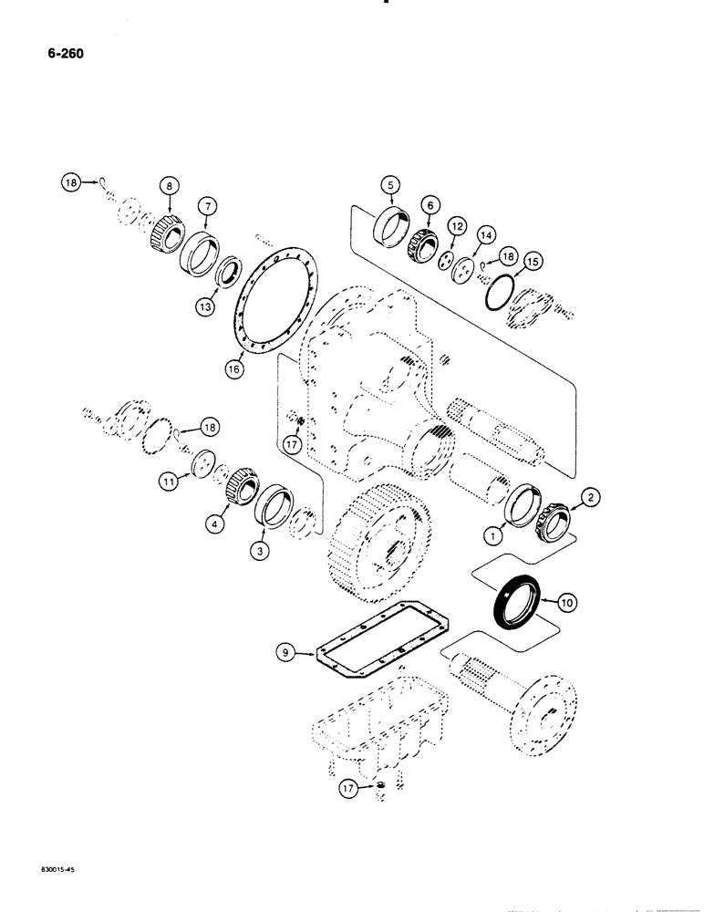
Запчасти Case 1450B (6-260) - TRANSMISSION SERVICE KITS, SINGLE-REDUCTION FINAL DRIVE ASSY FOR G104460 TRANS-1450B LOADER MODELS (06) - POWER TRAIN

Схема запчастей Case 1450B - (6-260) - TRANSMISSION SERVICE KITS, SINGLE-REDUCTION FINAL DRIVE ASSY FOR G104460 TRANS-1450B LOADER MODELS (06) - POWER TRAIN
FIT
1:1
100%

Артикул

Название

Примечание

Количество

G101834

DRIVE

KIT - overhaul, includes replacement parts for one final drive assembly only, Includes: Ref. 1 - 18

1шт.

1

L33731

BEARING CUP,154.9 mm OD x 27.9 mm

CUP - tapered roller bearing, outer, lower shaft

1шт.

2

L33736

ROLLER BEARING

TAPERED ROLLER BEARING - outer, lower shaft

1шт.

3

A50324

BEARING CUP

CUP - tapered roller bearing, inner, lower shaft

1шт.

4

1997115C1

TAPERED BEARING,82.575 mm ID x 39.738 mm

TAPERED ROLLER BEARING - inner, lower shaft

1шт.

5

L30821

BEARING CUP

- tapered roller bearing, outer, upper shaft

1шт.

6

1997116C1

TAPERED BEARING,82.575 mm ID x 39.738 mm

TAPERED ROLLER BEARING - outer, upper shaft

1шт.

7

A50713

BEARING ASSY

CUP - tapered roller bearing, inner, upper shaft

1шт.

8

921684C1

BEARING ASSY,2.9528" ID x 5.7087" OD x 2.0079"

TAPERED ROLLER BEARING - inner, upper shaft

1шт.

G101833

KIT

- seal, Includes: Ref. 9 - 18

1шт.

9

A50540

GASKET

- bottom cover

1шт.

10

G109655

SEAL

FACE SEAL - final drive shaft

1шт.

11

G102001

PLATE

- end, final drive shaft

1шт.

12

G101997

SHIM,.005" Thk

(0.127 mm), End plate .005" Thk

6шт.

12

G101998

SHIM,.007" Thk

(0.178 mm), End plate .007" Thk

6шт.

12

G101999

SHIM,.020" Thk

(0.508 mm), End plate .020" Thk

3шт.

13

A32015

SEAL,82.55mm ID x 114.3mm OD x 11.91mm Thk

OIL SEAL - pinion shaft

1шт.

14

G102106

PLATE

- end, pinion shaft

2шт.

15

A27384

O-RING,0.139" Thk x 5.234" ID, -252, Cl 5, 75 Duro

- pinion shaft cover

2шт.

16

A50725

SHIM,.007" Thk

(0.178 mm), Housing to transmission .007" Thk

3шт.

16

A50726

SHIM,.005" Thk

(0.127 mm), Housing to transmission .005" Thk

3шт.

17

G102141

SEALING WASHER

- copper, drain plug

2шт.

18

391-804

ELECTRICAL WIRE

WIRE - tie, if used

3шт.

Выбрано товаров: 23