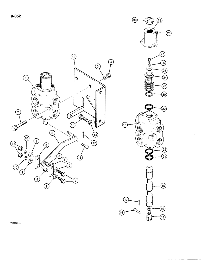
Запчасти Case 1450B (8-352) - SELECTOR VALVE AND CONTROLS, ANGLE TILT PITCH DOZER MODELS ONLY, R24819 SELECTOR VALVE (08) - HYDRAULICS

Схема запчастей Case 1450B - (8-352) - SELECTOR VALVE AND CONTROLS, ANGLE TILT PITCH DOZER MODELS ONLY, R24819 SELECTOR VALVE (08) - HYDRAULICS
FIT
1:1
100%

Артикул

Название

Примечание

Количество

1

R24819

VALVE

SELECTOR VALVE - parts list below

1шт.

2

113-257

BOLT,Hex, 3/8" - 16 x 2-1/2", Gr 5

2шт.

3

192-21

LOCK WASHER,3/8"

WASHER, LOCK, 3/8"

2шт.

4

129-103

NUT,Hex, 3/8" - 16, Gr 5

NUT, 3/8"-16, G5

2шт.

5

R28968

LEVER

HANDLE - valve

1шт.

6

R27514

LINK

- handle to heel plate

2шт.

7

113-17

BOLT,Hex, 1/4" - 20 x 1-1/4", Gr 5

2шт.

8

R30545

BUSHING

SPACER - valve handle links

2шт.

9

195-102

WASHER,1/4"

- flat, , plated 1/4"

4шт.

10

192-19

LOCK WASHER,Helical Spring, 0.256" ID, CST, ZND

WASHER, LOCK, 1/4"

2шт.

11

7770

NUT,Hex, 1/4 - 20, Cl 5

1/4"-20, G5

2шт.

12

R28963

BRACKET

- mounting, selector valve

1шт.

13

113-207

BOLT,Hex, 3/8" - 16 x 1", Gr 5

2шт.

14

192-21

LOCK WASHER,3/8"

WASHER, LOCK, 3/8"

2шт.

R24819

VALVE

SELECTOR VALVE ASSEMBLY - tilt-pitch hydraulic circuit, Includes: Ref. 15 - 30

1шт.

15

NSS

NOT SOLD SEPARAT

HOUSING AND SPOOL - valve

1шт.

16

R24869

AXLE PIN

CLEVIS PIN - spool eye

1шт.

17

132-328

COTTER PIN,1/16" x 1/2"

PIN, SPLIT (COTTER), 1/16" x 1/2"

1шт.

18

R24867

CLEVIS

- spool eye

1шт.

19

193-68

LOCK WASHER,Int Tooth, 3/8"

WASHER, LOCK, Int Tooth, 3/8"

1шт.

20

D23692

SNAP RING,#100, Ext, Crescent

Ring, Snap, , spool #100, Ext, Crescent

1шт.

21

R24871

SEAL

- dust

1шт.

22

R24866

RING

SEAL - square section, spool

2шт.

23

N8540

SPRING

- valve

1шт.

24

R24872

SPRING SEAT

SEAT - spring

1шт.

25

R33483

WASHER

- special

1шт.

26

192-19

LOCK WASHER,Helical Spring, 0.256" ID, CST, ZND

WASHER, LOCK, 1/4"

1шт.

27

61-48

HEX SOC SCREW,1/4"-20 x 1/2"

BOLT - hex socket head, 1/4" - 20 NC x 1/2"

1шт.

28

61-412

HEX SOC SCREW,1/4"-20 x 3/4"

BOLT - hex socket head, 1/4" - 20 NC x 3/4"

2шт.

29

N6521

CAP

- end

1шт.

30

N6522

PLUG

- dust, plastic

1шт.

Выбрано товаров: 31