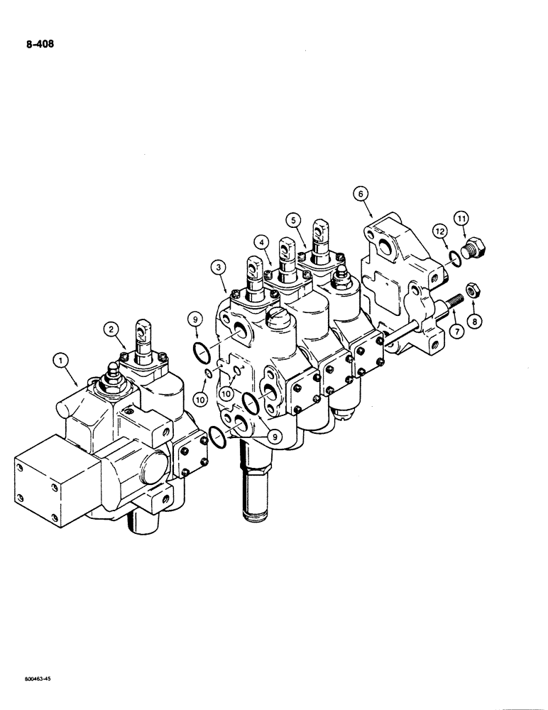
Запчасти Case 1450B (8-408) - FOUR SPOOL VALVE, HYDRAULIC ANGLE TILT PITCH DOZER MODELS W/RIPPER (08) - HYDRAULICS

Схема запчастей Case 1450B - (8-408) - FOUR SPOOL VALVE, HYDRAULIC ANGLE TILT PITCH DOZER MODELS W/RIPPER (08) - HYDRAULICS
FIT
1:1
100%

Артикул

Название

Примечание

Количество

R43787

LOCK VALVE

VALVE ASSEMBLY - four spool, Cross No. 6LR004-250167, Includes: Ref. 1 - 12

1шт.

1

N13120

VALVE

SECTION - inlet and outlet, parts list Fig. 8-414

1шт.

2

D80365

VALVE

SECTION - blade tilt and pitch, parts list Fig. 8-424

1шт.

3

N6637

VALVE

SECTION - blade lift, parts list Fig. 8-422

1шт.

4

D80365

VALVE

SECTION - blade angle, parts list Fig. 8-424

1шт.

5

R40790

SEGMENT

SECTON - ripper or auxiliary, parts list Fig. 8-426

1шт.

6

R40789

PLATE

COVER - end

1шт.

7

R40792

TIE-ROD

STUD - tie, special

4шт.

8

129-104

NUT,7/16"-14, G5

4шт.

9

R30990

O-RING,0.103" Thk x 1.174" ID, -123, Cl 6, 90 Duro

- large

15шт.

10

G102845

O-RING,0.07" Thk x 0.489" ID, -14, Cl 6, 90 Duro

- small

10шт.

11

129998

PLUG,1/2" - 20 ORB

Incl. Ref. 12 Hex Hd, 1/2"-20 ORB

1шт.

12

218-5004

O-RING,0.072" Thk x 0.414" ID, -905, Cl 6, 90 Duro

5-1, 90 Duro, .414" ID x .072" Thk, plug

1шт.

Выбрано товаров: 13