Запчасти Case 1450B (8-410) - 2 SPOOL VALVE LODR MODELS, 3 SPOOL VALVE LODR MODELS W/RIPPER OR CLAM BUCKET (08) - HYDRAULICS

Схема запчастей Case 1450B - (8-410) - 2 SPOOL VALVE LODR MODELS, 3 SPOOL VALVE LODR MODELS W/RIPPER OR CLAM BUCKET (08) - HYDRAULICS
FIT
1:1
100%

Артикул

Название

Примечание

Количество

R43039

LOCK VALVE

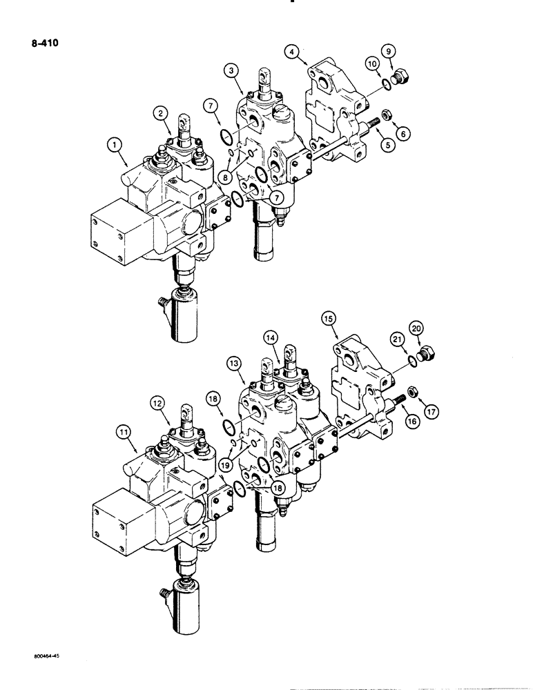
VALVE ASSEMBLY - two wpool, Cross No. 6LR002-250157, Includes: Ref. 1 - 10

1шт.

1

N13119

VALVE

SECTION - inlet and outlet, parts list Fig. 8-414

1шт.

2

N6635

VALVE

SECTION - bucket tilt, parts list Fig. 8-420

1шт.

3

D80332

VALVE

SECTION - bucket lift, parts list Fig. 8-418

1шт.

4

R40789

PLATE

COVER - end

1шт.

5

D80333

TIE-ROD

STUD - tie, special

4шт.

6

129-104

NUT,7/16"-14, G5

4шт.

7

R30990

O-RING,0.103" Thk x 1.174" ID, -123, Cl 6, 90 Duro

- large

9шт.

8

G102845

O-RING,0.07" Thk x 0.489" ID, -14, Cl 6, 90 Duro

- small

6шт.

9

129998

PLUG,1/2" - 20 ORB

Incl. Ref. 10 Hex Hd, 1/2"-20 ORB

1шт.

R43040

LOCK VALVE

VALVE ASSEMBLY - three spool, Cross No. 6LR003-250158, Includes: Ref. 11 - 21

1шт.

11

N13119

VALVE

SECTION - inlet and outlet, parts list Fig 8-414

1шт.

12

N6635

VALVE

SECTION - bucket tilt, parts list Fig. 8-420

1шт.

13

D80332

VALVE

SECTION - bucket lift, parts list Fig. 8-418

1шт.

14

R40790

SEGMENT

SECTION - ripper, clam bucket or auxiliary, parts list Fig. 8-426

1шт.

15

R40789

PLATE

COVER - end

1шт.

16

R40791

TIE-ROD

STUD - hex, 7/16" - 14 NC, plated

4шт.

17

129-104

NUT,7/16"-14, G5

4шт.

18

R30990

O-RING,0.103" Thk x 1.174" ID, -123, Cl 6, 90 Duro

- large

12шт.

19

G102845

O-RING,0.07" Thk x 0.489" ID, -14, Cl 6, 90 Duro

- small

8шт.

20

129998

PLUG,1/2" - 20 ORB

Incl. Ref. 21 Hex Hd, 1/2"-20 ORB

1шт.

10

218-5004

O-RING,0.072" Thk x 0.414" ID, -905, Cl 6, 90 Duro

5-1, 90 Duro, .414" ID x .072" Thk, plug

1шт.

21

218-5004

O-RING,0.072" Thk x 0.414" ID, -905, Cl 6, 90 Duro

5-1, 90 Duro, .414" ID x .072" Thk, plug

1шт.

Выбрано товаров: 23