Запчасти Case 1450B (8-414) - INLET-OUTLET SECTION (08) - HYDRAULICS

Схема запчастей Case 1450B - (8-414) - INLET-OUTLET SECTION (08) - HYDRAULICS
FIT
1:1
100%

Артикул

Название

Примечание

Количество

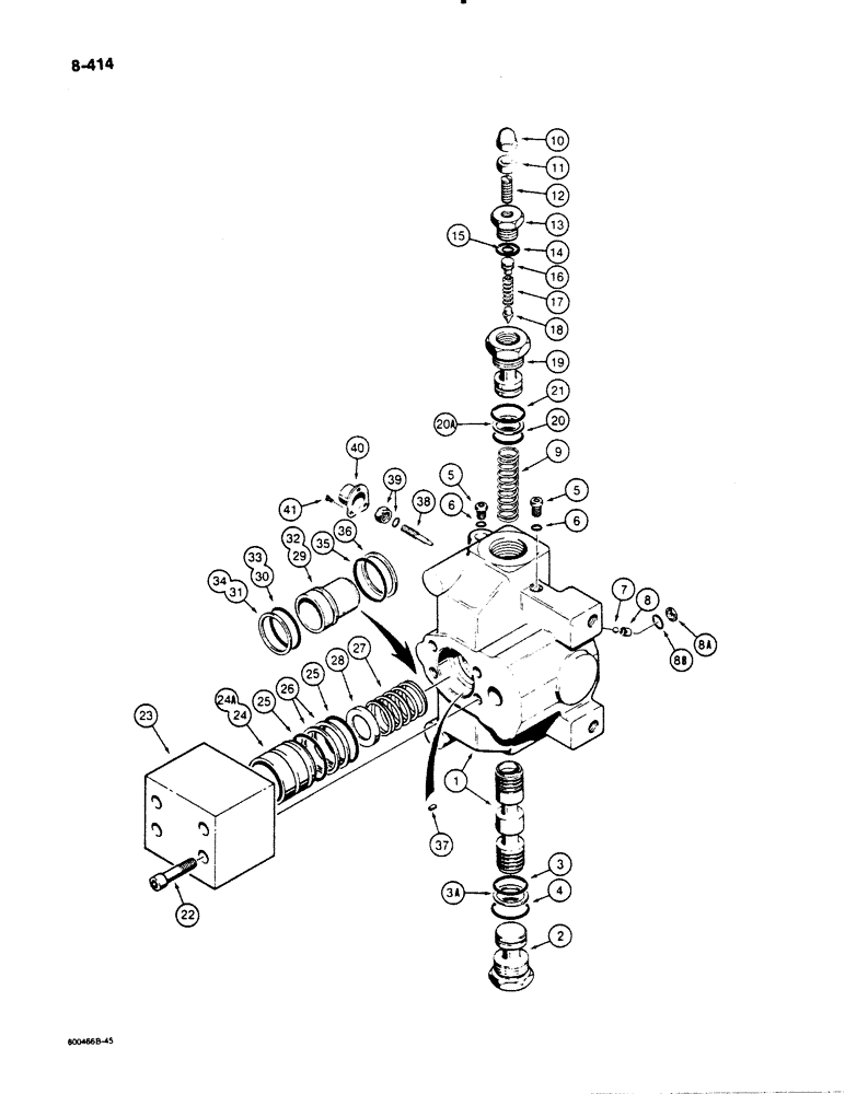
N6633

HYDRAULIC VALVE

SECTION ASSEMBLY - inlet, outlet, dozer models, uses N7807 anticavitation spool shown below, assembly no longer available, replace with N13120 section assembly, Includes: Ref. 1 - 41

1шт.

N13120

VALVE

SECTION ASSEMBLY - inlet-outlet, dozer models, uses N13121 anticavitation spool shown below, if used, Includes: Ref. 1 - 41

1шт.

N6634

VALVE

SECTION ASSEMBLY - inlet-outlet, loader models, uses N7807 anticavitation spool shown below, assembly no longer available, replace with N13119 section assembly, Includes: Ref. 1 - 41

1шт.

N13119

VALVE

SECTION ASSEMBLY - inlet-outlet, loader models, uses N13121 anticavitation spool shown below, if used, Includes: Ref. 1 - 41

1шт.

1

NSS

NOT SOLD SEPARAT

BODY AND SPOOL - section

1шт.

2

R30842

PLUG

ASSEMBLY - section, Includes: Ref. 3, 3A and 4

1шт.

3

R30989

O-RING,0.103" Thk x 0.862" ID, -118, Cl 6, 90 Duro

- small, inner

1шт.

3a

A41161

WASHER

BACKUP RING - small O-ring

1шт.

4

218-5009

O-RING,0.116" Thk x 1.048" ID, -914, Cl 6, 90 Duro

- large, outer

1шт.

5

86632547

PLUG,Hex, 5/16"-24 ORB

Includes Ref. 6 Hex Soc, 5/16"-24 ORB

2шт.

6

218-5001

O-RING,0.064" Thk x 0.239" ID, -902, Cl 6, 90 Duro

2-1, .239" ID x .064" Thk, plug

1шт.

7

211-355

BALL

- steel, 3/16" diameter

1шт.

8

R30854

RETAINER

- ball

1шт.

8a

N7809

ORIFICE

PLATE - cover, if used

1шт.

8b

G102845

O-RING,0.07" Thk x 0.489" ID, -14, Cl 6, 90 Duro

- plate

1шт.

9

R30853

SPRING

- flow control

1шт.

R30843

VALVE

ASSEMBLY - pilot relief, Includes: Ref. 10 - 23

1шт.

10

129-526

CROWN NUT,Low, 3/8" - 24

DOME NUT - 3/8" - 24 NF

1шт.

11

86585245

SPECIAL NUT,JAM, 5/8" - 18

- hex, jam, 3/8" - 24 NF, plated

1шт.

12

D55933

SCREW

ADJUSTING SCREW - section

1шт.

13

R30975

PLUG

- pilot, Includes: Ref. 14

1шт.

14

237-6008

O-RING,0.087" Thk x 0.644" ID, -908, Cl 6, 90 Duro

8-1, 90 Duro, .644" ID x .087" Thk, Plug

1шт.

15

A30825

O-RING,0.364" ID x 0.504" OD x 0.07"

- piston

1шт.

16

D55932

PISTON

- relief

1шт.

17

R30980

SPRING

- relief

1шт.

18

R30979

SPOOL

PLUNGER - pilot

1шт.

19

R30976

CARTRIDGE

BODY - relief valve assembly, Includes: Ref. 20, 20A and 21

1шт.

20

R30989

O-RING,0.103" Thk x 0.862" ID, -118, Cl 6, 90 Duro

- small, inner

1шт.

20a

A41161

WASHER

BACKUP RING - small O-ring

1шт.

21

218-5009

O-RING,0.116" Thk x 1.048" ID, -914, Cl 6, 90 Duro

- large, outer

1шт.

22

61-452

HEX SOC SCREW

BOLT - hex socket head, 1/4" - 20 NC x 3-1/4", replaces 2" or 3" long screws used on some models

4шт.

23

D65194

TUBE NUT

ADAPTER - block, outlet

1шт.

N7808

SLEEVE CYLINDER

SLEEVE ASSEMBLY - anticavitation, must be used with N7807 spool (see ref. 29), if used, Includes: Ref. 24 - 26

1шт.

N13122

SLEEVE

ASSEMBLY - anticavitation, must be used with N13121 spool (see ref. 32), if used, Includes: Ref. 24 - 26

1шт.

24

NSS

NOT SOLD SEPARAT

SLEEVE - spool, N7808 sleeve assembly only

1шт.

24a

NSS

NOT SOLD SEPARAT

SLEEVE - spool, N13122 sleeve assembly only

1шт.

25

D26820

O-RING,0.103" Thk x 1.549" ID, -129, Cl 5, 75 Duro

- use with either sleeve

2шт.

26

S110725

RING

BACKUP RING - use with wither sleeve

2шт.

27

D80369

SPRING

- anticavitation

1шт.

28

D80372

RETAINER

- spring

1шт.

N7807

SPOOL

ASSEMBLY - anticavitation, must be used with N7808 sleeve assembly (measure ref. 29 spool OD for identification), if used, Includes: Ref. 29 - 31

1шт.

N7807 and N13121 anticavitation spool assemblies are not interchangeable. When replacing the anticavitation spool in your section measure the spool OD at sleeve mating end as indicated above and purchase an identical spool. Be sure spool at true OD, not at chamber.

1шт.

29

NSS

NOT SOLD SEPARAT

SPOOL - anticavitation, 1-1/2" (38 mm) OD at sleeve end

1шт.

30

A16755

O-RING

- N7807 anticavitation spool

1шт.

31

D80370

WASHER

BACKUP RING - O-ring, 1-1/2" OD x 1-3/8" ID

1шт.

N13121

SPOOL

ASSEMBLY - anticavitation, must be used with N13122 sleeve assembly (measure ref. 32 spool OD for identification) if used

1шт.

N7807 and N13121 anticavitation spool assemblies are not interchangeable. When replacing the anticavitation spool in your section measure the spool OD at sleeve mating end as indicated above and purchase an identical spool. Be sure spool at true OD, not at chamber.

1шт.

32

NSS

NOT SOLD SEPARAT

SPOOL - anticavitation, 1-7/16" (36 mm) OD at sleeve end

1шт.

33

S5620

O-RING,1.301" ID x 1.441" OD x 0.07"

- N13121 anticavitation spool

1шт.

34

N13123

WASHER

BACKUP RING - O-ring, 1-7/16" OD x 1-5/16" ID, split Teflon

1шт.

35

A16755

O-RING

- body, section

1шт.

36

D80370

WASHER

BACKUP RING - body O-ring

1шт.

37

D70590

ORIFICE

RESTRICTOR - orifice

1шт.

38

N7806

VALVE

- needle, relief

1шт.

39

N6738

NUT

- sealing, needle valve, 5/16" - 24 NF

1шт.

40

N6926

COVER ASSY

COVER - sealing nut

1шт.

41

168-62

DRIVE SCREW,Type U, Rnd Hd, #4 x 1/4"

MACHINE SCREW - round head, No. 4-40 NC x 1/4", plated

3шт.

Выбрано товаров: 57