Запчасти Case 1450B (5-196) - CASE LUBRICATED TRACK CHAIN, IF USED, WITH SPLIT MASTER (11) - TRACKS/STEERING

Схема запчастей Case 1450B - (5-196) - CASE LUBRICATED TRACK CHAIN, IF USED, WITH SPLIT MASTER (11) - TRACKS/STEERING
FIT
1:1
100%

Артикул

Название

Примечание

Количество

R50439

CHAIN (CE)

36 unit, used on all models except 78" (1981 mm) gauge LGP dozer models, use with Intertrac one-piece sprocket or R48199 segmented sprocket only, Includes: Ref. 1 - 11

2шт.

For sprocket options, see Figures. 5-166, 5-168, and 5-170.

1шт.

R50443

CHAIN (CE)

39 unit, used on 78" (1981 mm) gauge LGP dozer models only, use with Intertrac one-piece sprocket or R48199 segmented sprocket only, Includes: Ref. 1 - 11

2шт.

For sprocket options, see Figures. 5-166, 5-168, and 5-170.

1шт.

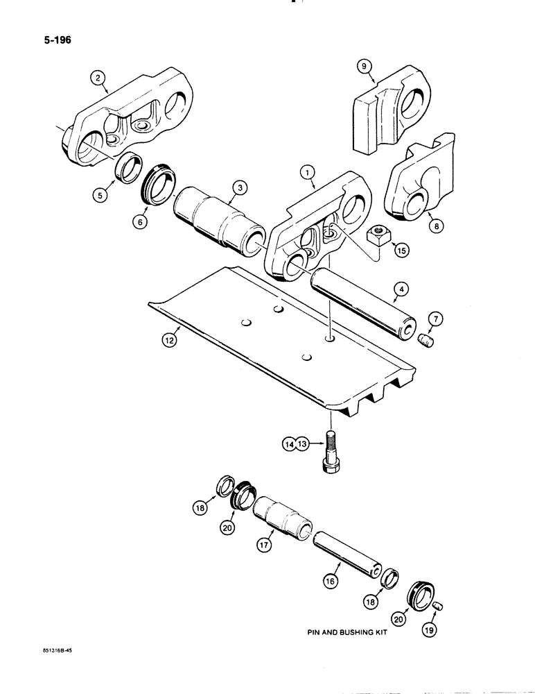
1

R50431

DRAG LINK

LINK - track, right-hand (Requires 35 - 38)

38шт.

2

R50432

DRAG LINK

track, left-hand (Requires 35 - 38)

38шт.

3

R50437

BUSHING

track pin, 2-3/4" (70 mm) OD (Requires 36 - 39)

39шт.

4

R50438

PIN

- Track (Requires 36 - 39)

39шт.

5

R50442

SPACER

seal (Requires 72 - 78)

78шт.

6

R50440

SEAL

track pin (Requires 72 - 78)

78шт.

7

R50441

PLUG

track pin (Requires 36 - 39)

39шт.

R52636

LARGE PLATE

MASTER LINK ASSEMBLY - right-hand, Includes: Ref. 8 and 9

1шт.

8

NSS

NOT SOLD SEPARAT

LINK - track, master, fits over track pin on outside of regular track link, right-hand

1шт.

9

NSS

NOT SOLD SEPARAT

LINK - track, master, fits over bushing on inside of regular track link, right-hand

1шт.

R52635

LARGE PLATE

MASTER LINK ASSEMBLY - left-hand, not shown, Includes: Ref. 10 and 11

1шт.

10

NSS

NOT SOLD SEPARAT

LINK - track, master, fits over track pin on outside of regular track link, left-hand, not shown

1шт.

11

NSS

NOT SOLD SEPARAT

LINK - track, master, fits over bushing on inside of regular track link, left-hand, not shown

1шт.

12

REF

INSTRUCTION

TRACK SHOE - see Figs. 5-198 and 5-200 for options (Requires 72 - 78)

78шт.

13

R29245

BOLT

special, use with all track shoes except self-cleaning (Requires 288 - 312)

312шт.

14

R43090

BOLT

special, use with self-cleaning track shoes only, see Fig. 5-200

312шт.

15

R29246

NUT

special, square, not used on master link bolts (Requires 280 - 304)

304шт.

R51742

SET

KIT - pin and bushing, includes instruction sheet, Includes: Ref. 16 - 21

1шт.

16

R50438

PIN

- Track

78шт.

17

R50437

BUSHING

track pin

78шт.

18

R50442

SPACER

seal

156шт.

19

R50441

PLUG

track pin, bushing kit services comoplete track chain, both sides for 36 & 39 assy

78шт.

20

R50440

SEAL

track pin, bushing kit services comoplete track chain, both sides for 36 & 39 assy

156шт.

21

345-140

SEALANT

ADHESIVE - gasket, Scotch Grip No. 847, 1 pint, for link pin bores, not shown, bushing kit services comoplete track chain, both sides for 36 & 39 assy

1шт.

Выбрано товаров: 28