Запчасти Case 1450B (4-104) - R43343 STARTER ASSEMBLY, DELCO-REMY (04) - ELECTRICAL SYSTEMS

Схема запчастей Case 1450B - (4-104) - R43343 STARTER ASSEMBLY, DELCO-REMY (04) - ELECTRICAL SYSTEMS
FIT
1:1
100%

Артикул

Название

Примечание

Количество

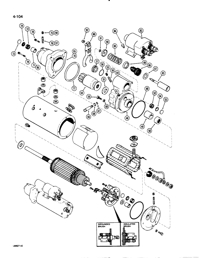
R43343

STARTER MOTOR

STARTER ASSEMBLY - engine, Includes: Ref. 48 - 98 and Ref. 2 - 43 on Figure 4-102

1шт.

48

R21579

HOUSING

ASSEMBLY - shift lever, Includes: Ref. 49 - 56

1шт.

49

A47261

BUSHING

- armature

1шт.

50

R21582

OIL SEAL

- oil

1шт.

51

R15145

DISC

WASHER - brake

1шт.

52

A41923

PLUG

- felt

1шт.

53

41-57

PLUG,Exp, 1 1/32"

- reservoir

1шт.

54

A41973

GASKET

- plug

1шт.

55

221-1041

PLUG

- oil wick

1шт.

56

R15023

WICK

- oil

1шт.

57

R21587

PLUG

- lever housing

1шт.

58

A41924

GASKET

- plug

1шт.

59

114-1

BOLT,Hex, 1/4" - 28 x 1", Gr 5

5шт.

60

192-19

LOCK WASHER,Helical Spring, 0.256" ID, CST, ZND

WASHER, LOCK, 1/4"

5шт.

64

A47523

DRIVE

ASSEMBLY - starter

1шт.

65

D32547

LEVER

- shifter

1шт.

66

A42199

PIN

STUD - pivot, shift lever

1шт.

67

A47259

O-RING,0.244" ID x 0.391" OD

- small, pivot stud

1шт.

68

A47258

O-RING,0.369" ID x 0.515" OD

- large, pivot stud

1шт.

69

G46146

SNAP RING,#37, Ext

Ring, Snap, , pivot stud #37, Ext

1шт.

70

A44168

HOUSING

ASSEMBLY - drive end (See Ref. 95), Includes: Ref. 71 - 76

1шт.

71

A47257

BUSHING

- armature

1шт.

72

A41923

PLUG

- felt

1шт.

73

41-57

PLUG,Exp, 1 1/32"

- reservoir

1шт.

74

A41973

GASKET

- plug

1шт.

75

221-1041

PLUG

- oil wick

1шт.

76

R15023

WICK

- oil

1шт.

77

R21562

GASKET

- drive end to shifter housing

1шт.

78

D32489

HEX SOC SCREW,5/16" - 18 x 0.86"

SCREW - housing (Short)

1шт.

79

D32488

HEX SOC SCREW,5/16" - 18 x 1.50"

SCREW - housing (Long)

5шт.

80

D31954

O-RING,0.139" Thk x 4.11" ID, -243, Cl 5, 75 Duro

- drive end

1шт.

83

A42376

SWITCH

SOLENOID ASSEMBLY - starter (See Fig. 4-106)

1шт.

84

R15159

SCREW,Hex, 1/4" - 20 x 3/8", w/ LW

- solenoid

1шт.

85

A42309

PLUNGER

- solenoid

1шт.

86

A42308

BOOT

- plunger

1шт.

87

A41922

WASHER

SEAT - boot

1шт.

88

A41242

SPRING

- plunger return

1шт.

89

A43380

BACK-UP RING

SEAT - spring (Inner)

1шт.

90

A43419

SEAT

- spring (Outer)

1шт.

91

G46146

SNAP RING,#37, Ext

Ring, Snap, , spring retainer #37, Ext

1шт.

92

131-31

LOCK NUT,5/16"-24, G8

NUT - plunger to lever

1шт.

95

A47898

HOUSING

ASSEMBLY - drive end (See Ref. 70), Includes: Ref. 96 - 98

1шт.

96

A47257

BUSHING

- armature

1шт.

97

A47888

WICK

- oil

1шт.

98

A47889

PLUG

- housing

1шт.

Выбрано товаров: 45