Запчасти Case 1450B (6-212) - DRIVE SHAFT (06) - POWER TRAIN

Схема запчастей Case 1450B - (6-212) - DRIVE SHAFT (06) - POWER TRAIN
FIT
1:1
100%

Артикул

Название

Примечание

Количество

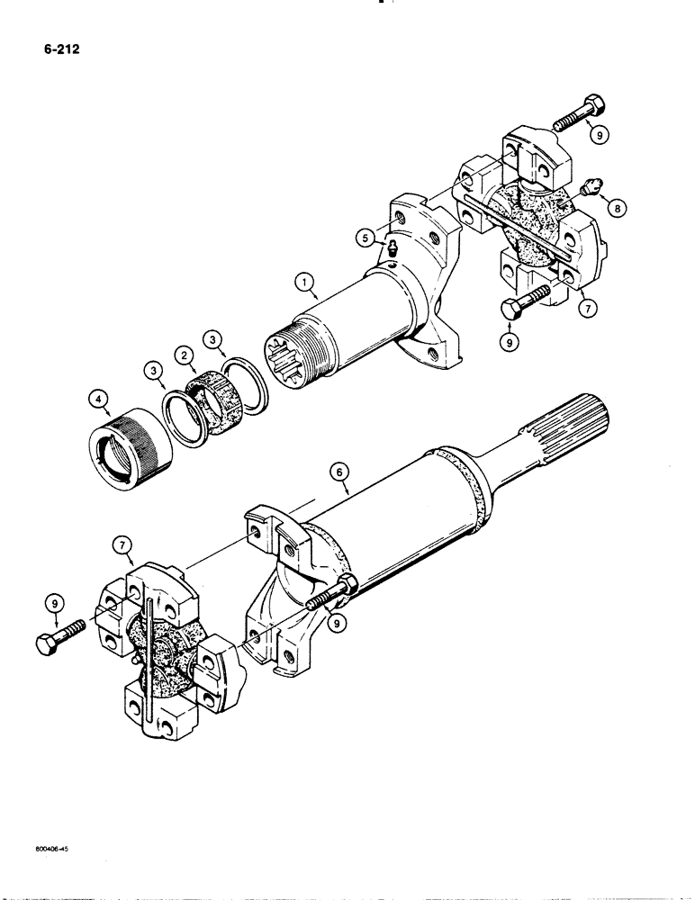
R37917

DRIVE SHAFT

ASSEMBLY - torque converter to transmission, Includes: Ref. 1 - 9

1шт.

D73676

YOKE

ASSEMBLY - tube, torque converter end, Includes: Ref. 1 - 5

1шт.

1

NSS

NOT SOLD SEPARAT

YOKE - driveshaft

1шт.

2

D73711

FELT SEAL

WASHER - felt

1шт.

3

D73712

WASHER

- felt retaining

2шт.

4

A19923

CAP

- felt retaining

1шт.

5

219-1

LUBE NIPPLE,1/8" - 27 NPTF

GREASE FITTING - straight, 1/8" NPT

1шт.

6

D73675

TUBE,3" OD x 14.375" L

SHAFT - drive, transmission end

1шт.

L36151

KIT

UNIVERSAL JOINT ASSEMBLY - drive shaft, with dust shields, Includes: Ref. 7 - 9

2шт.

7

NSS

NOT SOLD SEPARAT

UNIVERSAL JOINT - drive shaft

1шт.

8

219-417

LUBE NIPPLE,1/4" - 28 NPTF

GREASE FITTING - straight, 1/4" - 28, tapered, may replace shorter grease fitting on some models

1шт.

9

328-628

BOLT,Hex, 3/8" - 24 x 1-3/4", Gr 8

- hex, 3/8"-24 NF x 1-3/4", grade 8, phosphate coated

8шт.

Выбрано товаров: 12