Запчасти Case 1455B (7-296) - POWER BRAKES - PEDALS AND LINKAGE (07) - BRAKES

Схема запчастей Case 1455B - (7-296) - POWER BRAKES - PEDALS AND LINKAGE (07) - BRAKES
FIT
1:1
100%

Артикул

Название

Примечание

Количество

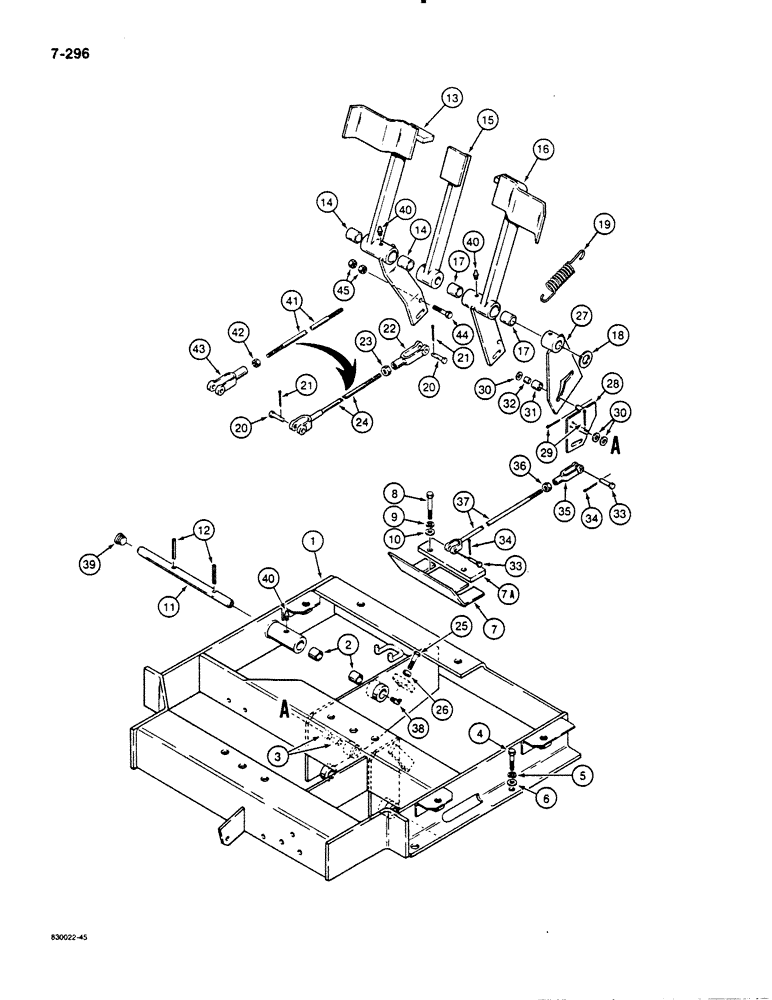
1

R49009

FRAME

- brake mounting, with U-type retainer for springs, may replace frame with eyelet-type spring retainer on some models, Includes: Ref. 2 and 3

1шт.

2

R29752

BUSHING

- pedal shaft

2шт.

3

R27466

BUSHING

- follower camshaft

2шт.

4

113-417

BOLT,Hex, 1/2" - 13 x 1-1/4", Gr 5, Full Thd

4шт.

5

192-23

LOCK WASHER,1/2"

WASHER, LOCK, 1/2"

4шт.

6

195-533

WASHER,1/2", SAE

- flat, 1/2", plated

4шт.

7

R28561

PLATE

STOP - brake pedals

1шт.

7a

R36511

BLOCK

- pedal stop

1шт.

8

113-441

BOLT,Hex, 1/2" - 13 x 2-1/4", Gr 5

Hex, 1/2"-13 x 2 1/4", G5

2шт.

9

192-23

LOCK WASHER,1/2"

WASHER, LOCK, 1/2"

2шт.

10

195-533

WASHER,1/2", SAE

- flat, 1/2", plated

2шт.

11

R32494

SHAFT

- brake

1шт.

12

138-137

LOCK PIN,1/4" x 1 3/8", Slotted

PIN, 1/4" x 1 3/8", Slotted

2шт.

13

R28641

PEDAL

- brake, left-hand, Includes: Ref. 14

1шт.

14

R29752

BUSHING

- pedal

2шт.

15

R28643

PEDAL

- modulator

1шт.

16

R28635

PEDAL

- brake, right-hand, Includes: Ref. 17

1шт.

17

R29752

BUSHING

- pedal

2шт.

18

D35268

SHIM,1/32" Thk

(0.762 mm) 1/32" Thk

1шт.

19

A35789

SPRING

- pedal return

2шт.

20

141-53

CLEVIS PIN,5/16" x .940"

plated 5/16" x .940"

4шт.

21

132-320

COTTER PIN,3/32" x 3/4"

PIN, SPLIT (COTTER), 3/32" x 3/4"

4шт.

22

H44198

YOKE

CLEVIS - 5/16" - 24 NF, plated, may replace fiberglass clevis

2шт.

23

129-122

NUT,5/16"-24, G5

2шт.

24

R41912

ROD

- brake control, no longer used, order R46019 rod, 129-122 nut, and 213-3 clevis (refs. 41 - 43)

2шт.

25

113-412

BOLT,Hex, 1/2" - 13 x 1-3/4", Gr 5

1шт.

26

129-105

NUT,Hex, 1/2" - 13, Gr 5

1шт.

27

R27491

CAM

- modulator

1шт.

28

R33694

BRACKET

FOLLOWER - cam

1шт.

29

132-320

COTTER PIN,3/32" x 3/4"

PIN, SPLIT (COTTER), 3/32" x 3/4"

2шт.

30

195-525

WASHER,3/8", SAE

- flat, 3/8", plated

3шт.

31

R27497

COLLAR

BOSS - cam, Includes: Ref. 32

1шт.

32

R27466

BUSHING

- boss

1шт.

33

141-52

CLEVIS PIN,1/4" x .770"

- 1/4", plated

2шт.

34

132-5

COTTER PIN,1/16" x 1/2"

Pin, Split (Cotter), 1/16" x 1/2"

2шт.

35

213-2

ADJUSTABLE CLEVIS,1/4"-28 x 2"

CLEVIS - 1/4" - 28 NF, steel, may replace fiberglass clevis

1шт.

36

129-121

NUT,1/4"-28, G5

1шт.

37

R36501

ROD

- modulator control

1шт.

38

219-36

LUBE NIPPLE,45 Degree Elbow, 1/8" - 27 NPTF

GREASE FITTING - 45 degree, 1/8" NPT

1шт.

39

221-845

PLUG,Hex Soc, 3/4"-14

- hex socket head, 3/4"

1шт.

40

219-1

LUBE NIPPLE,1/8" - 27 NPTF

GREASE FITTING - straight, 1/8" NPT

3шт.

41

R46019

ROD

- brake control

2шт.

42

129-122

NUT,5/16"-24, G5

2шт.

43

H44198

YOKE

CLEVIS - 5/16" - 24 NF, plated, may replace fiberglass clevis

2шт.

44

113-104

BOLT,Hex, 5/16" - 18 x 1-1/4", Gr 5

2шт.

45

9635082

NUT,5/16" - 18, Gr 5

4шт.

Выбрано товаров: 46