Запчасти Case 1455B (2-16) - INTAKE MANIFOLD, 504BDT DIESEL ENGINE, EXHAUST MANIFOLD (02) - ENGINE

Схема запчастей Case 1455B - (2-16) - INTAKE MANIFOLD, 504BDT DIESEL ENGINE, EXHAUST MANIFOLD (02) - ENGINE
FIT
1:1
100%

Артикул

Название

Примечание

Количество

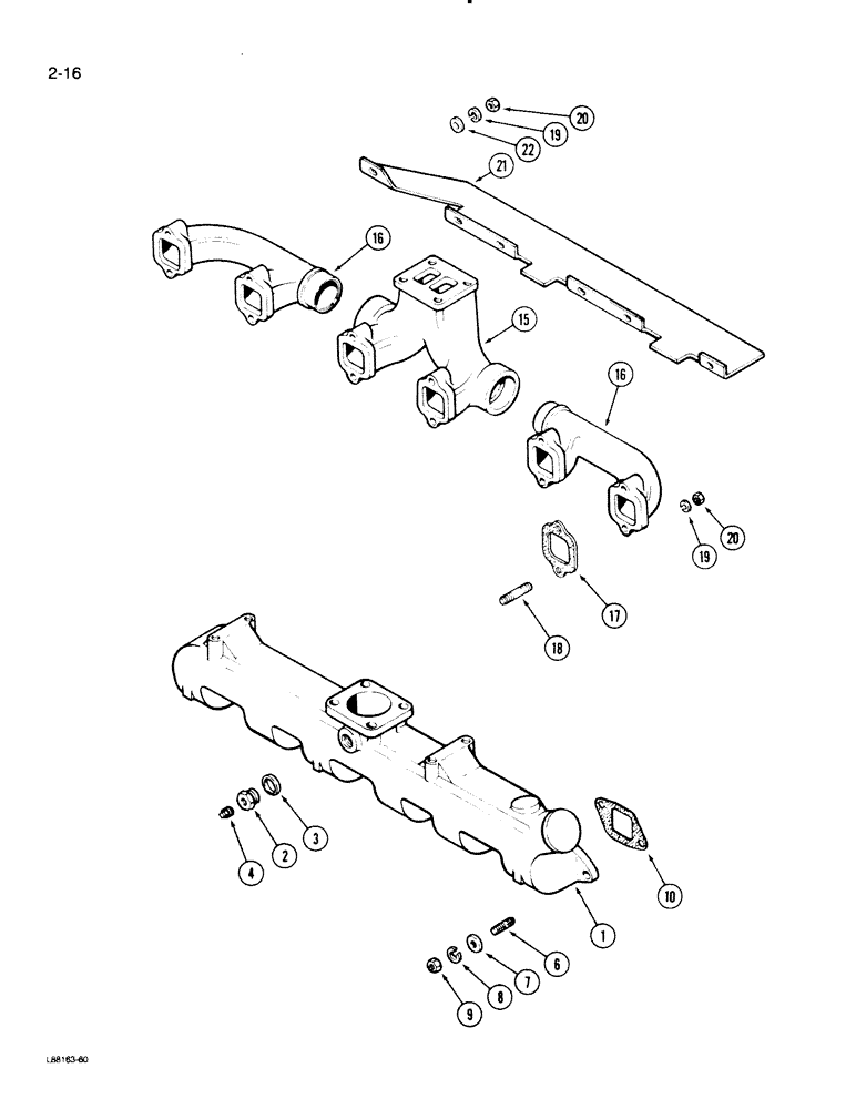
1

A154446

MANIFOLD

ASSEMBLY - intake, Includes: Ref. 2 and 3

1шт.

2

L10283

PLUG

- heater

1шт.

3

A20916

MANIFOLD GASKET

GASKET - plug

1шт.

4

221-1849

PLUG

- square head, 1/8 inch PT

1шт.

6

A59077

STUD

- manifold to head, 1-13/16 inch

12шт.

7

195-25

WASHER,3/8"

- flat, 13/32 x 13/16 x 1/16 inch

12шт.

8

92-6

LOCK WASHER,3/8"

12шт.

9

25-166

NUT,3/8"-16, G5, Hvy

- hex, 3/8 inch NC

12шт.

10

A58662

MANIFOLD GASKET

-, Serial Range: manifold-head

6шт.

15

A76322

MANIFOLD

- center section

1шт.

16

A65917

MANIFOLD

- end section

2шт.

17

A58895

GASKET

-, Serial Range: manifold-head

6шт.

18

A140924

STUD

- manifold to head, 2-7/16 inch

12шт.

19

92-6

LOCK WASHER,3/8"

12шт.

20

131-903

NUT,3/8"-16

NUT - hex, 3/8 inch NC (Seezpruf)

12шт.

21

A76351

GUARD

SHIELD - heat, manifold (Engine Serial No. 10335337 and after)

1шт.

22

195-25

WASHER,3/8"

- flat, 13/32 x 13/16 x 1/16 inch

6шт.

Выбрано товаров: 17