Запчасти Case 1455B (3-66) - FUEL INJECTION SYSTEM, 504BDT DIESEL ENGINE, PRIOR TO ENGINE SN 10335337 (03) - FUEL SYSTEM

Схема запчастей Case 1455B - (3-66) - FUEL INJECTION SYSTEM, 504BDT DIESEL ENGINE, PRIOR TO ENGINE SN 10335337 (03) - FUEL SYSTEM
FIT
1:1
100%

Артикул

Название

Примечание

Количество

1

REF

INSTRUCTION

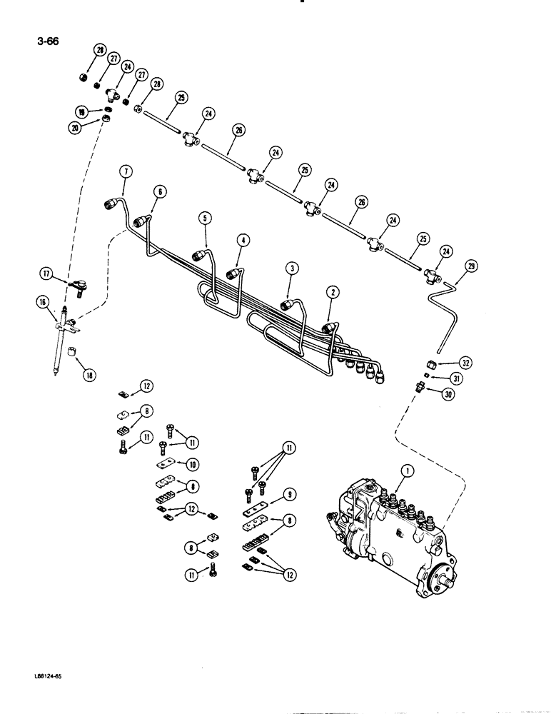
PUMP ASSEMBLY - fuel injection (See Fig. 3-74)

1шт.

2

A58702

TUBE

ASSEMBLY - pump to No. 1 injector

1шт.

3

A58703

TUBE

ASSEMBLY - pump to No. 2 injector

1шт.

4

A58704

TUBE

ASSEMBLY - pump to No. 3 injector

1шт.

5

A58705

TUBE

ASSEMBLY - pump to No. 4 injector

1шт.

6

A58706

TUBE

ASSEMBLY - pump to No. 5 injector

1шт.

7

A58707

TUBE

ASSEMBLY - pump to No. 6 injector

1шт.

8

A58709

BRACKET

- tube clamp

14шт.

9

A58708

PLATE

- tube bracket (for 3 tubes)

1шт.

10

A58710

PLATE

- tube bracket (for 2 tubes)

1шт.

11

163-19

SCREW,Sl Hex Wshr Hd, #10 - 24 x 1"

- slotted hex, No. 10 x 1 inch

7шт.

12

131-612

SPRING NUT,Flat, #10 - 24, 0.022" Thk

NUT - speed, No. 10

7шт.

16

REF

INSTRUCTION

NOZZLE ASSEMBLY - fuel injector (See Fig. 3-76)

6шт.

17

A58695

CLAMP

- nozzle mounting

6шт.

18

A58696

SPACER

- clamp

6шт.

19

A58962

GROMMET,9.14mm ID x 12.82mm OD x 5.28mm Thk

- nozzle leak off

6шт.

20

A58961

NUT

- nozzle to leak off

6шт.

24

A58960

TEE,1/2" - 25 NPT x 1/2" - 25 NPT x 9/16" - 24 NPT

TEE - leak off tube

6шт.

25

A58965

TUBE

- leak off, 4-5/8 inch long

3шт.

26

A58964

TUBE

- leak off, 5-5/8 inch long

2шт.

27

222-102

SLEEVE,1/4" Tube

12шт.

28

87017024

TUBE NUT,1/2"-24

NUT - for 1/4 inch tube

12шт.

29

A58963

TUBE

- leak, Serial Range: off-pump

1шт.

30

A28098

VALVE

ASSEMBLY - check, Includes: Ref. 31 and 32

1шт.

31

222-102

SLEEVE,1/4" Tube

1шт.

32

87017024

TUBE NUT,1/2"-24

NUT - for 1/4 inch tube

1шт.

Выбрано товаров: 26