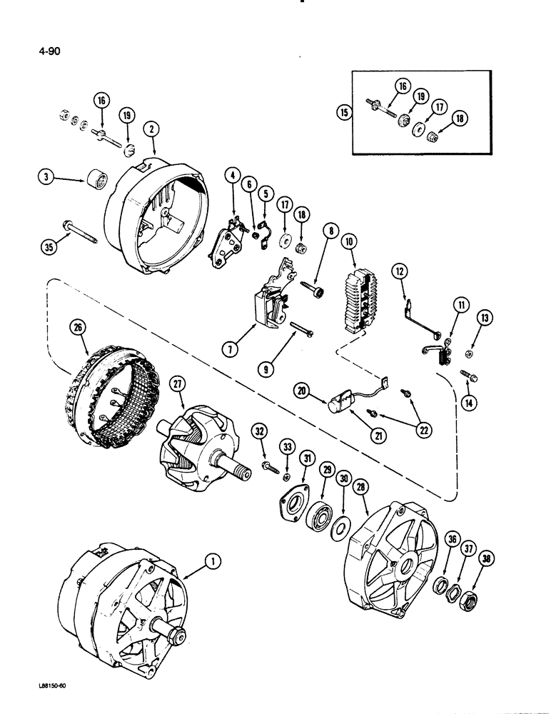
Запчасти Case 1455B (4-090) - L101485 ALTERNATOR ASSEMBLY, METRIC EXTERNAL THREADS (04) - ELECTRICAL SYSTEMS

Схема запчастей Case 1455B - (4-090) - L101485 ALTERNATOR ASSEMBLY, METRIC EXTERNAL THREADS (04) - ELECTRICAL SYSTEMS
FIT
1:1
100%

Артикул

Название

Примечание

Количество

1

A47484

ALTERNATOR

Alternator Assembly - engine (Remanufactured), Includes: Ref. 2 - 38

1шт.

1

A47485

CORE-ALTERNATOR

Alternator Assembly - core number, Used to return used alternator for credit, Includes: Ref. 2 - 38

1шт.

1

L101465

ALTERNATOR

ALTERNATOR ASSEMBLY - (New) (Delco-Remy #1103123) (Without fan and pulley), Includes: Ref. 2 - 38

1шт.

1

104260A1R

REMAN-ALTERNATOR

Remanufactured 24 VOLT, 40 AMP Alternator

1шт.

1

104260A1C

CORE-ALTERNATOR

Return Number, 24 VOLT, 40 AMP Alternator

1шт.

2

A47595

FRAME

FRAME ASSEMBLY - slip ring end, Includes: Ref. 3

1шт.

3

A47578

ROLLER BEARING,0.6694" ID x 0.937" OD x 0.73"

BEARING - roller

1шт.

4

A46890

REGULATOR

REGULATOR - coltage (Replaces A45372)

1шт.

5

A45369

ELECTRICAL WIRE

WIRE LEAD - regulator

1шт.

6

A45368

NUT

NUT - lead to regulator stud

1шт.

7

A47042

HOLDER

HOLDER ASSEMBLY - brush, with brushes

1шт.

8

A45223

SCREW,Spcl, #8 - 32 x 1 1/8"

SCREW - brush holder (Insulated)

2шт.

9

A47043

SCREW,#8 - 32 x 21"

SCREW - brush holder (grounded)

1шт.

10

A45394

RECTIFIER

BRIDGE ASSEMBLY - rectifier

1шт.

11

A48339

DIODE

DIODE - trio (Replaces A45219)

1шт.

12

A47045

TERMINAL CONNECTOR

TERMINAL - relay

1шт.

13

129-16

NUT,#8-32

NUT, #8-32

3шт.

14

A45221

SCREW,Hex Wshr Hd, #8 - 32 x 0.99"

SCREW - rectifier bridge

1шт.

15

A47597

TERMINAL CONNECTOR

TERMINAL ASSEMBLY - battery, Includes: Ref. 16 - 19

1шт.

16

NSS

NOT SOLD SEPARAT

STUD - terminal

1шт.

17

NSS

NOT SOLD SEPARAT

INSULATOR - terminal stud

1шт.

18

NSS

NOT SOLD SEPARAT

NUT ASSEMBLY - outer

1шт.

19

NSS

NOT SOLD SEPARAT

NUT ASSEMBLY - inner

1шт.

20

A45017

CAPACITOR

CAPACITY ASSEMBLY - alternator, Includes: Ref. 21

1шт.

21

A45227

CLAMP

BRACKET - capacitor

1шт.

22

A45228

SELF-TAP SCREW,Hex Wash Hd, #8-32 x .59", Spc

SCREW - capacitor mounting and lead

2шт.

26

A47048

ARMATURE

STATOR ASSEMBLY - alternator

1шт.

27

A47050

TORQ CONV IMPELLER

ROTOR ASSEMBLY - alternator

1шт.

28

A46933

FRAME

FRAME - drive end (Replaces A47386)

1шт.

29

465004R91

BEARING ASSY,0.6693" ID x 1.5748" OD x 0.4724"

BEARING - ball (Replaces A47579)

1шт.

30

A45232

WASHER

SLINGER - grease

1шт.

31

A44433

PLATE

PLATE - ball bearing retainer

1шт.

32

173-210

SCREW,Sl Rnd Hd, #10 - 24 x 3/8"

SCREW - retainer plate, No. 10-24 x 3/8 inch

3шт.

33

195-512

WASHER,#10

WASHER - retainer plate screw

3шт.

35

163-6

SCREW,Hex, #10 - 24 x 1 3/4"

BOLT - through

4шт.

36

A49733

COLLAR

COLLAR - rotor shaft, outer (Replaces A47580)

1шт.

37

R16171

SPRING WASHER

WASHER - lock, drive pulley and fan

1шт.

38

A25546

NUT

NUT - pulley and fan retaining

1шт.

Выбрано товаров: 38