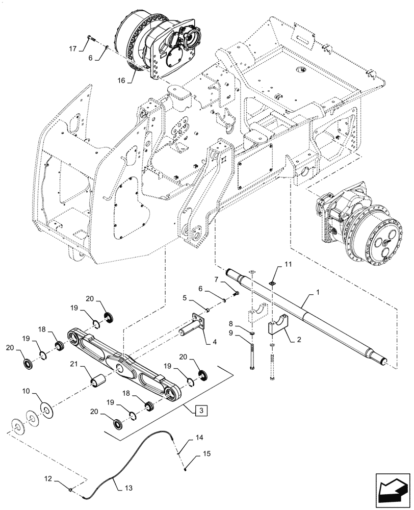
Запчасти Case 1650M LGP PAT (48.110.010) - SUSPENSION, WIDE, GAUGE (48) - TRACKS & TRACK SUSPENSION

Схема запчастей Case 1650M LGP PAT - (48.110.010) - SUSPENSION, WIDE, GAUGE (48) - TRACKS & TRACK SUSPENSION
20
17
11
9
19
4
13
6
2
3
18
14
15
20
19
12
10
1
20
16
19
20
21
8
7
5
6
19
18
FIT
1:1
100%

Артикул

Название

Примечание

Количество

1

47912116

SHAFT

Pivot, 86 Gauge, LGP

1шт.

2

47548945

BEARING CAP

Pivot Shaft

4шт.

3

47750987

BEAM

Equalizer, LGP, 86 Gauge, Incl 18 - 21

1шт.

4

47721224

PIN

Center, Equalizer Beam

1шт.

5

87652972

BUSHING,20.6mm ID x 31.7mm OD 20.6mm H

2шт.

6

87655047

SPECIAL WASHER,21.25mm ID x 38.10mm OD x 4.20mm Thk

38шт.

7

87563127

BOLT,Hex, M20 x 50mm, Cl 10.9

2шт.

8

87016610

WASHER,25.8mm ID x 44.5mm OD x 5mm Thk

8шт.

9

47568002

BOLT,Hex, M24 x 290mm, Cl 10.9

8шт.

10

47798377

SPACER,70.4mm ID x 178mm OD x 3mm Thk

1шт.

10

47798378

SPACER,70.4mm ID x 178mm OD x 5mm Thk

1шт.

10

47798379

SPACER,70.4mm ID x 178mm OD x 10mm Thk

1шт.

11

47558732

SPACER,3mm Thk

1шт.

11

47558734

SPACER,4mm Thk

1шт.

11

47558736

SPACER,5mm Thk

1шт.

11

47558738

SPACER,6mm Thk

1шт.

11

47558742

SPACER,8mm Thk

1шт.

11

47558743

SPACER,9mm Thk

1шт.

12

217-1014

ELBOW,1/8" - 27 Female x 1/8" - 27 Male

1шт.

13

47948448

HYDRAULIC HOSE,1430mm L

Grease, Service Line, 1430mm L

1шт.

14

76085536

NUT,1/8-27 NPSM

1шт.

15

219-8

LUBE NIPPLE,1/4" - 28 NPTF

1шт.

16

47887686

FINAL DRIVE

Assy, LGP

2шт.

17

87371130

BOLT,Hex, M20 x 80mm, Cl 10.9

36шт.

18

76041311

SPHERICAL BEARING,60mm ID x 90mm OD x 44mm W

2шт.

19

11062476

SNAP RING,M90, Int

4шт.

20

47699773

SEALING RING,57mm ID x 111mm OD x 14mm H

Equalizer Bearing

4шт.

21

47705693

BUSHING,70mm ID x 90mm OD x 125mm L

1шт.

Выбрано товаров: 0