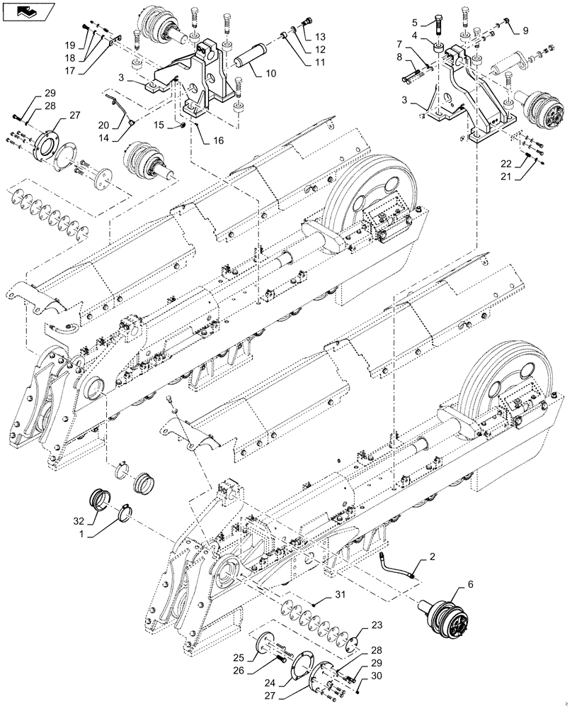
Запчасти Case 1650M WT/LGP (48.130.AN[01]) - UNDERCARRIAGE, LONG (48) - TRACKS & TRACK SUSPENSION

Схема запчастей Case 1650M WT/LGP - (48.130.AN[01]) - UNDERCARRIAGE, LONG (48) - TRACKS & TRACK SUSPENSION
8
19
6
home
21
17
7
11
9
23
13
12
28
24
30
18
15
29
14
1
3
20
22
4
29
32
10
5
27
27
26
31
16
25
2
3
28
FIT
1:1
100%

Артикул

Название

Примечание

Количество

1

214-3172

HOSE CLAMP,3-3/4" - 4-5/8", HD Worm

Hose Clamp

1шт.

2

84563169

HOSE ASSY.,6.35mm ID x 290mm L, SAE 100R7

Hose Assy.

1шт.

3

84406488

BRACKET

Equalizer Beam

2шт.

4

84341998

SPACER,25mm ID x 57.15mm OD x 33mm L

Equalizer Bracket

8шт.

5

84345492

BOLT,Hex, M24 x 110mm, Cl 10.9

Locking Bolt, M24 x 110, 10.9

8шт.

6

87582766

ROLLER

Carrier Roller

2шт.

7

87563152

WASHER,17mm ID x 26.5mm OD x 4mm Thk

17 x 26.5 x 4mm

8шт.

8

827-16120

BOLT,Hex, M16 x 2 x 120mm, Cl 10.9

4шт.

9

86512555

NUT,M16 x 2, Cl 10

4шт.

10

84340093

PIN,59.95mm OD x 213.1mm L

Cross Centerbeam

2шт.

11

87652972

BUSHING,20.6mm ID x 31.7mm OD 20.6mm H

2шт.

12

87713134

SPECIAL WASHER

M20 21.25 x 38.1 x 4.2 HTS

2шт.

13

87563127

BOLT,Hex, M20 x 50mm, Cl 10.9

M20 x 50 Full 10.9

2шт.

14

217-1014

ELBOW,1/8" - 27 Female x 1/8" - 27 Male

4шт.

15

87447306

SQUARE NUT,M12 x 21mm x 21mm x 11mm H ZND Cl 5A

Square, M12 x 1.75

4шт.

16

336371A1

PIN,4.88mm OD x 14.23mm L

Nut Retainer

4шт.

17

87599553

COVER PLATE

Painted Cover Plate

2шт.

18

87713132

SPECIAL WASHER,10.7mm ID x 23mm OD x 2.2mm Thk

M10, 10.65 x 23.0 x 2.2 HTS

8шт.

19

86566268

LOCK BOLT,Prev Torque, Hex, M12 x 1.75 x 35mm, Cl 8.8, Full Thd

M12 x 35

4шт.

20

87567381

HOSE ASSY.

Grease

2шт.

21

F53473

LOCK NUT,1/8-27 NPSM

1/8 - 27 NPSM Bank Lube Hose

2шт.

22

219-8

LUBE NIPPLE,1/4" - 28 NPTF

2шт.

23

R28436

SHIM,69.85mm ID x 96.52mm OD x 0.79mm Thk

Pivot Shaft

16шт.

24

R27377

GASKET,0.38mm Thk

2шт.

25

R36950

PLATE

Pivot Shaft End

2шт.

26

627-16050

BOLT,Hex, M16 x 2 x 50mm, Cl 10.9, Full Thd

6шт.

27

87599552

COVER

Painted Pivot Shaft Cover

2шт.

28

892-11012

LOCK WASHER,M12

10шт.

29

814-12050

BOLT,Hex, M12 x 1.75 x 50mm, Cl 8.8

10шт.

30

217-432

PLUG,Hex Soc, 1/4" - 18 NPTF

2шт.

31

217-429

PLUG,Hex Soc, 1/8" - 27 NPTF

2шт.

32

CASR42082

SEAL

Pivot Shaft

2шт.

Выбрано товаров: 32