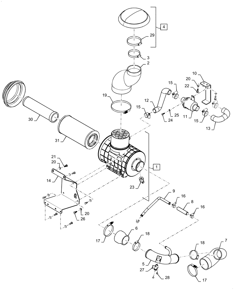
Запчасти Case 1650M XLT (10.202.AK[01]) - AIR INTAKE AND AFTER NFC105000 (10) - ENGINE

Схема запчастей Case 1650M XLT - (10.202.AK[01]) - AIR INTAKE AND AFTER NFC105000 (10) - ENGINE
20
26
28
1
23
10
8
13
21
20
16
29
25
12
24
20
27
9
15
22
17
31
5
18
16
6
18
15
15
4
2
3
7
30
14
11
17
19
FIT
1:1
100%

Артикул

Название

Примечание

Количество

1

47459041

AIR CLEANER

Incl 23, 30, 31

1шт.

2

47879961

AIR INTAKE

Air, Intake

1шт.

3

47846551

HOSE CLAMP

Hose, 4.75 / 5.625 Constant Torque

1шт.

4

L10659

CAP

Air Cleaner Inlet, Incl 29

1шт.

5

84371197

AIR INTAKE TUBE

Cleaner

1шт.

6

84467779

INTAKE AIR HOSE

1шт.

7

84467781

INTAKE AIR HOSE

To Turbo

1шт.

8

47517569

HOSE,19.05mm ID x 80mm L, SAE 30R2

CCV

2шт.

9

47512034

TUBE

Plated Air Intake

1шт.

10

47393585

BRACKET

1шт.

11

406089A2

VALVE

Aspirator Check

1шт.

12

84378396

HOSE

Intake Air, Aspirator to Valve

1шт.

13

84371205

HOSE

Intake Air, Aspirator to Exhaust

1шт.

14

47393536

BRACKET

1шт.

15

76084436

HOSE CLAMP,1.25" - 2.12", Worm Gear

1.250/2.125 Constant Torque

4шт.

16

86625021

HOSE CLAMP,17.5mm - 31.7mm, Worm Gear

1.0/1.75 Constant Torque

4шт.

17

L127771

CLAMP,107.95mm - 130.18mm

Hose, Collare

2шт.

18

76086813

CLAMP,3.25" - 4.12", Worm Gear

Hose, 3.25 x 4.125 Constant Torque

2шт.

19

87437258

CLAMP,6.75" - 7.62", Worm Gear

Hose, 6.750/7.625 Constant Torque

1шт.

20

87655046

SPECIAL WASHER,10.65mm ID x 23mm OD x 2.2mm Thk

M10 X 10.65 X 23.0 X 2.2 HTS Boron

9шт.

21

9515003

BOLT,Hex, M10 x 1.5 x 30mm, Cl 10.9

4шт.

22

43140

BOLT,Hex, M10 x 1.5 x 30mm, Cl 8.8

2шт.

23

279492A1

RESTRICTION SWITCH

Air Filter

1шт.

24

43127

BOLT,Hex, M8 x 1.25 x 25mm, Cl 8.8

1шт.

25

86629542

NUT,M8 x 1.25, Cl 8.8

1шт.

26

43138

BOLT,Hex, M10 x 1.5 x 20mm, Cl 8.8

3шт.

27

87482355

SENSOR

1шт.

28

9804255

BOLT,Hex, M6 x 1 x 16mm, Full Thd, Cl 8.8

2шт.

29

214-1472

HOSE CLAMP,#72, 4.06" - 5", Type F Worm

Incl 4

1шт.

30

82028151

AIR FILTER

Inner Engine Air Cleaner Assembly

1шт.

31

82028977

AIR FILTER

Element And Seal Assembly, Engine Air Cleaner

1шт.

Выбрано товаров: 31