Запчасти Case 1650M XLT (39.100.AB[05]) - MAIN FRAME BD (39) - FRAMES AND BALLASTING

Схема запчастей Case 1650M XLT - (39.100.AB[05]) - MAIN FRAME BD (39) - FRAMES AND BALLASTING
11
13
11
18
5
2
6
22
13
20
6
1
7
14
11
11
13
15
3
8
9
10
12
14
21
13
14
2
17
15
22
19
12
4
16
10
FIT
1:1
100%

Артикул

Название

Примечание

Количество

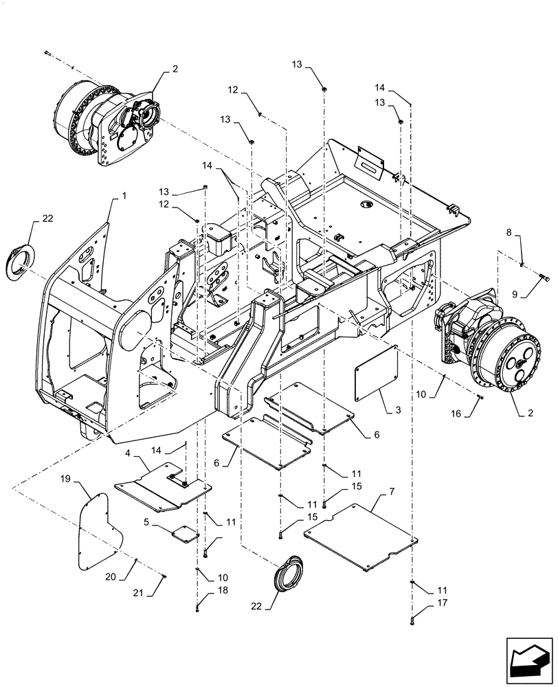
1

47714101

FRAME

Main, BD, Narrow Gauge, Power Tan

1шт.

2

47863738

FINAL DRIVE

For Narrow Gauge Frame, CE Gray

2шт.

2

47863738R

REMAN-GEARBOX

Reman Final Drive

2шт.

2

47863738C

CORE-GEARBOX

Return Number

2шт.

3

84375567

COVER

Fender

2шт.

4

84530204

COVER PLATE

Front Belly

1шт.

5

84375837

PLATE

Oil Drain Cover

1шт.

6

84544923

PLATE

Rear Belly Pan

2шт.

7

84530201

COVER PLATE

Rear Belly Pan

1шт.

8

87655047

SPECIAL WASHER,21.25mm ID x 38.10mm OD x 4.20mm Thk

36шт.

9

608-20080

BOLT,Hex, Lock, M20 x 80, Cl 10.9

36шт.

10

87655043

WASHER,M12, 13.65mm ID x 24.90mm OD x 3.20mm, HT Boron, ZNM

12шт.

11

87655044

SPECIAL WASHER,17.75mm ID x 31.50mm OD x 4.20mm, HTS Boron, ZNM

16шт.

12

87447306

SQUARE NUT,M12 x 21mm x 21mm x 11mm H ZND Cl 5A

M12 x 1.75 ZND

12шт.

13

405737A2

SQUARE NUT,M16 x 26mm x 26mm x 16mm H ZND CL 5A

16шт.

14

336371A1

PIN,4.88mm OD x 14.23mm L

Nut Retainer

28шт.

15

412398

BOLT,Hex, M16 x 2 x 50mm, Cl 10.9, Full Thd

8шт.

16

9706702

BOLT,Hex, M12 x 1.75 x 50mm, Cl 8.8

8шт.

17

86837482

BOLT,Hex, M16 x 55, 10.9, Full Thd

8шт.

18

337476

BOLT,Hex, M12 x 1.75 x 50mm, Cl 10.9

4шт.

19

84578277

COVER

Plate, Forward Frame

2шт.

20

87655046

SPECIAL WASHER,10.65mm ID x 23mm OD x 2.2mm Thk

16шт.

21

43140

BOLT,Hex, M10 x 1.5 x 30mm, Cl 8.8

16шт.

22

47444616

RACE

Race, Lift

2шт.

Выбрано товаров: 0