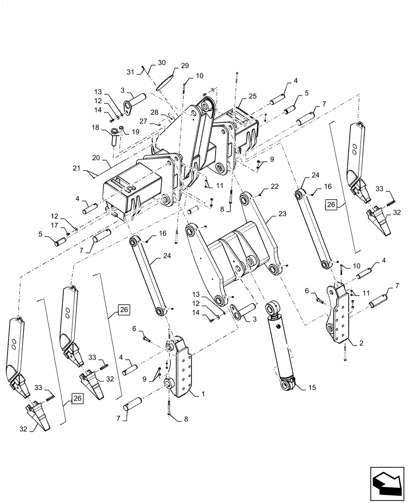
Запчасти Case 1650M XLT BD (89.128.010) - VAR - 784779 - HEAVY DUTY RIPPER (89) - TOOLS

Схема запчастей Case 1650M XLT BD - (89.128.010) - VAR - 784779 - HEAVY DUTY RIPPER (89) - TOOLS
25
13
22
5
19
9
8
4
4
21
33
4
4
14
16
5
14
7
7
29
8
27
30
23
32
2
18
12
15
11
11
16
13
31
7
24
26
12
33
12
20
3
3
9
33
32
6
26
17
28
7
24
10
26
1
32
6
10
FIT
1:1
100%

Артикул

Название

Примечание

Количество

1

47640942

BRACKET

RH, Ripper Mounting

1шт.

2

84545985

BRACKET

LH, Ripper Mounting

1шт.

3

47427400

PIN,70mm OD x 274mm L

2шт.

4

84241398

PIN,50.77mm OD x 194mm L

4шт.

5

87383798

PIN,50.8mm OD x 139.7mm L

3шт.

6

87564731

BOLT,Hex, M24 x 80mm, Cl 10.9

16шт.

7

84241399

PIN,70.02mm OD x 229mm L

4шт.

8

827-16180

BOLT,Hex, M16 x 2 x 180mm, Cl 10.9

4шт.

9

832-41416

NUT,M16 x 2, Cl 10

8шт.

10

827-12130

BOLT,Hex, M12 x 1.75 x 130mm, Cl 10.9

4шт.

11

832-41412

NUT,M12 x 1.75, Cl 10

8шт.

12

419223A1

WASHER

5шт.

13

419041A1

SPACER

2шт.

14

627-16040

BOLT,Hex, M16 x 2 x 40mm, Cl 10.9, Full Thd

2шт.

15

47458145

HYDRAULIC CYLINDER,69.9mm Rod, 133.4mm Bore, 597.7mm Stroke

Dipper, Assembly

1шт.

15

47458145R

REMAN-HYD CYLINDER

Dipper, Assembly

1шт.

15

47458145C

CORE-HYD CYLINDER

Return Number

1шт.

16

219-1

LUBE NIPPLE,1/8" - 27 NPTF

6шт.

17

86639032

BOLT,Hex, M16 x 25mm, Cl 10.9, Full Thd

3шт.

18

87339515

PIN

Drawbar

1шт.

19

A30338

PIN

Center Mounting

1шт.

20

47496259

CABLE,405mm L

Lanyard, Center Mounting

1шт.

21

47496260

SLEEVE

Aluminum, Center Mounting

2шт.

22

219-55

LUBE NIPPLE,90 Degree Elbow, 1/8" - 27 NPTF

2шт.

23

84600704

LINK

Bottom Ripper

1шт.

24

84238379

LINK

Upper Bar

2шт.

25

47685709

RIPPER

Main Toolbar, CE Gray

1шт.

26

47716699

SHANK

Assemby, Heavy Duty, Ripper, CE Gray, Incl 32, 33

3шт.

27

309096A1

SQUARE NUT,Square, M10 x 1.5, LH Thd, Cl 5A

Plate Cover

2шт.

28

336371A1

PIN,4.88mm OD x 14.23mm L

Nut Retainer

2шт.

29

47707867

PLATE

Cover, Ripper Tower

1шт.

30

14496631

WASHER,10.5mm ID x 21mm OD x 2mm Thk

2шт.

31

86624978

BOLT,Hex, M10 x 35mm, Cl 10.9, Full Thd

2шт.

32

47730376

TOOTH

Heavy Duty Ripper Tooth, Incl in Ref 26

3шт.

33

47730361

PIN

Ripper Tooth Retainer, Incl in Ref 26

3шт.

Выбрано товаров: 35