Запчасти Case 1650M XLT PAT (48.134.020) - RH, TRACK ASSY, FRAME ULTRA-LIFE (48) - TRACKS & TRACK SUSPENSION

Схема запчастей Case 1650M XLT PAT - (48.134.020) - RH, TRACK ASSY, FRAME ULTRA-LIFE (48) - TRACKS & TRACK SUSPENSION
25
25
5
28
7
8
19
27
3
14
2
10
15
2
17
2
18
13
3
3
21
4
9
12
1
16
6
4
11
2
24
20
26
23
22
2
FIT
1:1
100%

Артикул

Название

Примечание

Количество

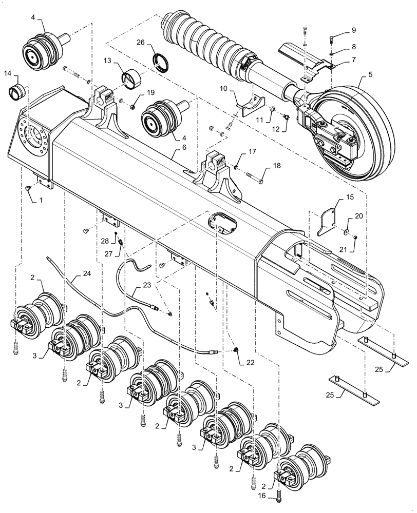
1

264219

BOLT,Hex, M16 x 2 x 16mm, Cl 8.8, Full Thd

28шт.

2

47726081

TRACK ROLLER

5шт.

3

47726083

TRACK ROLLER

3шт.

4

47765359

ROLLER

2шт.

5

47892692

IDLER WHEEL

1шт.

6

47913798

TRACK ASSY

1шт.

7

47802955

PLATE

1шт.

8

10520001

WASHER,12.2mm ID x 22mm OD x 3mm Thk

4шт.

9

87584292

BOLT,Hex, M12 x 40mm, Cl 10.9

4шт.

10

47802985

BRACKET

1шт.

11

895-11016

WASHER,17.5mm ID x 30mm OD x 3mm Thk

2шт.

12

84246776

PREV TORQUE BOLT,Hex, M16 x 35mm, Cl 10.9

2шт.

13

47836812

BRONZE BUSHING,101.9mm ID x 115mm OD 60.25mm L

1шт.

14

47836813

BRONZE BUSHING,75.2mm ID x 89.1mm OD x 60.2mm L

1шт.

15

47800074

COVER

2шт.

16

47950137

SCREW,M20 x 65mm, 10.9 ZND

32шт.

17

87563152

WASHER,17mm ID x 26.5mm OD x 4mm Thk

8шт.

18

827-16120

BOLT,Hex, M16 x 2 x 120mm, Cl 10.9

4шт.

19

86512555

NUT,M16 x 2, Cl 10

4шт.

20

87613255

WASHER,0.47" ID x 1.5" OD x 0.13" Thk

4шт.

21

412141

NUT,M10 x 1.5, Cl 8

4шт.

22

86512933

90 ELBOW,90 Degree, 7/16"-20, 37 Degree x 7/16"-20, 37 Degree Fem Sw

2шт.

23

47940986

HYDRAULIC HOSE

1шт.

24

47905758

HOSE,1687mm L

1шт.

25

47909300

PLATE

2шт.

26

47914180

SEALING RING

1шт.

27

47550022

ELBOW

2шт.

28

219-1

LUBE NIPPLE,1/8" - 27 NPTF

2шт.

Выбрано товаров: 28