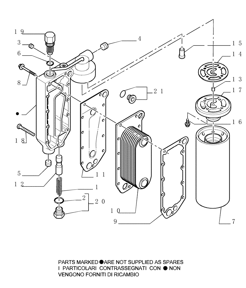
Запчасти Case 1850K (0.302[01]) - HEAT EXCHANGER - OIL FILTER (01) - ENGINE

Схема запчастей Case 1850K - (0.302[01]) - HEAT EXCHANGER - OIL FILTER (01) - ENGINE
18
1
5
16
11
2
12
10
3
14
17
9
6
4
21
20
7
8
15
13
19
FIT
1:1
100%

Артикул

Название

Примечание

Количество

1

76106593

SPRING

1шт.

2

76194736

O-RING

1шт.

3

75208135

PLUG

1/8"

2шт.

4

76107131

PLUG

3/4" NPT

1шт.

5

75286173

PLUG

1шт.

6

75286171

O-RING

1шт.

7

366700A1

ENGINE OIL FILTER

1шт.

8

75286164

BOLT,Hex, 100mm

M8 x 1.25 x 65

9шт.

9

75285211

GASKET

1шт.

10

75208310

BODY

1шт.

11

76195179

GASKET

1шт.

12

76194539

PLUNGER

1шт.

13

76101790

DOWEL

1шт.

14

76191712

GASKET

1шт.

15

76194573

VALVE PRESSURE RELIE

1шт.

16

75208174

BOLT

M8 x 1.25 x 25

4шт.

17

75286000

FILTER HEAD

1шт.

18

76195178

SCREW

2шт.

19

76195177

HYDRAULIC VALVE

1шт.

20

76194735

PLUG

Assy

1шт.

21

76195198

PLUG

2шт.

Выбрано товаров: 21