Запчасти Case 1850K (0.505[02]) - ENGINE - RELATED PARTS (01) - ENGINE

Схема запчастей Case 1850K - (0.505[02]) - ENGINE - RELATED PARTS (01) - ENGINE
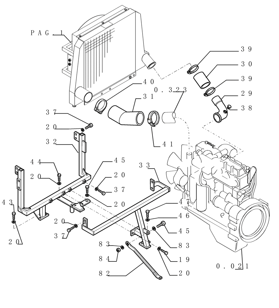
40
20
37
46
19
29
47
41
37
32
45
84
20
31
83
20
0.021
39
0.323
20
39
30
20
44
45
83
82
38
20
33
pag.1
20
37
43
FIT
1:1
100%

Артикул

Название

Примечание

Количество

19

11106631

SCREW,Hex, M10 x 35mm, Cl 10.9, Full Thd

2шт.

20

14496631

WASHER,10.5mm ID x 21mm OD x 2mm Thk

18шт.

29

76076951

ELBOW

1шт.

30

76076961

RADIATOR HOSE,70.00 mm ID x 120.00 mm

1шт.

31

76076981

RADIATOR HOSE,90.00 mm ID, 101.60 mm ID x 213.00 mm

1шт.

32

76078106

SUPPORT

1шт.

33

76078089

SUPPORT

1шт.

37

11106231

BOLT,Hex, M10 x 1.5 x 25mm, Cl 10.9

9шт.

38

70917426

PLUG

1шт.

39

71416949

CLAMP,77.5mm - 83.3mm

2шт.

40

71404505

CLAMP,#92, 3.75"-4.06", T-Bolt

1шт.

41

71404521

CLAMP,#108, 4.25"-4.56", T-Bolt

1шт.

43

11106431

SCREW,Hex, M10 x 1.5 x 30mm, Cl 10.9, Full Thd

2шт.

44

11107831

SCREW,Hex, M10 x 80mm, Cl 10.9

3шт.

45

16040831

BOLT,Hex, M10 x 1.5 x 40mm, Cl 10.9, Full Thd

2шт.

46

12648531

WASHER,12.2mm ID x 28mm OD x 4mm Thk

2шт.

47

11112631

BOLT,Hex, M12 x 35mm, Cl 10.9

2шт.

82

76080613

BRACKET

1шт.

83

12626231

WASHER,10.2mm ID x 25mm OD x 3mm Thk

2шт.

84

12577221

LOCK NUT,M10 x 1.5mm Pitch, 12.30mm High, Cl 10, ZND

1шт.

Выбрано товаров: 0