Запчасти Case 1850K (0.505[05]) - SUSPENSION - ENGINE (01) - ENGINE

Схема запчастей Case 1850K - (0.505[05]) - SUSPENSION - ENGINE (01) - ENGINE
-
16
12
5
8
15
1
0.083
7
6
10
0.021
5
6
14
4
9
8
18
2
8
11
7
13
3
10
9
17
FIT
1:1
100%

Артикул

Название

Примечание

Количество

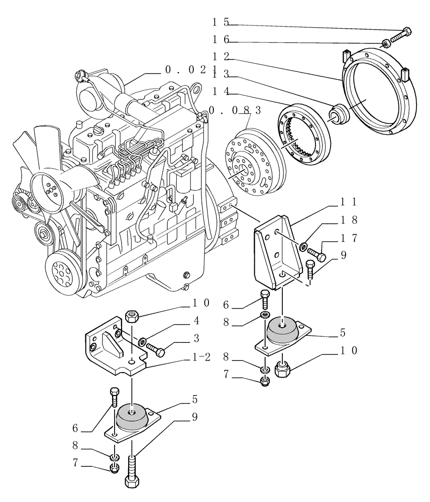
1

76079068

ENGINE MOUNT

LH

1шт.

2

76079069

ENGINE MOUNT

RH

1шт.

3

11112831

SCREW,Hex, M12 x 40mm, Cl 10.9, Full Thd

8шт.

4

14496731

WASHER,M12 x 24 x 2.5 Thk

8шт.

5

4955094

ISOLATOR

4шт.

6

11391531

BOLT,Hex, M16 x 1.5 x 45mm, Cl 10.9, Full Thd

8шт.

7

15504021

NUT,M16 x 1.5

8шт.

8

14496931

WASHER,17mm ID x 30mm OD x 3mm Thk

8шт.

9

11398131

BOLT,Hex, M24 x 2 x 80mm, Cl 10.9

4шт.

10

12575321

NUT,M24 x 2, Cl 10

4шт.

11

76052992

ENGINE MOUNT

2шт.

12

76069610

SPACER

1шт.

13

76052994

BUSHING

1шт.

14

76052995

SPLINED RING

1шт.

15

11106631

SCREW,Hex, M10 x 35mm, Cl 10.9, Full Thd

12шт.

16

14496631

WASHER,10.5mm ID x 21mm OD x 2mm Thk

16шт.

17

11599531

BOLT,Hex, M12 x 45, 10.9, Full Thd

8шт.

18

79005242

WASHER,12.6mm ID x 28mm OD x 7mm Thk

M12 x 28

8шт.

Выбрано товаров: 18