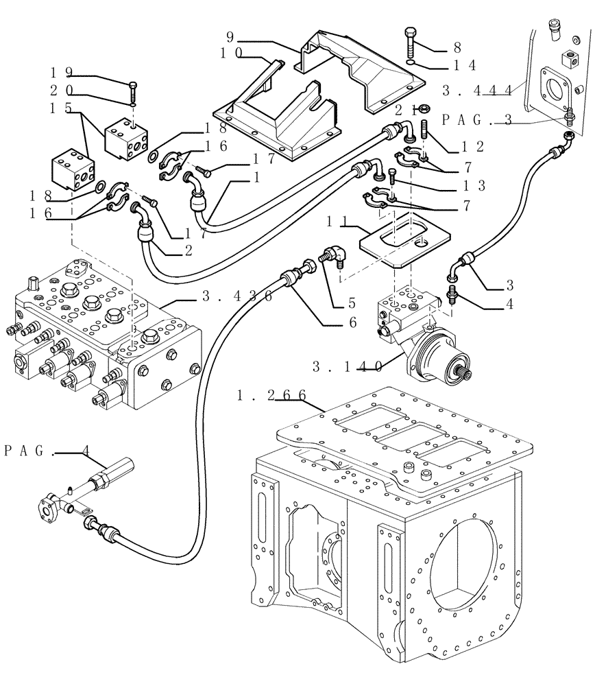
Запчасти Case 1850K (3.434[05]) - HYDRAULIC SYSTEM PIPING (07) - HYDRAULIC SYSTEM/FRAME

Схема запчастей Case 1850K - (3.434[05]) - HYDRAULIC SYSTEM PIPING (07) - HYDRAULIC SYSTEM/FRAME
21
4
20
12
2
16
10
3
14
3.140
3.444
3.436
1.266
16
7
15
5
19
6
11
13
8
9
18
1
17
17
pag. 4
pag.3
18
7
FIT
1:1
100%

Артикул

Название

Примечание

Количество

1

76072335

HYDRAULIC HOSE,25.4mm ID x 1370mm L

Rear

1шт.

2

76072334

HYDRAULIC HOSE,25.4mm ID x 1370mm L

Front

1шт.

3

76071078

HYDRAULIC HOSE

1шт.

4

79081979

HYD CONNECTOR

M18 x 1.5

1шт.

5

79099899

ELBOW

1шт.

6

76071077

HYDRAULIC HOSE

1шт.

7

76071041

HALF-FLANGE

1"

4шт.

8

16043431

SCREW,Hex, M8 x 1.25 x 20mm, Cl 10.9, Full Thd

14шт.

9

76071043

GUARD

Rear

1шт.

10

76071042

GUARD

Front

1шт.

11

76071051

PLATE

1шт.

12

76078439

SCREW,M12 x 110mm

6шт.

13

11112831

SCREW,Hex, M12 x 40mm, Cl 10.9, Full Thd

2шт.

14

14496531

WASHER,8.4mm ID x 17mm OD x 1.6mm Thk

14шт.

15

76071320

FLANGE

Delivery

2шт.

16

71404313

CLAMP,Half

4шт.

17

14422231

HEX SOC SCREW,M12 x 1.75 x 40mm, Cl 10.9, Full Thd

8шт.

18

14463781

O-RING,0.139" Thk x 1.296" ID, -219, Cl 7, 75 Duro

In Alternative

2шт.

18

70924200

O-RING

M32.92 ID x 3.53 Thk, In Alternative

2шт.

19

11114131

BOLT,Hex, M12 x 95, 10.9

8шт.

20

12648531

WASHER,12.2mm ID x 28mm OD x 4mm Thk

8шт.

21

12577521

NUT,M12 x 1.75

6шт.

Выбрано товаров: 0