Запчасти Case 1850K (3.440[02]) - LIFT CYLINDERS PIPING (07) - HYDRAULIC SYSTEM/FRAME

Схема запчастей Case 1850K - (3.440[02]) - LIFT CYLINDERS PIPING (07) - HYDRAULIC SYSTEM/FRAME
3
10
9
3.443
5.601
1
2
1
7
15
8
12
7
pag.1
4
13
6
1
14
5
3
16
6
FIT
1:1
100%

Артикул

Название

Примечание

Количество

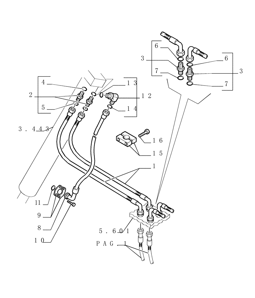
1

76073168

HYDRAULIC HOSE,19.05mm ID x 1050mm L

1050 mm lg.

4шт.

2

78100095

HYD CONNECTOR

Assy

4шт.

3

78100100

HYD CONNECTOR

M22 x 1.5 - Assy

6шт.

4

14438185

O-RING,24mm ID x 3mm

1шт.

5

70923843

O-RING,0.07" Thk x 0.739" ID, -18, Cl 6, 90 Duro

M18.77 x 1.78

1шт.

6

70923843

O-RING,0.07" Thk x 0.739" ID, -18, Cl 6, 90 Duro

M18.77 x 1.78

1шт.

7

14438085

O-RING,19.3mm ID x 2.4mm

1шт.

8

76073153

HYDRAULIC HOSE

2шт.

9

76007732

HALF-FLANGE

3/4"

4шт.

10

14420131

HEX SOC SCREW,M10 x 1.5 x 25mm, Cl 10.9, Full Thd

8шт.

11

70924110

O-RING

M24.99 ID x 3.53 Thk

2шт.

12

76041253

ELBOW

Assy

2шт.

13

70935175

O-RING,0.116" Thk x 0.924" ID, -912, Cl 8, 90 Duro

1шт.

14

70923843

O-RING,0.07" Thk x 0.739" ID, -18, Cl 6, 90 Duro

M18.77 x 1.78

1шт.

15

79109722

CLAMP

2шт.

16

10903431

BOLT,Hex, M6 x 45mm, Cl 10.9

4шт.

Выбрано товаров: 16