Запчасти Case 1850K (9.654[05]) - ROPS CAB WITH CONDITIONER - OPTIONAL CODE 784110131 (19) - OPTIONS

Схема запчастей Case 1850K - (9.654[05]) - ROPS CAB WITH CONDITIONER - OPTIONAL CODE 784110131 (19) - OPTIONS
17
2
16
8
9
14
3
pag.3
4
pag.4
9.652
12
6
10
13
11
9.652
15
pag.4
1
pag.4
5
7
FIT
1:1
100%

Артикул

Название

Примечание

Количество

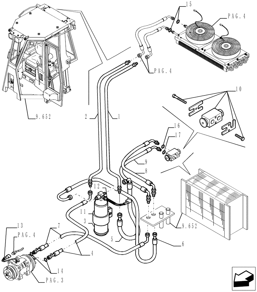
1

76092224

TUBE

G6

1шт.

2

76092225

TUBE

G8

1шт.

3

76092215

RECEIVER-DRYER

1шт.

4

76092211

HOSE

1шт.

5

76092228

HOSE

1шт.

6

76092227

FLEXIBLE HOSE

G6

1шт.

7

76092210

FLEXIBLE HOSE

1шт.

8

76092226

FLEXIBLE HOSE

G6

1шт.

9

76092232

FLEXIBLE HOSE

G10

1шт.

10

76092223

VALVE

Expansion

1шт.

11

76092216

BRACKET

1шт.

12

76089531

SENSOR

Pressure

1шт.

13

76066222

WIRE HARNESS

Compressor

1шт.

14

14453281

O-RING,14mm ID x 1.78" Width

2шт.

15

14453081

O-RING,0.07" Thk x 0.426" ID, -13, Cl 7, 75 Duro

(M10.82 ID x 1.78 Thk)

2шт.

16

14452881

O-RING,7.65mm ID x 1.78" Width

(M7.65 ID x 1.78 Thk)

1шт.

17

14453481

O-RING,0.07" Thk x 0.676" ID, 17, Cl 7, 75 Duro

1шт.

Выбрано товаров: 17