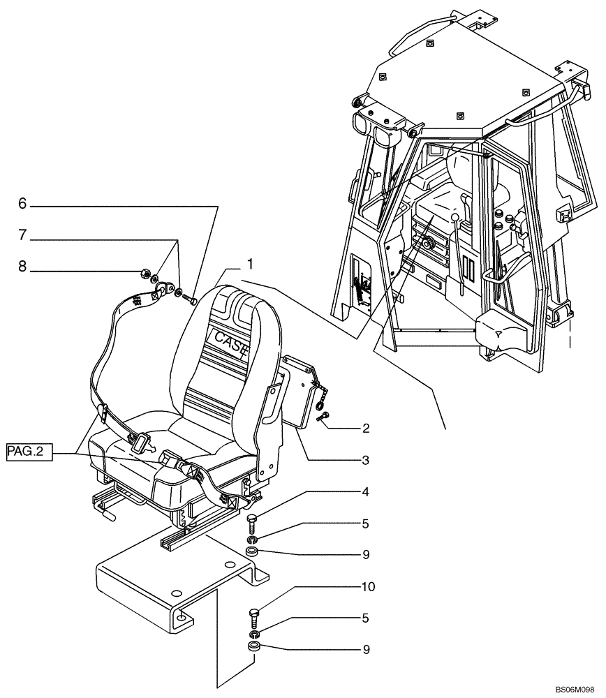
Запчасти Case 1850K (9.671[01]) - PNEUM. CUSHIONING SEAT - COMPONENTS - OPTIONAL CODE 784338011 (19) - OPTIONS

Схема запчастей Case 1850K - (9.671[01]) - PNEUM. CUSHIONING SEAT - COMPONENTS - OPTIONAL CODE 784338011 (19) - OPTIONS
5
5
9
3
10
8
2
9
7
4
1
6
FIT
1:1
100%

Артикул

Название

Примечание

Количество

1

76092259

DRIVER SEAT

Kab 865 Assy, See 9.652 Pg. 2

1шт.

2

15663101

SELF-TAP SCREW,Cross Oval Hd, M4.2 x 13mm

3шт.

3

79023080

HOLDER

Document

1шт.

4

16043231

SCREW,Hex, M8 x 16mm, Cl 10.9, Full Thd

4шт.

5

NSS

NOT SOLD SEPARAT

If Used; Part Number Not Available At Time Of Prining

1шт.

6

11106434

BOLT,Hex, M10 x 30mm, Cl 10.9, Full Thd

2шт.

7

12626231

WASHER,10.2mm ID x 25mm OD x 3mm Thk

6шт.

8

11701721

NUT,M10, Cl 10

2шт.

9

14496531

WASHER,8.4mm ID x 17mm OD x 1.6mm Thk

8шт.

10

16043421

BOLT,Hex, M8 x 1.25 x 20mm, Cl 8.8, Full Thd

4шт.

Выбрано товаров: 10