Запчасти Case 1850K (9.710[01]) - COLD WEATHER STARTING AID - OPTIONAL CODE 76075372 (19) - OPTIONS

Схема запчастей Case 1850K - (9.710[01]) - COLD WEATHER STARTING AID - OPTIONAL CODE 76075372 (19) - OPTIONS
8
2
6
5
4
12
10
4
1
1
3
1
9
7
5
6.701
6.711
6.711
6.711
0.021
FIT
1:1
100%

Артикул

Название

Примечание

Количество

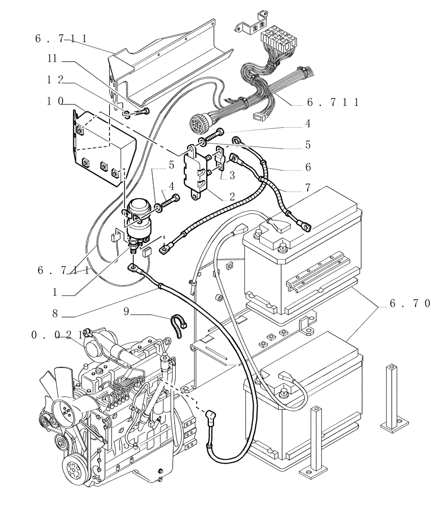
1

79060328

RELAY

1шт.

2

76046237

FUSE BOX

1шт.

3

76046235

FUSE

MEGA 150A

1шт.

4

10977731

BOLT,Hex, M5 x 14mm, Cl 10.9, Full Thd

4шт.

5

14496329

WASHER,M5.3 x 10 x 1 Thk

4шт.

6

76048035

WIRE HARNESS

1шт.

7

76075286

WIRE HARNESS

1шт.

8

76048036

WIRE HARNESS

1шт.

9

79013422

CABLE TIE,145mm L

CABLE STRAP

5шт.

10

76068072

SUPPORT

1шт.

11

10902031

BOLT,Hex, M6 x 12mm, Cl 10.9

3шт.

12

14496431

WASHER,6.4mm ID x 12.5mm OD x 1.6mm Thk

3шт.

Выбрано товаров: 12