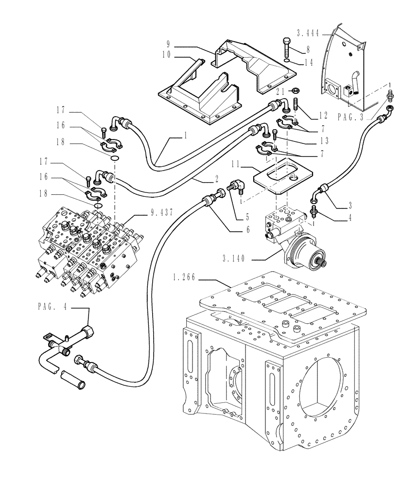
Запчасти Case 1850K (3.434[05]) - HYDRAULIC SYSTEM PIPING (04) - UNDERCARRIAGE

Схема запчастей Case 1850K - (3.434[05]) - HYDRAULIC SYSTEM PIPING (04) - UNDERCARRIAGE
8
pag.3
21
10
13
11
18
4
7
pag. 4
18
1.266
5
3.140
3.444
9.437
17
6
12
16
17
3
7
9
2
14
1
16
FIT
1:1
100%

Артикул

Название

Примечание

Количество

1

87379897

HYDRAULIC HOSE

Rear

1шт.

2

87371566

HYDRAULIC HOSE

Front

1шт.

3

76071078

HYDRAULIC HOSE

1шт.

4

79081979

HYD CONNECTOR

M18 x 1.5

1шт.

5

79099899

ELBOW

1шт.

6

76071077

HYDRAULIC HOSE

1шт.

7

76071041

HALF-FLANGE

1"

4шт.

8

16043431

SCREW,Hex, M8 x 1.25 x 20mm, Cl 10.9, Full Thd

14шт.

9

76071043

GUARD

Rear

1шт.

10

76071042

GUARD

Front

1шт.

11

76071051

PLATE

1шт.

12

76078439

SCREW,M12 x 110mm

4шт.

13

11112831

SCREW,Hex, M12 x 40mm, Cl 10.9, Full Thd

2шт.

14

14496531

WASHER,8.4mm ID x 17mm OD x 1.6mm Thk

14шт.

15

76071320

FLANGE

Delivery

2шт.

16

71404313

CLAMP,Half

4шт.

17

14422231

HEX SOC SCREW,M12 x 1.75 x 40mm, Cl 10.9, Full Thd

8шт.

18

14463781

O-RING,0.139" Thk x 1.296" ID, -219, Cl 7, 75 Duro

In Alternative

2шт.

18

70924200

O-RING

M32.92 ID x 3.53 Thk - In Alternative

2шт.

19

11114131

BOLT,Hex, M12 x 95, 10.9

8шт.

20

12648531

WASHER,12.2mm ID x 28mm OD x 4mm Thk

6шт.

21

12577521

NUT,M12 x 1.75

4шт.

Выбрано товаров: 22