Запчасти Case 1850K (9.653[05]) - ROPS CAB WITH CONDITIONER - OPTIONAL CODE 784110271 (19) - OPTIONS

Схема запчастей Case 1850K - (9.653[05]) - ROPS CAB WITH CONDITIONER - OPTIONAL CODE 784110271 (19) - OPTIONS
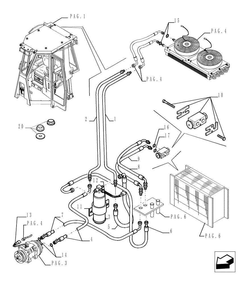
11
13
8
1
7
9
6
15
5
17
16
10
4
3
20
14
2
12
pag.4
pag.6
pag.4
pag.1
pag.3
pag.6
pag.4
FIT
1:1
100%

Артикул

Название

Примечание

Количество

1

76092224

TUBE

G6

1шт.

2

76092225

TUBE

G8

1шт.

3

76092215

RECEIVER-DRYER

1шт.

4

76092211

HOSE

1шт.

5

76092228

HOSE

1шт.

6

76093611

FLEXIBLE HOSE

G6

1шт.

7

76092210

FLEXIBLE HOSE

1шт.

8

76090399

FLEXIBLE HOSE

G6

1шт.

9

76092232

FLEXIBLE HOSE

G10

1шт.

10

76092223

VALVE

Expansion

1шт.

11

79092065

BRACKET

1шт.

12

76089531

SENSOR

Pressure

1шт.

13

76066222

WIRE HARNESS

Compressor

1шт.

14

14453281

O-RING,14mm ID x 1.78" Width

2шт.

16

14452881

O-RING,7.65mm ID x 1.78" Width

(M7.65 ID x 1.78 Thk)

1шт.

15

14453081

O-RING,0.07" Thk x 0.426" ID, -13, Cl 7, 75 Duro

(M10.82 ID x 1.78 Thk)

2шт.

17

14453481

O-RING,0.07" Thk x 0.676" ID, 17, Cl 7, 75 Duro

1шт.

20

76043653

KNOB

4шт.

Выбрано товаров: 18