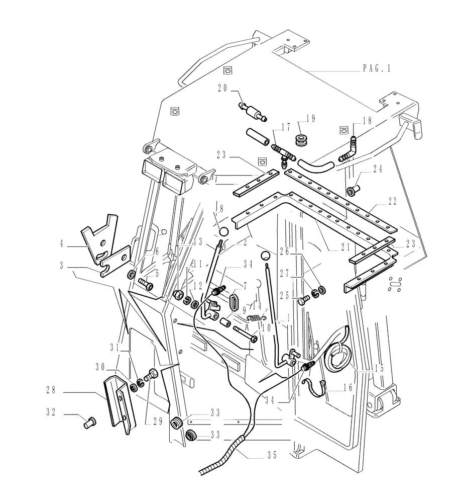
Запчасти Case 1850K (9.653[24]) - ROPS CAB - COMPONENTS - OPTIONAL CODE 784110271 (19) - OPTIONS

Схема запчастей Case 1850K - (9.653[24]) - ROPS CAB - COMPONENTS - OPTIONAL CODE 784110271 (19) - OPTIONS
34
31
17
33
13
2
27
6
20
19
15
3
34
7
14
5
26
30
8
10
16
24
18
12
11
29
1
23
9
23
pag.1
28
4
22
21
33
32
25
35
FIT
1:1
100%

Артикул

Название

Примечание

Количество

1

76067241

LEVER

LH

1шт.

2

76067242

LEVER

RH

1шт.

3

76067420

PLATE

1шт.

4

76067421

YOKE

2шт.

5

16043631

SCREW,Hex, M8 x 25mm, Cl 10.9, Full Thd

2шт.

6

14496534

WASHER,M8

x 17

2шт.

7

76067249

SHIELD

2шт.

8

76067250

HANDLE GRIP

2шт.

9

76067251

BUSHING

2шт.

10

15216224

SCREW,M12 x 1.75 x 80mm

M12 x 1.75 x 80

2шт.

11

10571979

LOCK WASHER,M12

2шт.

12

14496701

WASHER,13.00mm ID x 24.00mm OD x 2.50mm, CST, ZND

4шт.

13

12577521

NUT,M12 x 1.75

2шт.

14

76067454

SPRING

2шт.

15

19054786

FLEXIBLE HOSE

4 x 8 mm

5шт.

16

76067664

CABLE TIE

CABLE STRAP 2.2 x 72 mm

4шт.

17

79021522

TEE,M4.5 Barb

2шт.

18

71438967

ELEC CONNECTOR

2шт.

19

76045509

GROMMET

2шт.

20

79020844

CHECK VALVE

2шт.

21

76067280

GASKET

1шт.

22

76067266

STRIP

Central

1шт.

23

76067267

STRIP

Side

2шт.

24

76067740

THREADED INSERT

M5

16шт.

25

13274211

SCREW,Pozidriv Pan Hd, M5 x 16mm, Cl 5.8, Full Thd

16шт.

26

12638101

WASHER,5.2mm ID x 14mm OD x 1mm Thk

16шт.

27

10571479

LOCK WASHER,M5

16шт.

28

76067281

SHIELD

1шт.

29

13276211

SCREW,Pozidriv Pan Hd, M6 x 16mm, Cl 5.8, Full Thd

2шт.

30

14496401

WASHER,M6.4 x 12.00mm x 1.60mm

2шт.

31

10571579

LOCK WASHER,M6

2шт.

32

71490914

THREADED INSERT,M6

2шт.

33

76045509

GROMMET

2шт.

34

79113969

SENSOR

Proximity

2шт.

35

76095139

WIRE HARNESS

1шт.

Выбрано товаров: 35