Качественные детали и логистика
Оригинальные и аналоговые запчасти с доставкой по России, Казахстану и Беларуси
©2022 PartSell ООО "Система" ИНН 2463123282 ОГРН 1212400004838
Центральный офис: г. Красноярск, Академика Киренского, д.87, пом.4
Телефон: 8 (800) 777-65-74 Email: zakaz@partsell.ru
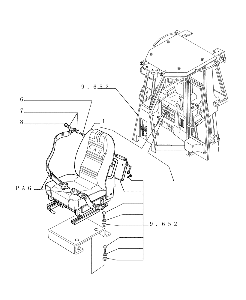
(9.671[01]) - PNEUM. CUSHIONING SEAT - COMPONENTS - OPTIONAL CODE 784338011
№
Артикул
Название
Примечание
Количество
1
76092259
DRIVER SEAT
Kab 865 Assy, See Pg. 2
1шт.
6
11106434
BOLT,Hex, M10 x 30mm, Cl 10.9, Full Thd
2шт.
7
12626231
WASHER,10.2mm ID x 25mm OD x 3mm Thk
6шт.
8
11701721
NUT,M10, Cl 10
Выбрано товаров: 0