Запчасти Case 1850K LT (3.440[01]) - LIFT CYLINDERS PIPING (07) - HYDRAULIC SYSTEM/FRAME

Схема запчастей Case 1850K LT - (3.440[01]) - LIFT CYLINDERS PIPING (07) - HYDRAULIC SYSTEM/FRAME
9
1
1
5
10
7
pag.2
6
8
5
4
11
3
4
2
2
9.436
3.461
9
FIT
1:1
100%

Артикул

Название

Примечание

Количество

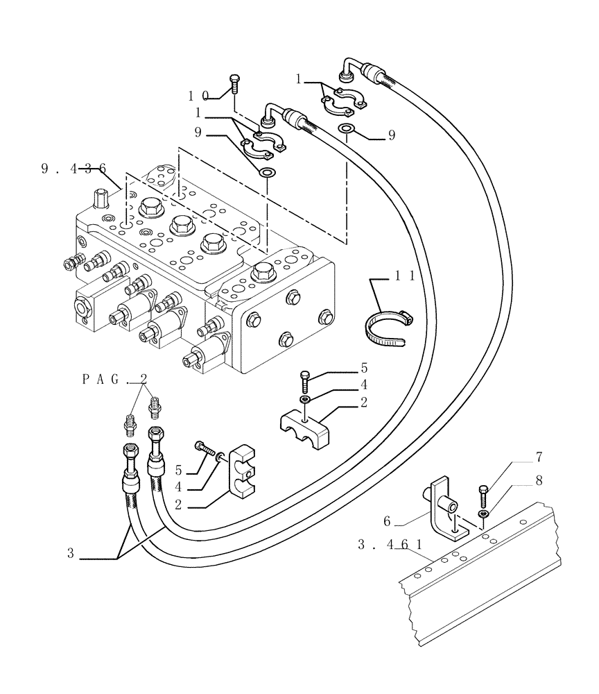
1

71404313

CLAMP,Half

4шт.

2

79076680

CLAMP

3шт.

3

76071120

HYDRAULIC HOSE

2шт.

4

12638631

WASHER,10.6mm ID x 18mm OD x 2mm Thk

3шт.

5

16040831

BOLT,Hex, M10 x 1.5 x 40mm, Cl 10.9, Full Thd

3шт.

6

76046915

BRACKET

2шт.

7

11112231

SCREW,Hex, M12 x 1.75 x 25mm, Cl 10.9, Full Thd

2шт.

8

14496731

WASHER,M12 x 24 x 2.5 Thk

2шт.

9

14463781

O-RING,0.139" Thk x 1.296" ID, -219, Cl 7, 75 Duro

In Alternative

2шт.

9

70924200

O-RING

M32.92 ID x 3.53 Thk, In Alternative

2шт.

10

14422231

HEX SOC SCREW,M12 x 1.75 x 40mm, Cl 10.9, Full Thd

8шт.

11

79055959

CABLE TIE

CABLE STRAP

2шт.

Выбрано товаров: 12