Запчасти Case 1850K LT (9.470[01]) - TILT CYLINDER - FRONT IMPLEMENT - LT - OPTIONAL CODE 76078098 (19) - OPTIONS

Схема запчастей Case 1850K LT - (9.470[01]) - TILT CYLINDER - FRONT IMPLEMENT - LT - OPTIONAL CODE 76078098 (19) - OPTIONS
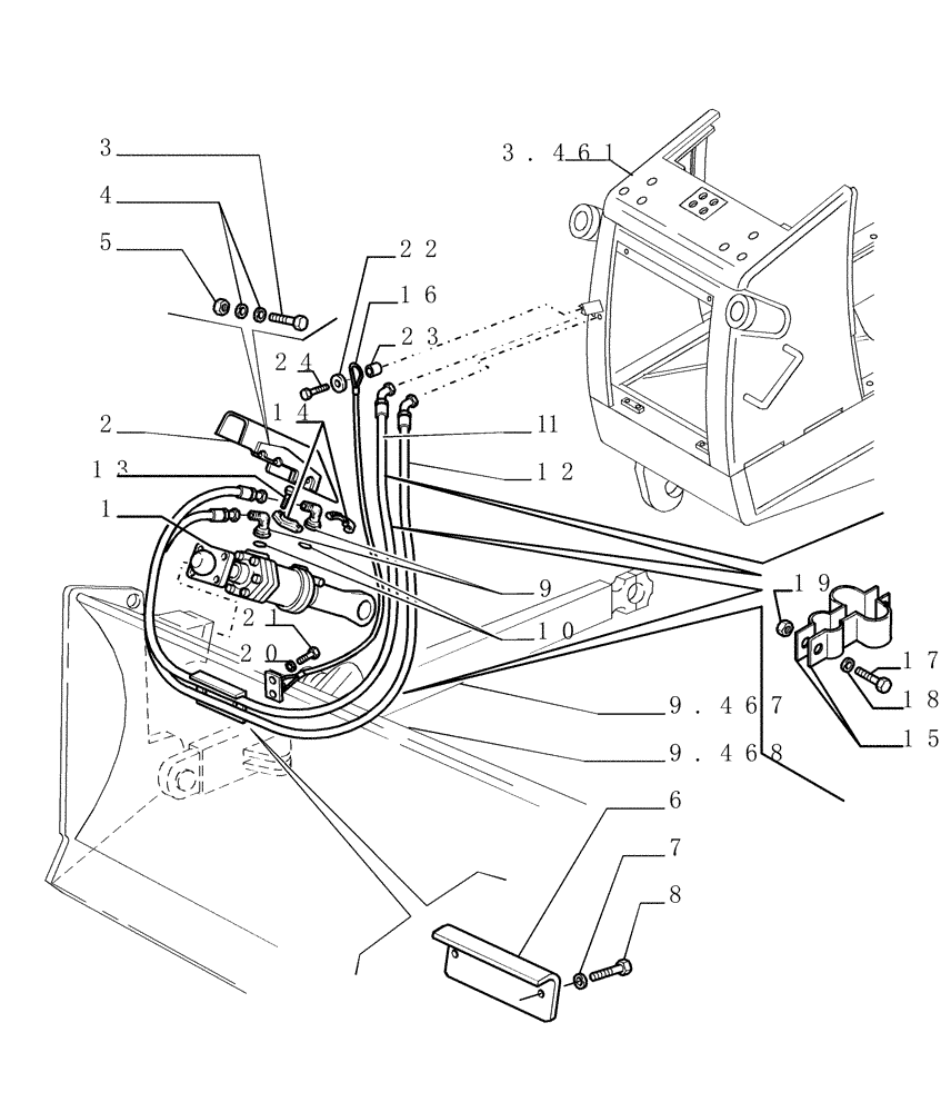
22
20
1
10
6
18
16
9
12
1
4
23
19
14
9.467
15
13
17
1
24
5
7
3
2
8
21
3.461
9.468
FIT
1:1
100%

Артикул

Название

Примечание

Количество

1

76090620

OPERATING CYLINDER,Double Acting, 70mm Rod, 126mm Stroke

Assy, See Pg. 4

1шт.

2

76046663

GUARD

1шт.

3

11114431

BOLT,Hex, M12 x 110, 10.9

3шт.

4

14496731

WASHER,M12 x 24 x 2.5 Thk

6шт.

5

11702921

NUT,M12, Cl 10

3шт.

6

76046677

GUARD

1шт.

7

14496631

WASHER,10.5mm ID x 21mm OD x 2mm Thk

2шт.

8

11106231

BOLT,Hex, M10 x 1.5 x 25mm, Cl 10.9

2шт.

9

76046969

ELBOW

2шт.

10

70924200

O-RING

M32.92 ID x 3.53 Thk

2шт.

11

76046967

HYDRAULIC HOSE

Rear

1шт.

12

76046968

HYDRAULIC HOSE

Front

1шт.

13

14420331

HEX SOC SCREW,M10 x 1.5 x 35mm, Cl 10.9, Full Thd

8шт.

14

8292188

CLAMP,Half

SAE 1

4шт.

15

76068247

BRACKET

6шт.

16

76068249

CABLE

1шт.

17

10902331

SCREW,Hex, M6 x 18mm, Cl 10.9, Full Thd

6шт.

18

14496431

WASHER,6.4mm ID x 12.5mm OD x 1.6mm Thk

6шт.

19

12574221

NUT,M6 x 1, Cl 10

6шт.

20

12645031

WASHER,8.45mm ID x 21mm OD x 3mm Thk

2шт.

21

16043631

SCREW,Hex, M8 x 25mm, Cl 10.9, Full Thd

2шт.

22

70929699

WASHER

1шт.

23

76030360

SPACER

1шт.

24

11118731

BOLT,Hex, M16 x 45, 10.9

1шт.

Выбрано товаров: 24