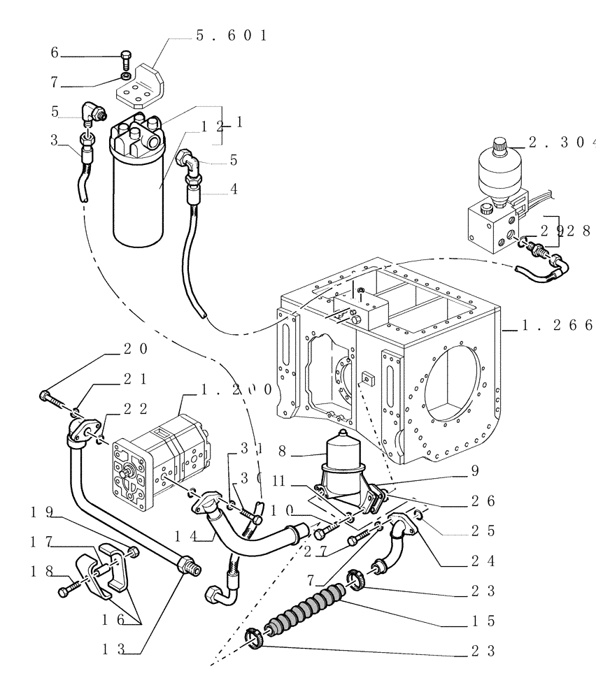
Запчасти Case 1850K LT (2.319[02]) - BRAKE/STEERING DIFFERENTIAL CONNECTING PIPES (04) - UNDERCARRIAGE

Схема запчастей Case 1850K LT - (2.319[02]) - BRAKE/STEERING DIFFERENTIAL CONNECTING PIPES (04) - UNDERCARRIAGE
18
19
1
7
28
24
8
12
27
23
31
10
1
5
23
4
1.266
6
5.601
21
9
13
25
16
5
26
22
2.304
15
7
1.200
17
3
1
29
14
30
20
FIT
1:1
100%

Артикул

Название

Примечание

Количество

1

76054899

HYDRAULIC HOSE

1шт.

2

76046647

HYDRAULIC HOSE

1шт.

3

79055908

CLAMP

2шт.

5

79067003

TEE

Assy

1шт.

6

76054881

HYDRAULIC HOSE

1шт.

7

79067024

ELBOW

Assy, 20/90°

3шт.

8

12638631

WASHER,10.6mm ID x 18mm OD x 2mm Thk

1шт.

9

11107031

BOLT,Hex, M10 x 45mm, Cl 10.9

1шт.

10

79067019

ELBOW

Assy

2шт.

11

14437885

O-RING,13.30mm ID x 2.40mm

1шт.

12

79067018

90 ELBOW,9/16-18 ORFS x M14 x 1.5 ORB

Assy, 90°

1шт.

13

14437785

O-RING,11.3mm ID x 2.4mm

1шт.

14

14438085

O-RING,19.3mm ID x 2.4mm

1шт.

15

76069200

HYD CONNECTOR

Assy

1шт.

16

14437685

O-RING,9.30mm ID x 2.40mm

1шт.

17

76054890

SWIVEL CONNECTION

2шт.

18

14437885

O-RING,13.30mm ID x 2.40mm

1шт.

19

79066937

HYD CONNECTOR

Assy

1шт.

20

14437785

O-RING,11.3mm ID x 2.4mm

1шт.

21

76054908

HYDRAULIC HOSE

1шт.

22

16043431

SCREW,Hex, M8 x 1.25 x 20mm, Cl 10.9, Full Thd

2шт.

23

10448790

CLAMP,30mm, Coat, 9mm Bolt Hole, P Type

30 mm

1шт.

24

14496531

WASHER,8.4mm ID x 17mm OD x 1.6mm Thk

1шт.

25

79067017

ELBOW

Assy

1шт.

26

76069891

HYDRAULIC HOSE

1шт.

27

14323111

PLUG

M10 x 1 x 13

1шт.

28

79054461

PLUG

M8

1шт.

29

76078483

HYDRAULIC HOSE

1шт.

Выбрано товаров: 28