Запчасти Case 800 (286) - HYDRAULIC PUMP ASSY, BODY, COVERS, GEARS, SEALS (07) - HYDRAULIC SYSTEM

Схема запчастей Case 800 - (286) - HYDRAULIC PUMP ASSY, BODY, COVERS, GEARS, SEALS (07) - HYDRAULIC SYSTEM
FIT
1:1
100%

Артикул

Название

Примечание

Количество

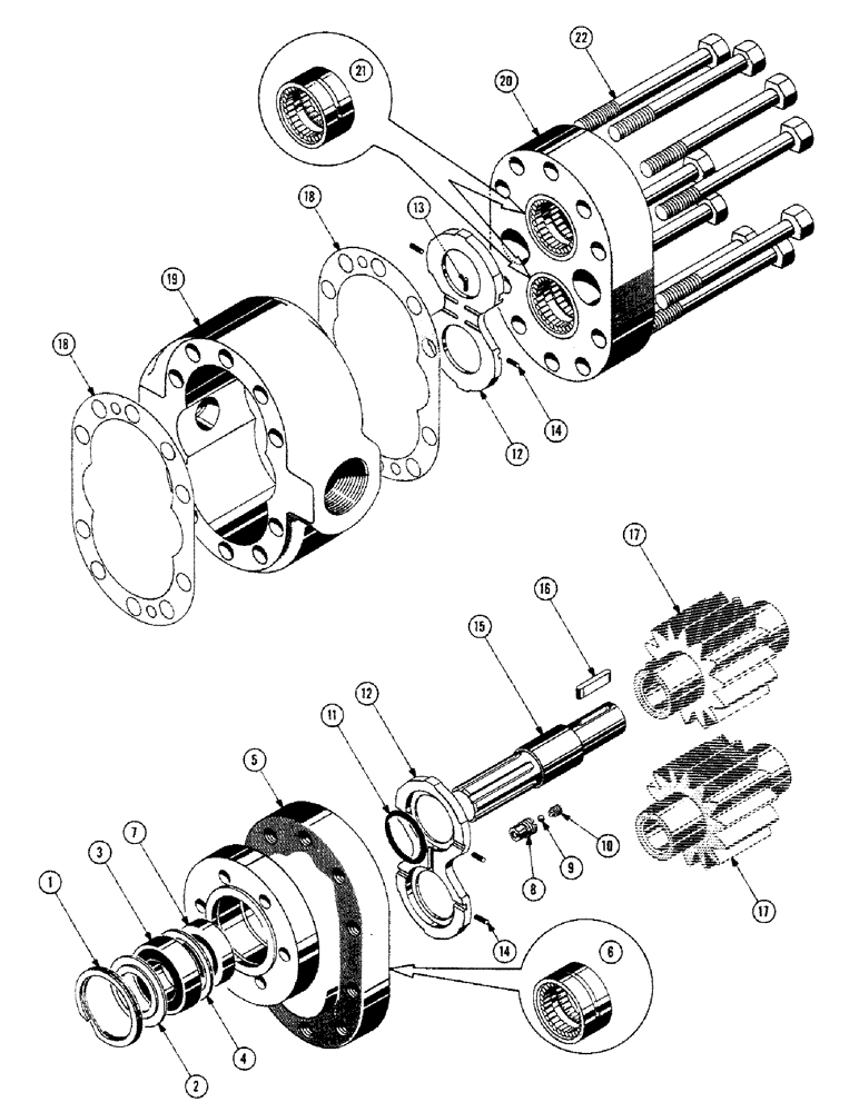
70541

PUMP ASS'Y. - hydraulic

1шт.

1

71466

SNAP RING,#206, 2.190", Int, Spiral

RING - retaining

1шт.

2

71429

BEARING COVER

SHIELD - ball bearing

1шт.

3

295109R91

BALL BEARING

BEARING - ball

1шт.

4

72730

SPACER

- bearing

1шт.

5

71422

X

COVER ASS'Y. - front (See below - not serviced)

1шт.

71422 - order components shown: (1) R13594 cover, (2) 71435 bearing, (2) 08380AB o-ring, (1) N4651 bearing, (1) 71429 shield, (2) 71430 seat, (2) 211-4 ball, (2) 71432 retainer, (1) 71466 ring

1шт.

NSS

NOT SOLD SEPARAT

COVER - front

1шт.

6

71435

BEARING

- roller

2шт.

7

NLS

NO LONGER SERVICED

- oil

1шт.

8

71430

TOOL

SEAT - check valve

2шт.

9

VT4852

X

BALL - check

2шт.

10

71432

TOOL

RETAINER - check ball

2шт.

11

238-5217

O-RING,0.139" Thk x 1.17" ID, -217, Cl 5, 75 Duro

SEAL - "O" ring

2шт.

12

71442

LARGE PLATE

PLATE - thrust

2шт.

13

71440

X

SEAL - pocket

2шт.

14

NLS

NO LONGER SERVICED

SEAL - pocket

8шт.

15

72736

SHAFT - pump

1шт.

16

72737

KEY - gear

1шт.

17

5455

KIT - gear

1шт.

NSS

NOT SOLD SEPARAT

GEAR - pump drive

1шт.

NSS

NOT SOLD SEPARAT

GEAR - pump driven

1шт.

18

71443

TUBE

- pump

2шт.

19

71448

RING

HOUSING - gear

1шт.

20

71433

SPARE PART

COVER ASS'Y. - rear

1шт.

NSS

NOT SOLD SEPARAT

COVER - rear

1шт.

21

71435

BEARING

- roller

2шт.

22

39758

PIN

HHCS - 1/2-13 NC x 4-3/4

10шт.

Выбрано товаров: 28