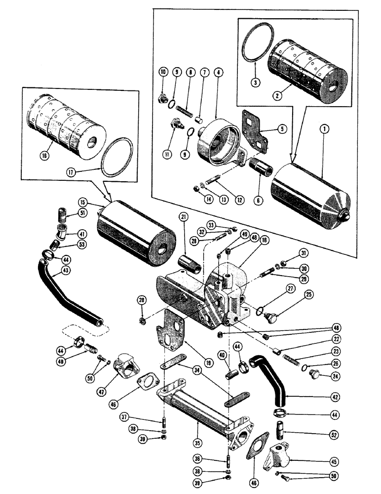
Запчасти Case 800 (058) - ENGINE LUBE OIL SYSTEM, (USED FROM SERIAL #7080999) (01) - ENGINE

Схема запчастей Case 800 - (058) - ENGINE LUBE OIL SYSTEM, (USED FROM SERIAL #7080999) (01) - ENGINE
FIT
1:1
100%

Артикул

Название

Примечание

Количество

ENGINE LUBE OIL SYSTEM (Used up to serial # 7081201)

1шт.

1

R11707

FILTER ASS'Y - lube oil

1шт.

2

35034

FILTER, ELEMENT

CARTRIDGE - oil filter

1шт.

3

R13228

GASKET

- filter

1шт.

4

R11709

BASE - full flow filter

1шт.

5

R11710

GASKET - filter, Serial Range: base-c/case

1шт.

6

R11711

ADAPTER - filter, Serial Range: base-filter

1шт.

7

R11712

VALVE - anti-drain back

1шт.

8

R11713

SPRING - valve

1шт.

9

10364

SAW

GASKET - plug

2шт.

10

R11714

PLUG - valve spring

1шт.

11

R11715

PLUG - magnetic

1шт.

12

R11716

STUD - 7/16-14 NC x 2 (R11709 mtg.)

5шт.

13

92-7

LOCK WASHER,7/16"

WASHER, LOCK, 7/16"

5шт.

14

47863

SPRING CUP

NUT - hex (7/16-14 NC)

5шт.

ENGINE LUBE OIL SYSTEM (Used from serial # 7081201)

1шт.

15

R14437

FILTER ASS'Y - lube oil

1шт.

16

35034

FILTER, ELEMENT

CARTRIDGE - oil filter

1шт.

17

R14459

GASKET - filter

1шт.

18

R14473

BASE - filter & oil cooler

1шт.

19

R14455

GASKET - filter, Serial Range: base-c/case

1шт.

20

R14460

GASKET - washer, Serial Range: base-c/case

1шт.

21

R11711

ADAPTER -, Serial Range: filter-base

1шт.

22

10421

VALVE - by pass

1шт.

23

R14462

SPRING - by pass valve

1шт.

24

10423

THUMB SCREW

PLUG - valve spring by pass

1шт.

25

R11715

PLUG - magnetic

1шт.

26

10424

HARNESS

GASKET - plug by pass valve

1шт.

27

10364

SAW

GASKET - plug

1шт.

28

R14463

STUD 3/8-16 NC x 1-5/8 (R14473 mtg.)

1шт.

29

R11716

STUD 7/16-14 NC x 2 (R14473 mtg.)

5шт.

30

92-7

LOCK WASHER,7/16"

WASHER, LOCK, 7/16"

5шт.

31

47833

NUT - hex (7/16-14 NC)

5шт.

32

92-7

LOCK WASHER,7/16"

WASHER, LOCK, 7/16"

1шт.

33

R14464

NUT - hex (3/8-16 NC)

1шт.

34

R14457

GASKET - oil, Serial Range: cooler-base

2шт.

35

R14465

COOLER - oil

1шт.

36

R14466

STUD 3/8-16 NC x 1-5/8 (R14465 mtg.)

1шт.

37

R14463

STUD 3/8-16 NC x 1-5/8 (R14465 mtg.)

3шт.

38

92-6

LOCK WASHER,3/8"

WASHER, LOCK, 3/8"

4шт.

39

R14464

NUT - hex (3/8-16 NC)

4шт.

40

R13040

NIPPLE - pipe, 1/2 NP

2шт.

41

R14932

ELBOW - pipe, at w/p adapter

1шт.

42

R14468

HOSE

- oil, Serial Range: cooler-c/case

1шт.

43

R14931

HOSE - oil cooler to w/p adapter

1шт.

44

10615

OLIVE

CLAMP - hose

4шт.

45

R14470

ELBOW - oil cooler rear

1шт.

46

R14456

GASKET

- elbow to oil cooler

2шт.

47

R14930

ELBOW - oil cooler front

1шт.

48

217-436

PLUG,Hex Soc, 3/8" - 18 NPTF

- pipe, ctsk, head, 3/8 NP

3шт.

49

72626

PISTON

PLUG - pipe, 1/4 NP

1шт.

50

R14472

SCREW & LOCKWASHER ASS'Y

4шт.

51

R14933

NIPPLE - pipe, 1/2 NP

1шт.

52

R13040

NIPPLE - pipe, 1/2 NP

1шт.

53

R14405

NIPPLE - pipe, 1/2 NP

1шт.

11073

X

DRAIN COCK - oil cooler (Not shown)

1шт.

Выбрано товаров: 56