Запчасти Case 800 (060) - ENGINE FUEL SYSTEM, (USED UP TO SERIAL #7080721) (01) - ENGINE

Схема запчастей Case 800 - (060) - ENGINE FUEL SYSTEM, (USED UP TO SERIAL #7080721) (01) - ENGINE
FIT
1:1
100%

Артикул

Название

Примечание

Количество

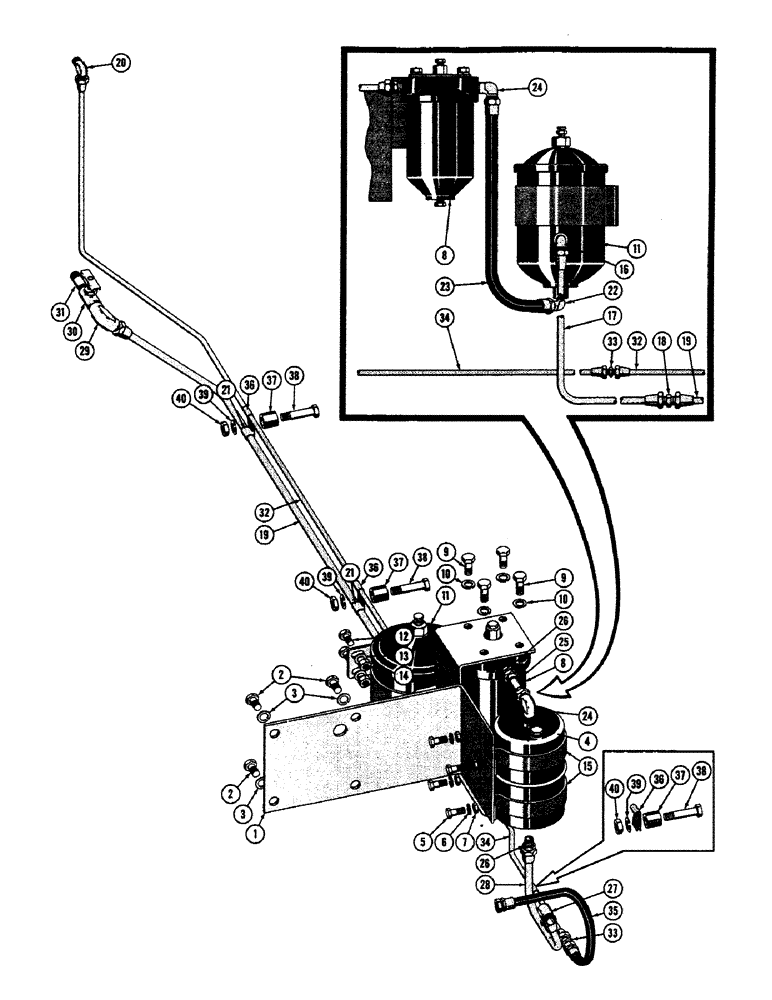
1

71026

SPOOL

BRACKET ASS'Y - fuel filter

1шт.

2

13-612

BOLT,Hex, 3/8" - 16 x 3/4", Gr 5, Full Thd

(71026 mtg.) Hex, 3/8"-16 x 3/4", G5, Full Thd

4шт.

3

92-6

LOCK WASHER,3/8"

WASHER, LOCK, 3/8"

4шт.

4

34033

SPINDLE

FILTER ASSY - final stage fuel

1шт.

5

14-512

BOLT,Hex, 5/16" - 24 x 3/4", Gr 5, Full Thd

(34033 mtg.) Hex, 5/16"-24 x 3/4", G5, Full Thd

4шт.

6

92-5

LOCK WASHER,5/16"

WASHER, LOCK, 5/16"

4шт.

7

25-115

NUT,5/16"-24, G5

- reg. SF hex (5/16"-24 NF)

4шт.

8

71244

FILTER ASS'Y - secondary fuel (See figure 62 for breakdown)

1шт.

9

13-614

BOLT,Hex, 3/8" - 16 x 7/8", Gr 5, Full Thd

(71244 mtg.) Hex, 3/8"-16 x 7/8", G5, Full Thd

4шт.

10

92-6

LOCK WASHER,3/8"

WASHER, LOCK, 3/8"

4шт.

11

71243

FILTER

ASS'Y - primary fuel (See figure 62 for breakdown)

1шт.

12

14-512

BOLT,Hex, 5/16" - 24 x 3/4", Gr 5, Full Thd

(71243 mtg.) Hex, 5/16"-24 x 3/4", G5, Full Thd

4шт.

13

92-5

LOCK WASHER,5/16"

WASHER, LOCK, 5/16"

4шт.

14

25-115

NUT,5/16"-24, G5

- reg. SF hex (5/16"-24 NF)

4шт.

15

30134

BRACKET ASS'Y - filter mtg. (34033 mtg.)

2шт.

16

218-483

ELBOW,90 Degree Elbow, 9/16" - 18 Male JIC x 1/4" - 18 Male NPTF

- 90 degree male, 3/8 JIC to 1/4 NP

1шт.

17

71032

TUBE ASS'Y - primary, Serial Range: filter-tank

1шт.

18

218-734

UNION,9/16"-18, 37 Degree x 9/16"-18, 37 Degree

- 3/8 JIC

1шт.

19

74711

TUBE ASS'Y - primary, Serial Range: filter-tank

1шт.

20

222-762

ELBOW,90 Degree, 7/16"-20, 45 Degree Fl x 1/8" NPT

1шт.

21

49845

CLAMP

- tube (71032 & 71034 mtg.)

3шт.

22

217-21

ELBOW,90 Degree, 1/4"-18 NPTF, Fem x 1/4"-18 NPTF Male

- 90 degree street, 1/4 NP

1шт.

23

71040

STD EXHAUST VALVE

HOSE ASS'Y - primary filter to secondary filter

1шт.

24

218-483

ELBOW,90 Degree Elbow, 9/16" - 18 Male JIC x 1/4" - 18 Male NPTF

- 90 degree male, 3/8 JIC to 1/4 NP

1шт.

25

71377

TUBE ASS'Y - secondary filter to final filter

1шт.

26

218-453

HYD CONNECTOR,9/16" - 18 Male JIC x 1/8" - 27 Male NPTF

CONNECTOR - male, 3/8 JIC to 1/4 NP

2шт.

27

218-483

ELBOW,90 Degree Elbow, 9/16" - 18 Male JIC x 1/4" - 18 Male NPTF

- 90 degree male, 3/8 JIC to 1/4 NP

1шт.

28

71310

TUBE ASS'Y - final filter to inj. pump

1шт.

29

218-513

ELBOW,90 Degree, 9/16"-18, 37 Degree x 1/4"-18, Fem NPTF

- 90 degree female, 3/8 JIC to 1/4 NP

1шт.

30

217-94

SHUT-OFF VALVE

COCK - shut-off

1шт.

31

221-137

PIPE,Nipple, 1/4" NPT x 2"

NIPPLE - pipe, 1/4 NP x 2

1шт.

32

71042

SPRING

TUBE ASS'Y - tank to inj. pump

1шт.

33

222-3

FITTING,1/2"-24 Flex Tube

UNION - 1/4 SAE

2шт.

34

71038

TUBE ASS'Y - tank to inj. pump

1шт.

35

51040-14

HOSE ASS'Y - tank to inj. pump

1шт.

36

515-2363

CLAMP,M6.3, Insul, 3/8" Bolt

- tube (71042 & 71038 mtg.)

4шт.

37

71029

SPACER (49851 mtg.)

4шт.

38

14-628

BOLT,Hex, 3/8" - 24 x 1-3/4", Gr 5

HHCS 3/8-24 NF x 1-3/4 (49851 mtg.)

4шт.

39

92-6

LOCK WASHER,3/8"

WASHER, LOCK, 3/8"

4шт.

40

25-116

NUT,Hex, 3/8"-24, G5

- reg. SF hex (3/8-24 NF)

4шт.

Выбрано товаров: 40