Запчасти Case 800 (062) - ENGINE FUEL SYSTEM, (USED FROM SERIAL #7080721) (01) - ENGINE

Схема запчастей Case 800 - (062) - ENGINE FUEL SYSTEM, (USED FROM SERIAL #7080721) (01) - ENGINE
FIT
1:1
100%

Артикул

Название

Примечание

Количество

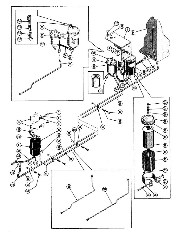
1

74128

BRACKET ASS'Y - fuel filter

1шт.

2

14-512

BOLT,Hex, 5/16" - 24 x 3/4", Gr 5, Full Thd

(74128 mtg.) Hex, 5/16"-24 x 3/4", G5, Full Thd

4шт.

3

92-5

LOCK WASHER,5/16"

WASHER, LOCK, 5/16"

4шт.

4

25-115

NUT,5/16"-24, G5

- reg. SF hex (5/16"-24 NF)

4шт.

5

34033

SPINDLE

FILTER ASS'Y - final stage fuel

1шт.

6

30134

CLAMP ASS'Y - filter mtg. (34033 mtg.)

2шт.

7

14-514

BOLT,Hex, 5/16" - 24 x 7/8", Gr 5, Full Thd

(34033 mtg.) Hex, 5/16"-24 x 7/8", G5, Full Thd

4шт.

8

92-5

LOCK WASHER,5/16"

WASHER, LOCK, 5/16"

4шт.

9

25-115

NUT,5/16"-24, G5

- reg. SF hex (5/16"-24 NF)

4шт.

10

71244

FILTER ASS'Y - secondary fuel

1шт.

11

NLS

NO LONGER SERVICED

CARTRIDGE - secondary filter

1шт.

12

13-612

BOLT,Hex, 3/8" - 16 x 3/4", Gr 5, Full Thd

(71244 mtg.) Hex, 3/8"-16 x 3/4", G5, Full Thd

4шт.

13

92-6

LOCK WASHER,3/8"

WASHER, LOCK, 3/8"

4шт.

14

71243

FILTER

ASS'Y - primary fuel

1шт.

15

NSS

NOT SOLD SEPARAT

BODY ASS'Y - primary fuel filter

1шт.

16

86982911

FILTER, ELEMENT

CARTRIDGE - fuel filter

1шт.

17

73500

GASKET - filter cover

1шт.

18

73497

PLATE

GASKET - filter cartridge

2шт.

19

34850

CYLINDER

COVER ASS'Y - fuel filter

1шт.

20

10054

COLLAR

GASKET - cover screw

1шт.

21

73501

SCREW

- filter cover

1шт.

22

73502

BOLT

VENT ASS'Y - air

1шт.

23

35506

LINE

PLUG - filter drain

1шт.

24

73499

SPRING

STRAP - filter mtg

1шт.

25

73505

BLOCK

BOLT - mtg. clamp

1шт.

26

73504

GEAR

WASHER - lock, mtg. clamp

1шт.

27

73503

NUT - hex, mtg. clamp

1шт.

28

14-512

BOLT,Hex, 5/16" - 24 x 3/4", Gr 5, Full Thd

(71243 mtg.) Hex, 5/16"-24 x 3/4", G5, Full Thd

4шт.

29

195-21

WASHER,5/16"

plain 5/16"

4шт.

30

92-5

LOCK WASHER,5/16"

WASHER, LOCK, 5/16"

4шт.

31

25-115

NUT,5/16"-24, G5

- reg. SF hex (5/16"-24 NF)

4шт.

32

R14868

X

ELBOW - 90 degree street, 3/8 NP (Used from serial #7081201)

1шт.

33

217-94

SHUT-OFF VALVE

COCK - shut-off

1шт.

34

74131

HOSE ASS'Y - at primary filter

2шт.

35

222-768

ELBOW,90 Degree, 5/8"-18, 45 Degree Fl x 1/4" NPT

- 90 degree male, 3/8 JIC to 1/4 NP

3шт.

36

R14868

X

ELBOW - 90 degree street, 3/8 NP

1шт.

37

R13572

HOSE ASS'Y - secondary filter to final filter (Used from serial #7081201)

1шт.

38

74125

TUBE ASS'Y - secondary to final filter (Used up to serial #7081201)

1шт.

39

R14833

TUBE ASS'Y - secondary to final filter (Used from ser. #7081201)

1шт.

40

222-714

FITTING

UNION - 3/8 JIC

1шт.

41

74187

TUBE ASS'Y - secondary to final filter

1шт.

42

222-746

CONNECTOR - female, 3/8 JIC

1шт.

43

74131

HOSE ASS'Y - secondary to final filter

1шт.

44

222-768

ELBOW,90 Degree, 5/8"-18, 45 Degree Fl x 1/4" NPT

- 90 degree male, 3/8 JIC to 1/4 NP

2шт.

45

74122

HOSE

ASS'Y - final filter to inj. pump

1шт.

46

515-23143

CLAMP,9/16", Insul, 3/8" Bolt

CLIP - hose (74122 mtg.), CLAMP - battery cable, if used

1шт.

47

49845

CLAMP

- tube (74187 mtg.)

1шт.

48

217-21

ELBOW,90 Degree, 1/4"-18 NPTF, Fem x 1/4"-18 NPTF Male

- 90 degree street, 1/4 NP (Brass)

1шт.

49

D20272

HOSE

HOSE ASS'Y - inj., Serial Range: pump-tank

1шт.

50

222-712

FITTING

UNION - 1/4 JIC

2шт.

51

71038

TUBE ASS'Y - inj., Serial Range: pump-tank

1шт.

52

71042

SPRING

TUBE ASS'Y - inj. pump to tank (Used up to ser. # 3-25-58)

1шт.

52a

74718

TUBE ASS'Y - inj. pump to tank (Used from serial #3-25-58) (And up to serial #7081201)

1шт.

53

R13845

TUBE ASS'Y - inj. pump to tank (Used from serial #7081201)

1шт.

54

222-762

ELBOW,90 Degree, 7/16"-20, 45 Degree Fl x 1/8" NPT

to 1/4 JIC 90º, 7/16"-20, 45º Fl x 1/8" NPT

1шт.

55

71029

SPACER - (Used up to serial #7081201)

4шт.

71029

SPACER - (Used from serial #7081201)

1шт.

56

49845

CLAMP

- tube

3шт.

57

49851

SHIELD

- tube

4шт.

58

14-624

BOLT,Hex, 3/8" - 24 x 1-1/2", Gr 5

HHCS 3/8-24 NF x 1-1/2 (49851 mtg.)

1шт.

59

14-636

SCREW,Hex, 3/8" - 24 x 2 1/4", Gr 5

HHCS 3/8-24 NF x 2-1/4 (49851 & 49845 mtg.)

3шт.

60

92-6

LOCK WASHER,3/8"

WASHER, LOCK, 3/8"

4шт.

61

25-116

NUT,Hex, 3/8"-24, G5

- reg. SF hex (3/8-24 NF)

4шт.

Выбрано товаров: 63