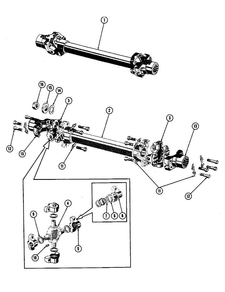
Запчасти Case 800 (106) - UNIVERSAL SHAFT ASSY., (USED UP TO SERIAL #7081201) (03) - TRANSMISSION

Схема запчастей Case 800 - (106) - UNIVERSAL SHAFT ASSY., (USED UP TO SERIAL #7081201) (03) - TRANSMISSION
FIT
1:1
100%

Артикул

Название

Примечание

Количество

1

R12661

SHAFT ASS'Y. - universal

1шт.

See parts bulletin #23-59 for components of R12661 shaft ass'y.

1шт.

2

NSS

NOT SOLD SEPARAT

TUBE ASS'Y

1шт.

3

5996

DIFF. SPIDER

BEARING & JOURNAL KIT

2шт.

4

NSS

NOT SOLD SEPARAT

SPIDER - universal

1шт.

5

19329

BEARING ASSY

BEARING ASS'Y. - universal

4шт.

6

NSS

NOT SOLD SEPARAT

RETAINER - bearing

1шт.

7

NSS

NOT SOLD SEPARAT

ROLLER - bearing

25шт.

8

NSS

NOT SOLD SEPARAT

BEARING - universal

1шт.

9

31719

WASHER

- cork

4шт.

10

31724

X

FITTING - grease

1шт.

11

NLS

NO LONGER SERVICED

PLATE - lock

8шт.

12

31725

HHCS 5/16-24 NF x 7/8 (31729 mtg.)

16шт.

13

31729

PRESSURE PIPE

YOKE - universal end

2шт.

14

34395

SEALING WASHER

WASHER - neoprene

1шт.

15

32601

WASHER

- yoke retaining

1шт.

16

131-152

HARDWARE

NUT - lock (3/4-16 NF)

1шт.

R14744

JOINT

CENTER PARTS REPAIR KIT

2шт.

Выбрано товаров: 18