Запчасти Case 800 (108) - UNIVERSAL SHAFT ASSY., (USED FORM SER. #7081201 AND UP TO SER # 7081372) (03) - TRANSMISSION

Схема запчастей Case 800 - (108) - UNIVERSAL SHAFT ASSY., (USED FORM SER. #7081201 AND UP TO SER # 7081372) (03) - TRANSMISSION
FIT
1:1
100%

Артикул

Название

Примечание

Количество

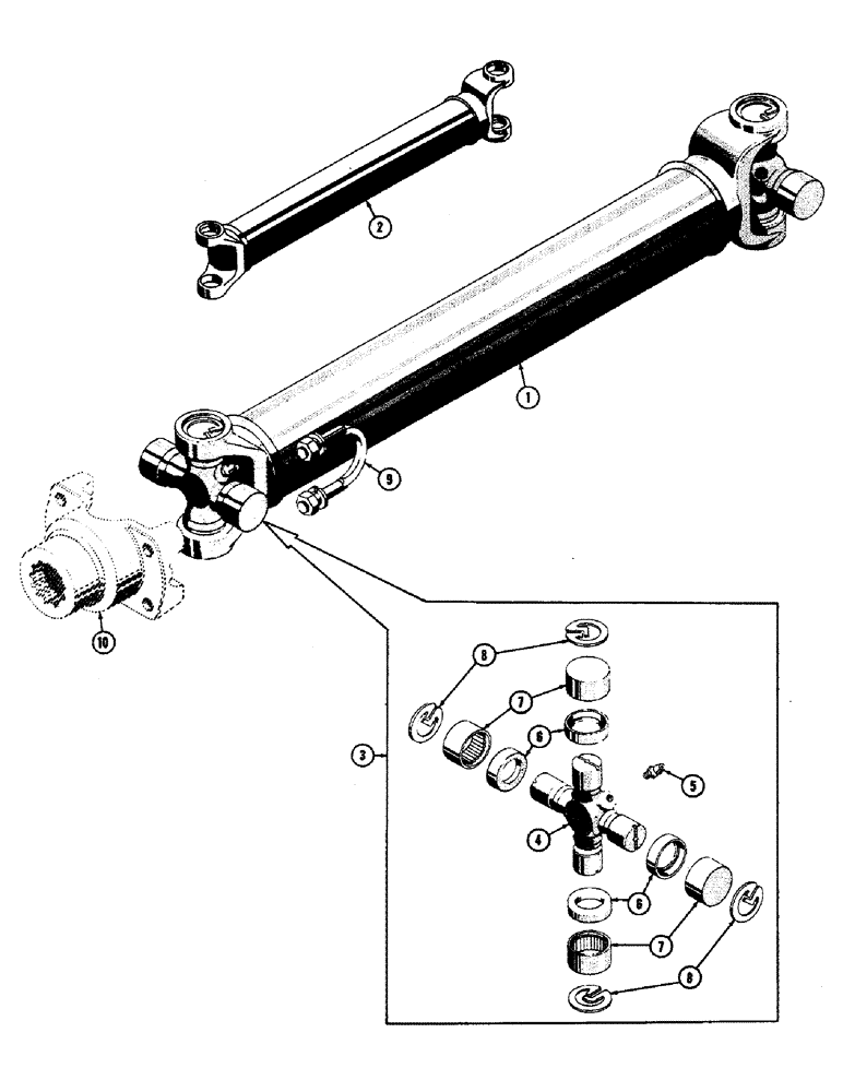
1

R13339

SHAFT ASS'Y. - universal

1шт.

2

R16452

SHAFT SUB-ASS'Y. - universal

1шт.

3

R2713

BEARING ASSY

JOURNAL & BEARING KIT - universal

2шт.

4

R13990

CROSS ASS'Y. - journal

1шт.

5

R13993

X

NIPPLE - zerk

1шт.

6

R13994

GASKET - journal

4шт.

7

R13991

BEARING ASS'Y. - universal

4шт.

8

R13992

RING, SNAP

RING - snap

4шт.

9

R13345

BOLT

"U" BOLT - universal

4шт.

10

REF

INSTRUCTION

YOKE - universal (See figure 102 ref. #52 or figure 116 ref. #50)

2шт.

Выбрано товаров: 10