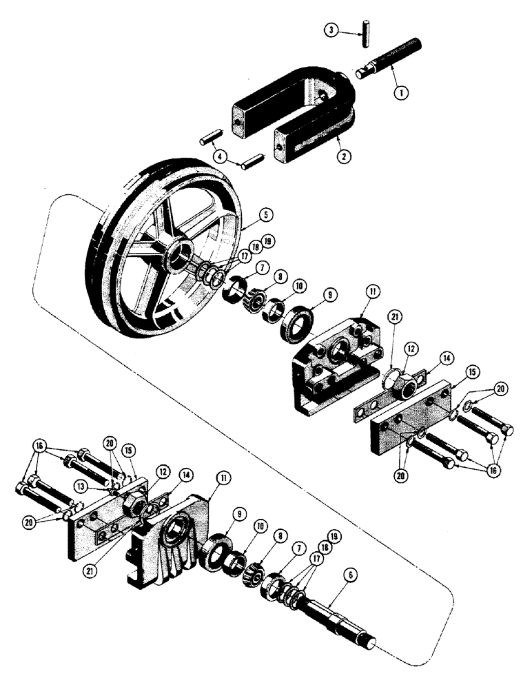
Запчасти Case 800 (168) - TRACK INSTALLATION, FRONT IDLERS (04) - UNDERCARRIAGE

Схема запчастей Case 800 - (168) - TRACK INSTALLATION, FRONT IDLERS (04) - UNDERCARRIAGE
FIT
1:1
100%

Артикул

Название

Примечание

Количество

70098

YOKE ASS'Y - front idler

2шт.

1

70097

ROD - yoke adjusting

1шт.

2

70035

YOKE - front idler

1шт.

3

138-182

LOCK PIN,3/8" x 3", Slotted

PIN, (49868) 3/8" x 3", Slotted

1шт.

4

70205

PIN

- dowell

2шт.

70004

X

IDLER & BRACKET ASS'Y - front

2шт.

5

70032

WHEEL - idler

1шт.

6

70085

SHAFT

- front idler

1шт.

7

O9446AB

X

CUP - roller bearing

2шт.

8

NLS

NO LONGER SERVICED

CONE - roller bearing

2шт.

9

D31848

OIL SEAL

- oil

2шт.

10

70071

BUSHING

SPACER - front idler

2шт.

11

70033

BRACKET - front idler

2шт.

12

25-1524

JAM NUT,Jam, 1 1/2"-12, G5

- lock (11951)

2шт.

13

219-1

LUBE NIPPLE,1/8" - 27 NPTF

FITTING - straight grease, 1/8 NP (49200)

1шт.

14

70084

SHIM

- front idler

1шт.

15

70072

PLATE

- idler bracket guide

2шт.

16

14-1232

BOLT,Hex, 3/4" - 16 x 2", Gr 5

HHCS 3/4-16 NF x 2 (70072 mtg.)

8шт.

17

R13586

SHIM,.005" Thk

Front idler .005" Thk

1шт.

18

R13587

SHIM,.007" Thk

Front idler .007" Thk

1шт.

19

R13588

SHIM,.010" Thk

Front idler .010" Thk

1шт.

20

92-12

LOCK WASHER,3/4"

WASHER, LOCK, (48452) 3/4"

8шт.

21

R12826

WASHER

- lock

2шт.

Выбрано товаров: 23