Запчасти Case 800 (086) - (71821) STARTER ASSY. (06) - ELECTRICAL SYSTEMS

Схема запчастей Case 800 - (086) - (71821) STARTER ASSY. (06) - ELECTRICAL SYSTEMS
FIT
1:1
100%

Артикул

Название

Примечание

Количество

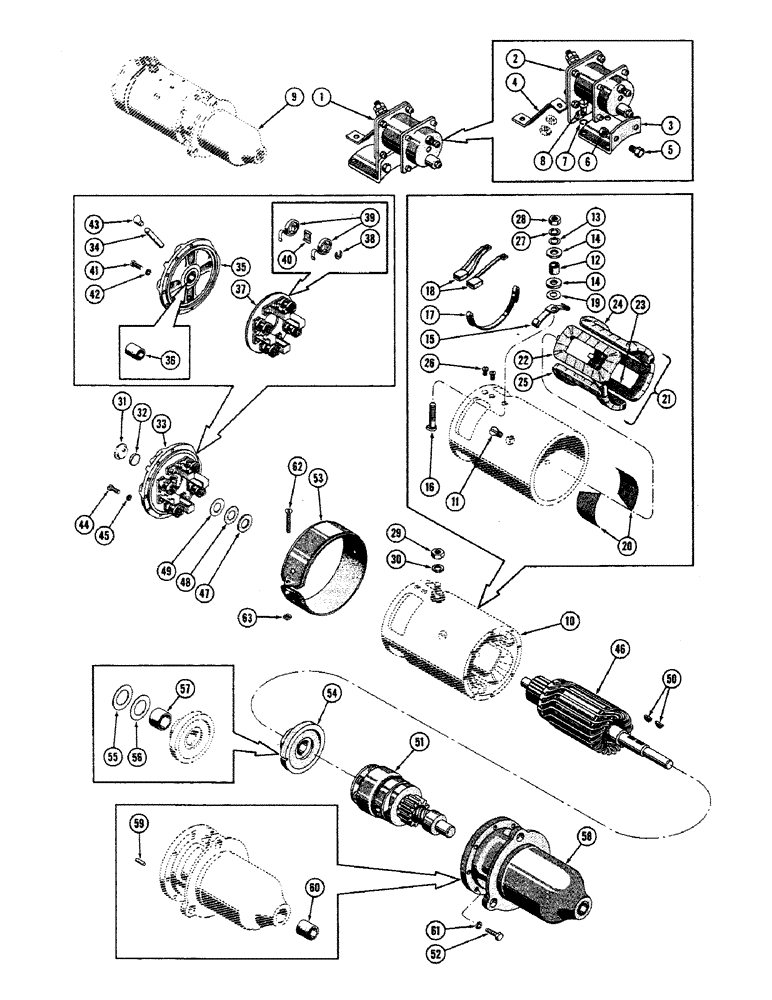
71821

INSERT

STARTER & SOLENOID ASS'Y

1шт.

1

MCK-1053

SOLENOID & BRACKET ASS'Y

1шт.

2

72825

BRACKET

SOLENOID ASS'Y. (Auto-Lite #WSM-4101A)

1шт.

3

MBD-252

BRACKET

1шт.

4

MCK-68

CONNECTOR

1шт.

5

8X-343

SCREW - switch mtg. hex. hd. - 1/4-28 x 5/8

2шт.

6

XA-595

NUT - switch mtg. sc. hex (1/4-28)

2шт.

7

12X-199

LOCKWASHER - bracket mtg. sc. 1/4

4шт.

8

8X-905

SCREW - bracket mtg. fill hd. 1/4-20 x 7/16

4шт.

9

NSS

NOT SOLD SEPARAT

STARTER ASS'Y

1шт.

10

NSS

NOT SOLD SEPARAT

FRAME AND FIELD ASS'Y

1шт.

11

GK-38

SCREW - pole shoe

4шт.

12

MAW-37

BUSHING - insulation terminal stud

1шт.

13

MAX-44

WASHER - plain terminal stud, outer

1шт.

14

MBD-119

WASHER - insulation terminal stud

2шт.

15

MBD-231

CONNECTOR - terminal stud

1шт.

16

MBD-233A

STUD - terminal

1шт.

17

MBR-34

CONNECTOR

1шт.

18

MBR-1012S

BRUSH SET

1шт.

19

MC-51A

WASHER - plain, terminal stud inner

1шт.

20

MCK-32

INSULATION - field connection

2шт.

21

MCK-3005S

FIELD COIL PACKAGE

1шт.

22

MCK-1007

COIL - field upper left

1шт.

23

MCK-1008

COIL - field lower right

1шт.

24

MCK-1009

COIL - field upper right

1шт.

25

MCK-1010

COIL - field lower left

1шт.

26

8X-66

SCREW - br. ground, flat hd. #10-32 x 1/2

4шт.

27

12X-201

LOCKWASHER - terminal stud 3/8

1шт.

28

8X-830

NUT - terminal, stud hex 3/8-16

1шт.

29

8X-148

NUT - terminal, stud, hex 3/8-16

1шт.

30

12X-201

LOCKWASHER - terminal stud 3/8

1шт.

31

GAL-40A

COVER - bearing comm. end

1шт.

32

MAD-110

FELT

1шт.

33

MBR-2410

HEAD ASS'Y. - comm. end

1шт.

34

MBD-150

WICK - felt

1шт.

35

MBD-1410

HEAD ASS'Y. - partial, comm. end

1шт.

36

GBF-79

BEARING - abs. bronze

1шт.

37

MBR-2079

PLATE ASS'Y. - brush

1шт.

38

GG-81

CLIP - brush holder post

4шт.

38

MBD-19

SPRING - brush

8шт.

40

MBD-47

SPACER - spring brush

4шт.

41

8X-120

SCREW - brush plate fill. hd. #10-32 x 5/8

4шт.

42

12X-196

LOCKWASHER - brush plate screw #10

4шт.

43

X-2964A

OILER

1шт.

44

MBD-258

SCREW - C.E. head. fill hd. #10-32 x 5/8

5шт.

45

12X-196

LOCKWASHER - C.E. head screw #10

5шт.

46

MCK-2006

ARMATURE ASS'Y

1шт.

47

MAK-61

WASHER - thrust C.E.

1шт.

48

MBD-311

WASHER - thrust int. 1/32 thk

1шт.

49

MU-54

WASHER - thrust C.E. 1/32 thk

1шт.

50

X-261C

KEY - Woodruff D.E. #6

2шт.

51

EBB-11

BENDIX DRIVE ASS'Y. (Eclipse #A3042)

1шт.

52

MBD-254

SCREW - pinion housing, hex hd. #10-32 x 7/8

8шт.

53

MCK-1024

BAND - cover

1шт.

54

MBD-1315

BEARING ASS'Y. - int

1шт.

55

MBD-312

RETAINER - felt

1шт.

56

MBD-313

WASHER - felt

1шт.

57

MBD-314

BEARING - ABS bronze

1шт.

58

PS-1278

HOUSING ASS'Y. - pinion

1шт.

59

MAB-88

PIN - dowel

1шт.

60

MBD-257

BEARING - abs bronze

1шт.

61

12X-196

LOCKWASHER - housing sc. #10

8шт.

62

8X-714

SCREW - cover, band rd. hd. #10-32 x 1-1/2

1шт.

63

8X-794

NUT - cover band, square #10-32

1шт.

Выбрано товаров: 64