Запчасти Case 800 (088) - (R12315) STARTER ASSY. (06) - ELECTRICAL SYSTEMS

Схема запчастей Case 800 - (088) - (R12315) STARTER ASSY. (06) - ELECTRICAL SYSTEMS
FIT
1:1
100%

Артикул

Название

Примечание

Количество

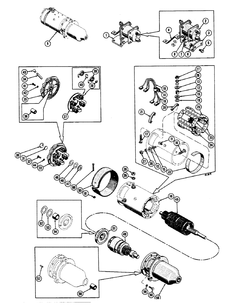
R12315

STARTER & SOLENOID ASS'Y

1шт.

1

MCK-1053A

SOLENOID & BRACKET ASS'Y

1шт.

2

72825

BRACKET

SOLENOID ASS'Y. (Auto Lite #WSM-410A)

1шт.

3

MBD-252

BRACKET

1шт.

4

MCK-68

CONNECTOR

1шт.

5

8X-343

SCREW - switch mounting, hex hd. 1/4-28 x 5/8

2шт.

6

XA-595

NUT - switch mounting sc. hex (1/4-28)

2шт.

7

12X-199

LOCKWASHER - bracket mounting sc. 1/4

4шт.

8

8X-905

SCREW - bracket mtg. fill. hd. 1/4-20 x 7/16

4шт.

9

NSS

NOT SOLD SEPARAT

STARTER ASS'Y

1шт.

10

NSS

NOT SOLD SEPARAT

FRAME & FIELD ASS'Y

1шт.

11

GK-38

SCREW - pole shoe

4шт.

12

MAW-37

BUSHING - insulation term. stud

1шт.

13

MAX-44

WASHER - insulation term. stud. outer

2шт.

14

MBD-34

TERMINAL - brush

1шт.

15

MBD-119

WASHER - insulation terminal, stud

2шт.

16

MBD-121

STUD - terminal

1шт.

17

MBD-233A

STUD - terminal

1шт.

18

MBD-1012CS

BRUSH - set

1шт.

19

MC-51A

WASHER - plain, terminal stud, inner

1шт.

20

MCC-14

CONNECTOR - terminal stud

1шт.

21

MCC-15

CONNECTOR - terminal coil

1шт.

22

MCC-30

INSULATION - field connection

1шт.

23

MCC-1007A

COIL - field upper left & lower right

2шт.

24

MCC-1008A

COIL - field lower left

1шт.

25

MCC-1010C

COIL - field upper right

1шт.

26

12X-201

LOCKWASHER - terminal stud 3/8

2шт.

27

8X-830

NUT - terminal stud hex 3/8-16

2шт.

28

8X-148

NUT - terminal stud hex 3/8-16

1шт.

29

12X-201

LOCKWASHER - terminal stud 3/8

1шт.

30

GAL-40A

COVER - bearing C.E.

1шт.

31

MAD-110

FELT

1шт.

32

MBD-258

SCREW - C.E. head, fill hd. #10-32 x 5/8

5шт.

33

MBD-2415

HEAD ASS'Y. - comm. end

1шт.

34

MBD-150

WICK - felt

1шт.

35

MBD-1415A

HEAD ASS'Y - partial C.E.

1шт.

36

GBF-79

BEARING - ABS bronze

1шт.

37

MBD-2079

PLATE ASS'Y. - brush

1шт.

38

GG-81

CLIP - brush holder post

4шт.

39

MBD-19

SPRING - brush

8шт.

40

MBD-47

SPACER - spring brush

4шт.

41

8X-120

SCREW - brush plate fill hd. #10-32 x 5/8

4шт.

42

12X-196

LOCKWASHER - brush plate xc. #10

4шт.

43

X-2964A

OILER

1шт.

44

12X-196

LOCKWASHER - C.E. head sc. #10

5шт.

45

MCC-2021

ARMATURE ASS'Y

1шт.

46

MAK-61

WASHER - thrust C.E.

1шт.

47

MBD-311

WASHER - thrust int. 1/32" thick

1шт.

48

MU-54

WASHER - thrust C.E. 1/32" thick

1шт.

49

EBB-13

BENDIX DRIVE (Eclipse #A3045)

1шт.

50

MBD-254

SCREW - pinion housing hex. hd. #10-32 x 7/8

8шт.

51

MBD-1315

BEARING ASS'Y. int

1шт.

52

MBD-312

RETAINER - felt washer

1шт.

53

MBD-313

WASHER - felt

1шт.

54

MBD-314

BEARING - abs. bronze

1шт.

55

MCK-1024

BAND - cover

1шт.

56

PS-1278

HOUSING ASS'Y - pinion

1шт.

57

MAB-88

PIN - dowel

1шт.

58

MBD-257

BEARING - abs. bronze

1шт.

52

12X-196

LOCKWASHER - housing sc. #10

8шт.

60

8X-714

SCREW - cover band rd. hd #ID-32 x 1-1/2

1шт.

61

8X-794

NUT - cover band, square #10-32

1шт.

Выбрано товаров: 0