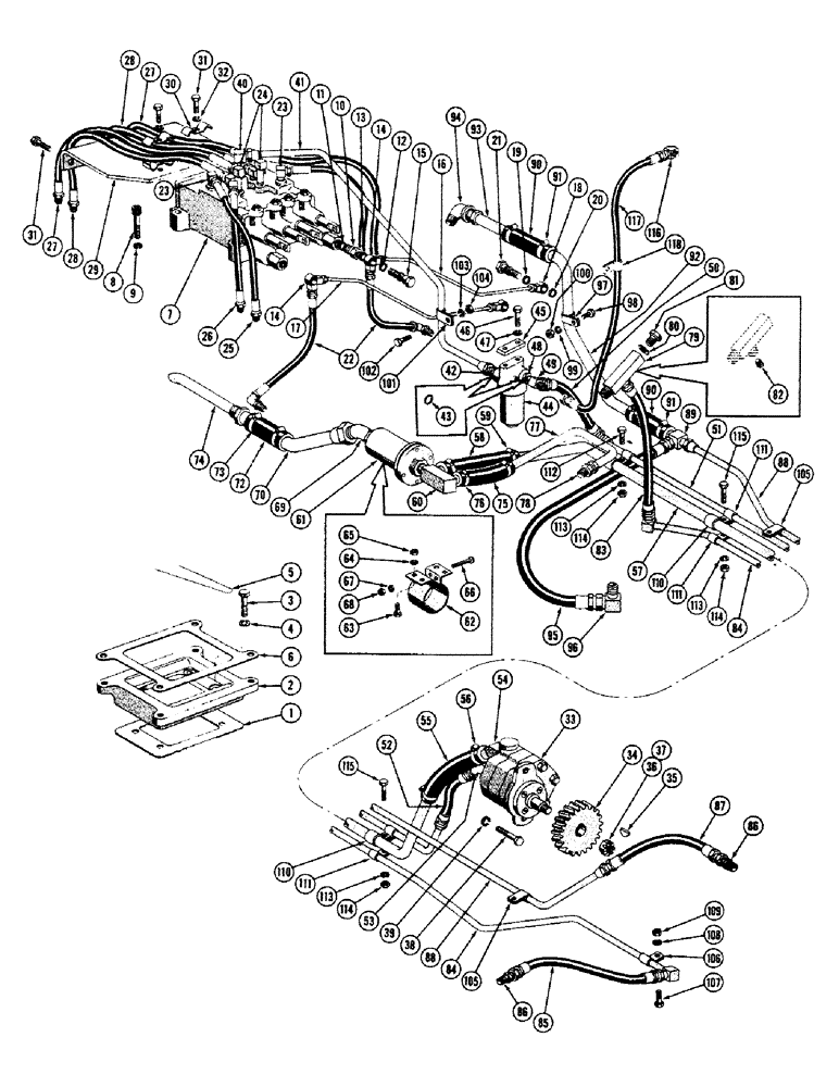
Запчасти Case 800 (150) - HYDRAULIC SYSTEM, (USED FROM SERIAL #7081372), BRAKE LINE HYDRAULIC SYSTEM (07) - HYDRAULIC SYSTEM

Схема запчастей Case 800 - (150) - HYDRAULIC SYSTEM, (USED FROM SERIAL #7081372), BRAKE LINE HYDRAULIC SYSTEM (07) - HYDRAULIC SYSTEM
FIT
1:1
100%

Артикул

Название

Примечание

Количество

1

R13353

X

GASKET - valve base mtg.

1шт.

2

R13360

BASE - valve mtg.

1шт.

3

46946

HHCS 3/8-24 NF x 1-1/4 drilled (R13360 mtg.)

4шт.

4

92-6

LOCK WASHER,3/8"

WASHER, LOCK, 3/8"

4шт.

5

R10831

ELECTRICAL WIRE

WIRE - tie

1шт.

6

72136

GASKET - valve mtg.

1шт.

7

R12338

VALVE ASS'Y - hydraulic (See figure 298 for breakdown)

1шт.

8

61-632

HEX SOC SCREW,3/8"-16 x 2"

SHCS 3/8-18 NC x 2 (R12338 mtg.)

4шт.

9

92-6

LOCK WASHER,3/8"

WASHER, LOCK, 3/8"

4шт.

10

72125

ADAPTER

- brake tube

2шт.

11

49399

X

SEAL - "O" ring

2шт.

12

NLS

NO LONGER SERVICED

- inlet connection

2шт.

13

51200242

SEAL,15.24mm ID x 20.64mm OD x 0.81mm Thk

- inlet connection

2шт.

14

51200243

FITTING

- brake line

2шт.

15

33262

HORN,1/2" - 20 x 1 5/32"

BOLT - connection

2шт.

16

R13582

TUBE ASS'Y - brake line

1шт.

17

R13581

TUBE

ASS'Y - brake line

1шт.

18

50861

FITTING

- 3/16 tube

2шт.

19

NLS

NO LONGER SERVICED

- inlet connection

2шт.

20

51200242

SEAL,15.24mm ID x 20.64mm OD x 0.81mm Thk

- inlet connection

2шт.

21

33262

HORN,1/2" - 20 x 1 5/32"

BOLT - connection

2шт.

22

R13542

HOSE

ASS'Y - brake line

2шт.

23

218-483

ELBOW,90 Degree Elbow, 9/16" - 18 Male JIC x 1/4" - 18 Male NPTF

- 90 degree male, 3/8 JIC to 1/4 NP, transmission hydraulic system

6шт.

24

218-508

ELBOW - 90 degree extra long male, 3/8 JIC to 1/4 NP, transmission hydraulic system

2шт.

25

R13658

HOSE

ASS'Y - valve to transmission, hydraulic system

2шт.

26

R13660

HOSE

ASS'Y - valve to transmission, hydraulic system

2шт.

27

73760

X

HOSE ASS'Y - valve to transmission, hydraulic system

2шт.

28

73760

X

HOSE ASS'Y - valve to transmission, hydraulic system

2шт.

29

73773

BRACKET - hose mtg., transmission hydraulic system

1шт.

30

49838

CLAMP

- hose, transmission hydraulic system

4шт.

31

14-612

BOLT,Hex, 3/8" - 24 x 3/4", Gr 5, Full Thd

(73773 & 49838 mtg.), transmission hydraulic system Hex, 3/8"-24 x 3/4", G5, Full Thd

4шт.

32

92-6

LOCK WASHER,3/8"

WASHER, LOCK, , transmission hydraulic system 3/8"

2шт.

33

32655

PUMP ASS'Y - hydraulic (See figure 284 for breakdown), transmission system

1шт.

34

70291

SPARE PART

GEAR - pump drive, transmission hydraulic system

1шт.

35

126-16

WOODRUFF KEY,#9, 3/16" x 3/4"

Transmission hydraulic system #9, 3/16" x 3/4"

1шт.

36

129-267

X

NUT - slotted hex (5/8-18 NF), transmission hydraulic system

1шт.

37

132-32

COTTER PIN,3/32" x 1 1/2"

Pin, Split (Cotter), , Transmission hydraulic system 3/32" x 1 1/2"

1шт.

38

13-616

BOLT,Hex, 3/8" - 16 x 1", Gr 5, Full Thd

(32655 mtg.), Transmission hydraulic system Hex, 3/8"-16 x 1", G5, Full Thd

2шт.

39

92-6

LOCK WASHER,3/8"

WASHER, LOCK, , transmission hydraulic system 3/8"

2шт.

40

218-498

ELBOW - 90 degree extra long male, 5/8 JIC to 1/2 NP, transmission hydraulic system 90º, 7/8"-14, 37º x 1/2"-14, NPTF, XLG

1шт.

41

R13904

TUBE ASS'Y - valve to filter, transmission hydraulic system

1шт.

42

218-5062

HYD CONNECTOR,7/8"-14, 37 Degree x 7/8"-14, O-Ring

CONNECTOR - male, 7/8-14 NF to 5/8 JIC, transmission hydraulic system

1шт.

43

237-6010

O-RING,0.097" Thk x 0.755" ID, -910, Cl 6, 90 Duro

10-1, 90 Duro, .755" ID x .097" Thk, Transmission hydraulic system

2шт.

44

R14158

FILTER ASS'Y - hydraulic (See figure 154 for breakdown), transmission system

1шт.

45

R14179

SPACER - filter, transmission hydraulic system

1шт.

46

13-824

BOLT,Hex, 1/2" - 13 x 1-1/2", Gr 5, Full Thd

(R14158 mtg.), Transmission hydraulic system Hex, 1/2"-13 x 1 1/2", G5, Full Thd

2шт.

47

92-8

LOCK WASHER,1/2"

transmission hydraulic system 1/2"

2шт.

48

50875

NUT

- lock (7/8-14 NF), transmission hydraulic system

1шт.

49

R14390

ELBOW - 90 degree adjustable, 7/8-14 NF to 5/8 JIC, transmission hydraulic system

1шт.

50

71175

FLEXIBLE HOSE

HOSE ASS'Y - filter to pump, transmission hydraulic system

1шт.

51

R14186

TUBE ASS'Y - filter to pump, transmission hydraulic system

1шт.

52

71175

FLEXIBLE HOSE

HOSE ASS'Y - filter to pump, transmission hydraulic system

1шт.

53

218-545

ELBOW,45 Degree, 7/8-14" NPTF x 3/4"-14, 37 Degree

- 45 degree male, 5/8 JIC, transmission hydraulic system

1шт.

54

R11626

CONNECTOR, ELEC

ELBOW - 45 degree barb hose, 5/8 JIC to 1" hose, transmission hydraulic system

1шт.

55

R14171

HOSE

- low pressure, transmission hydraulic system

1шт.

56

214-1420

HOSE CLAMP,#20, 0.81" - 1.75", Type F Worm

CLAMP - hose, transmission hydraulic system

2шт.

57

R15005

TUBE ASS'Y - pump to filter, transmission hydraulic system

1шт.

58

R14171

HOSE

- low pressure, transmission hydraulic system

1шт.

59

49766

AUGER

CLAMP - hose, transmission hydraulic system

2шт.

60

R14180

MANIFOLD - oil filter, transmission hydraulic system

1шт.

61

R13535

FILTER ASS'Y - hydraulic (See figure 154 for breakdown), transmission system

1шт.

62

R13949

BRACKET - filter, transmission hydraulic system

1шт.

63

14-616

BOLT,Hex, 3/8" - 24 x 1", Gr 5

HHCS 3/8-24 NF x 1 (R13949 mtg.), transmission hydraulic system

4шт.

64

92-6

LOCK WASHER,3/8"

WASHER, LOCK, , transmission hydraulic system 3/8"

4шт.

65

25-116

NUT,Hex, 3/8"-24, G5

- reg. SF hex (3/8-24 NF), transmission hydraulic system

4шт.

66

14-532

BOLT,Hex, 5/16" - 24 x 2", Gr 5

HHCS 5/16-24 NF x 2 (R13949 mtg.), transmission hydraulic system

2шт.

67

92-5

LOCK WASHER,5/16"

WASHER, LOCK, , transmission hydraulic system 5/16"

2шт.

68

25-115

NUT,5/16"-24, G5

- reg. SF hex (5/16"-24 NF), transmission hydraulic system

2шт.

69

R11868

ELBOW - 45 degree male, 1" NP to 1-1/4 JIC, transmission hydraulic system

1шт.

70

R13924

TUBE ASS'Y - filter to transmission, hydraulic system

1шт.

71

RESERVED

1шт.

72

R13911

HOSE,31.80 mm ID x 101.60 mm ID, SAE 100R3

- low pressure, transmission hydraulic system 31.80 mm ID x 101.60 mm ID, SAE 100R3

1шт.

73

49763

X

CLAMP - hose, transmission hydraulic system

2шт.

74

R13916

EXTENSION ASS'Y - suction line, transmission hydraulic system

1шт.

75

R13970

HOSE ASSY.

HOSE - low pressure, transmission hydraulic system

1шт.

76

214-1420

HOSE CLAMP,#20, 0.81" - 1.75", Type F Worm

CLAMP - hose, transmission hydraulic system

2шт.

77

R15004

TUBE ASS'Y - filter to converter, transmission hydraulic system

1шт.

78

218-458

HYD CONNECTOR,1-1/16" - 12 Male JIC x 1/2" - 14 Male NPTF

CONNECTOR - male, 1/2 NP to 3/4 JIC, transmission hydraulic system

1шт.

79

R11726

TEE - special, transmission hydraulic system

2шт.

80

51200242

SEAL,15.24mm ID x 20.64mm OD x 0.81mm Thk

transmission hydraulic system

1шт.

81

R11717

PLUG - tee, transmission hydraulic system

1шт.

82

R11652

PLUG - pipe, Allen head, 1/4 NP, transmission hydraulic system

1шт.

83

R14574

HOSE ASS'Y - converter to sump, transmission hydraulic system

1шт.

84

R15006

TUBE ASS'Y - converter to sump, transmission hydraulic system

1шт.

85

71190

SEAL PROTECTION

HOSE ASS'Y - converter to sump, transmission hydraulic system

1шт.

86

218-445

HYD CONNECTOR,7/8" - 14 Male JIC x 1/2" - 14 Male NPTF

CONNECTOR - male, 5/8 JIC to 1/2 NP, transmission hydraulic system

2шт.

87

71775

SLEEVE

HOSE ASS'Y - sump to transmission, hydraulic system

1шт.

88

R15223

TUBE ASS'Y - sump to transmission, hydraulic system

1шт.

89

R14202

TEE - special, transmission hydraulic system

1шт.

90

R14171

HOSE

- low pressure, transmission hydraulic system

2шт.

91

49766

AUGER

CLAMP - hose, transmission hydraulic system

4шт.

92

R14184

TUBE - sump to transmission, hydraulic system

1шт.

93

R13914

TUBE ASS'Y - sump to transmission, hydraulic system

1шт.

94

221-416

ELBOW,90 Degree, 1"-11 1/2, NPT

- 90 degree street, 1" NP, transmission hydraulic system

1шт.

95

19207

HOSE ASSY.

HOSE ASS'Y - tee to converter, transmission hydraulic system

1шт.

96

218-485

ELBOW,90 Degree Elbow, 7/8" - 14 Male JIC x 1/2" - 14 Male NPTF

- 90 degree male, 1/2 NP, transmission hydraulic system

1шт.

97

R14668

CLAMP

- tube (R14184 mtg.), transmission hydraulic system

1шт.

98

14-616

BOLT,Hex, 3/8" - 24 x 1", Gr 5

HHCS 3/8-24 NF x 1 (R14668 mtg.), transmission hydraulic system

1шт.

99

92-6

LOCK WASHER,3/8"

WASHER, LOCK, , transmission hydraulic system 3/8"

1шт.

100

25-116

NUT,Hex, 3/8"-24, G5

- reg SF hex (3/8-24 NF), transmission hydraulic system

1шт.

101

49771

CLAMP

- tube (R13904 mtg.), transmission hydraulic system

1шт.

102

14-616

BOLT,Hex, 3/8" - 24 x 1", Gr 5

HHCS 3/8-24 NF x 1 (49771 mtg.), transmission hydraulic system

1шт.

103

92-6

LOCK WASHER,3/8"

WASHER, LOCK, , transmission hydraulic system 3/8"

1шт.

104

25-116

NUT,Hex, 3/8"-24, G5

- reg SF hex (3/8-24 NF), transmission hydraulic system

1шт.

105

49771

CLAMP

- tube (R15223 mtg.), transmission hydraulic system

2шт.

106

49771

CLAMP

- tube (R15006 mtg.), transmission hydraulic system

1шт.

107

14-616

BOLT,Hex, 3/8" - 24 x 1", Gr 5

HHCS 3/8-24 NF x 1 (49771 mtg.), transmission hydraulic system

1шт.

108

92-6

LOCK WASHER,3/8"

WASHER, LOCK, , transmission hydraulic system 3/8"

1шт.

109

25-116

NUT,Hex, 3/8"-24, G5

- reg. SF hex (3/8-24 NF), transmission hydraulic system

1шт.

110

R14668

CLAMP

- tube (R15005 mtg.), transmission hydraulic system

3шт.

111

515-23159

CLAMP,5/8", Insul, 3/8" Bolt

- tube (R15006 & R14186 mtg.), transmission hydraulic system

5шт.

112

14-616

BOLT,Hex, 3/8" - 24 x 1", Gr 5

HHCS 3/8-24 NF x 1 (R14668 & R49885 mtg.), transmission hydraulic system

1шт.

113

92-6

LOCK WASHER,3/8"

WASHER, LOCK, , transmission hydraulic system 3/8"

3шт.

114

25-116

NUT,Hex, 3/8"-24, G5

- reg. SF hex (3/8-24 NF), transmission hydraulic system

3шт.

115

14-620

BOLT,Hex, 3/8" - 24 x 1-1/4", Gr 5

HHCS 3/8-24 NF x 1-1/4 (R14668 & 49885 mtg.), transmission hydraulic system

2шт.

116

222-851

ELBOW,90 Degree, 7/16"-20, 45 Degree Fl x 1/8" NPT, Fem

- 90 degree female, 1/8 NP to 1/4 SAE, transmission hydraulic system

1шт.

117

33727

HOSE

ASS'Y - tee to oil pressure gauge, transmission hydraulic system

1шт.

118

49836

CLAMP

- hose (33727 mtg.), transmission hydraulic system

1шт.

Выбрано товаров: 118